logo elektroda
logo elektroda
X
logo elektroda
REKLAMA
REKLAMA
Adblock/uBlockOrigin/AdGuard mogą powodować znikanie niektórych postów z powodu nowej reguły.

Golf 6 - Sterowanie rozrusznika / przekaźnik rozrusznika

decybel91 04 Sie 2021 19:58 2121 6
REKLAMA
  • #1 19549310
    decybel91
    Poziom 42  
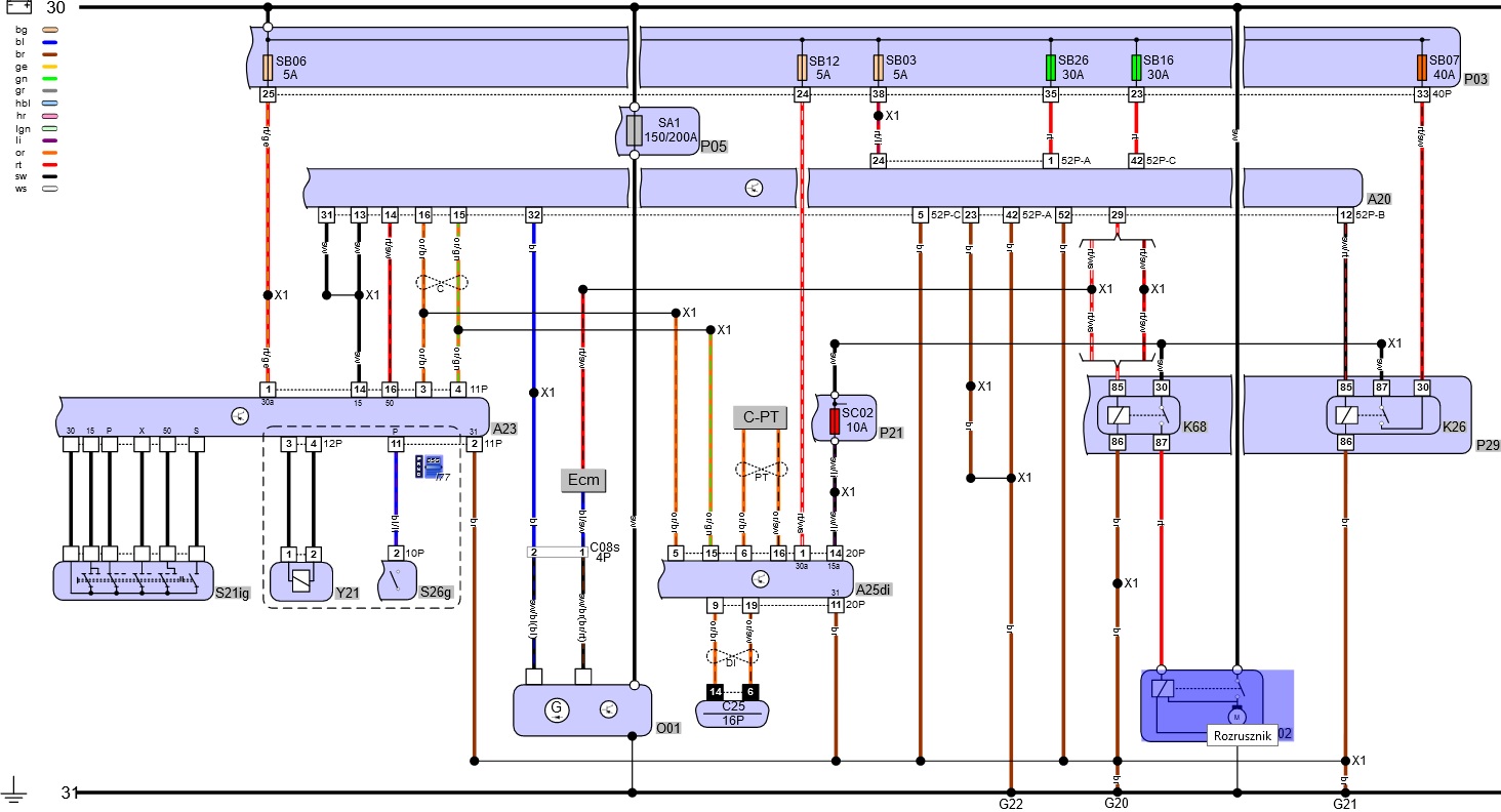
    Golf 7 2.0tdi silnik cbdx
    Problem to ciągłe wysterowanie przekaźnika rozrusznika. Dochodzi do kuriozalnej sytuacji gdy po odpaleniu silnika nadal rozrusznik kręci!
    Plus na cewkę przekaźnika pojawia się losowo nawet po cofnięciu kluczyka ze stacyjki.
    Brakuje mi pomysłu co jest nie tak. Stacyjka działa, masy wiązka sprawdzona, ECU nie bierze udziału w odpaleniu ( bez start&stóp ). Czujnik sprzęgła dziala. Sterowanie rozrusznika wychodzi z body i na razie czekam na stwierdzenie ale myślę że jest ok. Moduł kolumny kierowniczej?
  • REKLAMA
  • REKLAMA
  • #3 19550616
    kubas10
    Poziom 25  
    Golf 6 czy 7? który rok ? ten kod silnika nie wchodzi mi w program.
  • #4 19550636
    decybel91
    Poziom 42  
    Golf 6 cbd33 kod na obudowie rozrządu
  • REKLAMA
  • REKLAMA
  • #6 19554265
    decybel91
    Poziom 42  
    Na chwilę obecną wszystko działa, coś w module body po odpięciu i podłączeniu jest ok. Klient testuje
  • #7 20156503
    decybel91
    Poziom 42  
    Ponawiam, po roku co relacjonuje klient problem powrócił. Teraz dodatkowo głupieje przekaźnik głównych obwodów zapłonowych, wychodzi że oba są sterowane z body.
    Ktoś może przerabiał naprawę tego modułu?
REKLAMA