logo elektroda
logo elektroda
X
logo elektroda
REKLAMA
REKLAMA
Adblock/uBlockOrigin/AdGuard mogą powodować znikanie niektórych postów z powodu nowej reguły.

[Rozwiązano] Poszukiwany schemat elektryczny kuchenki Amica G5E4.48ZPTEKDSPN model 50200

LucasZ. 14 Sie 2021 14:13 1176 2
REKLAMA
  • #1 19563579
    LucasZ.
    Poziom 2  
    Dzień dobry.

    Poszukuję schematu elektrycznego kuchenki Amica G5E4.48ZPTEKDSPN model 50200. Czy ktoś takowym dysponuje i mógłby wrzucić?

    Z góry dziękuję i pozdrawiam.
  • REKLAMA
  • Pomocny post
    #2 19563937
    skryn
    Specjalista AGD
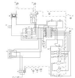
    Uprzejmie proszę:

    Poszukiwany schemat elektryczny kuchenki Amica G5E4.48ZPTEKDSPN model 50200
  • #3 19585354
    LucasZ.
    Poziom 2  
    Otrzymałem schemat
REKLAMA