logo elektroda
logo elektroda
X
logo elektroda
REKLAMA
REKLAMA
Adblock/uBlockOrigin/AdGuard mogą powodować znikanie niektórych postów z powodu nowej reguły.

Brak napięcia do przepływomierza 1.8t AGU: kontrola przewodów, bezpieczników i ECU

AngelikaInterewicz 28 Sie 2021 15:11 1827 7
REKLAMA
  • #1 19584458
    AngelikaInterewicz
    Poziom 4  
    Witam pytanko co robić. .1.8t agu .Blad brak napięcia do przepływomierz ,sprawdziłem kostkę od przeplywki minus jest .napięcia 12v brak. Sprawdzilem dwa przewody od przeplywki do ecu wszystko gra przekscie jest ale nie podaje plusa z ecu .bezpieczniki sprawdziłem oczywiście .czy ktoś podpowie co dalej robić? Nie jestem mocny w sprawach elektrycznych..prosze o pomoc bo ręce opadają. A objawy na zimnym silniku gaśnie i faluje ostro .złapie temperaturę i wszystko ok
  • REKLAMA
  • #2 19584489
    spinacz
    Poziom 42  
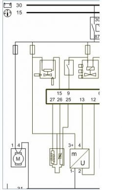
    Przepływomierz zasilony jest przez bezpiecznik razem z zaworem z węglem aktywnym i sonda lambda .
    Z ECU nie wychodzi żadne zasilanie +12V na przepływomierz.
    Brak napięcia do przepływomierza 1.8t AGU: kontrola przewodów, bezpieczników i ECU
  • REKLAMA
  • #3 19584511
    AngelikaInterewicz
    Poziom 4  
    Rozumiem że źle szukałem napięcia sprawdzę to .Ale ten rysunek nic mi nie mówi rzecze mówię. Byś mógł coś więcej powiedzieć. Sory ale nie jestem aż tak dobry .potrafię sprawdzić miernikiem przejście i napięcia i tak naprawdę to tyle . Co mam zrobić na daną chwilę. Tak prościej troszkę?:)
  • REKLAMA
  • #4 19584523
    spinacz
    Poziom 42  
    Jeśli masz tylko ten jeden błąd to znaczy że uszkodzona wiązka do przepływomierza, rozcinaj ją i szukaj uszkodzenia przewodu.
  • REKLAMA
  • #5 19584538
    AngelikaInterewicz
    Poziom 4  
    właśnie w tym rzecz że tak zrobiłem .od przeplywki idą 4 kable. dwa do ECU sprawdziłem je centymetr po centymetrze i te dwa dobre ale jeśli napisałeś że zasilanie nie idzie z ECU tylko z sondy jak dobrze rozumiem.to tych dwóch nie sprawdzałem. Dziękuję w środę wracam z delegacji i zabieram się za to .
  • #6 19584555
    spinacz
    Poziom 42  
    Pin 3 przepływomierza to +12V, przewód nie idzie z sondy tylko jest zasilony z tej samej lini czyli bezpiecznika. Tak czy inaczej szujak uszkodzonego przewodu który idzie do pinu nr3 przepływomierza.
  • #7 19584594
    AngelikaInterewicz
    Poziom 4  
    Kolego czy mogę zrobić tak że uciąć przewód przy przepływomierzu nr3 i dac mu stały plus z akumulatora na chwilę sprawdzić?
  • #8 19584616
    konrad.p73
    Poziom 13  
    AngelikaInterewicz napisał:
    Kolego czy mogę zrobić tak że uciąć przewód przy przepływomierzu nr3 i dac mu stały plus z akumulatora na chwilę sprawdzić?


    Możesz.... ale jak pomylisz piny to możesz uwalić sterownik.
    Jeżeli jednak koniecznie chcesz sprawdzać to podaj plus przez żarówkę (jakąś małą) jak trafisz na minus to się tylko zapali..
    poza tym przez dodatkowy bezpiecznik też mały i licz na szczęście
REKLAMA