logo elektroda
logo elektroda
X
logo elektroda
REKLAMA
REKLAMA
Adblock/uBlockOrigin/AdGuard mogą powodować znikanie niektórych postów z powodu nowej reguły.

Indukcja Mastercook I4DE64ZS - pole w prawym dolnym rogu nie da się włączyć

madamsz1 02 Wrz 2021 11:42 999 15
REKLAMA
  • #1 19592114
    madamsz1
    Poziom 41  
    Witam
    Płyta Mastercook I4DE64ZS.
    Podobno zaczęło się od problemu z włączeniem jednego z prawych pól - czasami się nie włączało.
    W obecnej chwili jest tak, że pole w prawym dolnym rogu nie da się włączyć w ogóle - nie reaguje na włącznik, natomiast przyciśnięcie każdego innego przycisku powoduje wydanie tylko dźwięku sygnalizacji. Pole w prawy górnym rogu działa prawidłowo.

    Sprawdziłem całość modułu pod kątem tranzystorów, kondensatorów, zasilania elektroniki - wszystko wygląda dobrze. Płyta nie zgłasza żadnych błędów.
    Przy starcie (po podłączeniu do zasilana) wyskakują komunikaty, co do których nie mogę nigdzie znaleźć informacji.
    I tak:
    Na sprawnej lewej części jest : A9; 2F; 55; A2;
    Na częściowo sprawnej prawej części jest tak: A1; 1F; 56; A2 (A1 i 1F jest w części która nie reaguje).
    Może ktoś nakieruje gdzie szukać usterki, albo gdzie szukać schematu pod to ?
    Na module sterowania jest 74HC4052D (2 sztuki - jeden na jedno pole obsługuje sensory), trochę drobnicy i pod naklejką jak mniemam że jakiś procesor.
  • REKLAMA
  • #2 19592558
    skryn
    Specjalista AGD
    Rzadko odpisuję na takie posty. Ale życzę powodzenia! :)
    Życie jest za krótkie na reanimację trupa.
  • #3 19592635
    madamsz1
    Poziom 41  
    Gdyby to nie było szwagierki to bym też to ol... :)
    Ale obiecałem przeglądnąć, chociaż i tak stanęło na tym , że pozostają 3 sprawne pola. Jak coś znajdę, albo wymyśle to próbujemy :), jak nie to ma chodzić do momentu śmierci albo wymiany na nową :).
  • REKLAMA
  • #4 19598897
    KHRIS
    Poziom 10  
    Nie jestem specjalistą w tym temacie ale widziałem na forum wiele razy jak zalecano sprawdzić kilka elektrolitów i dwa MKF.
    Jak znajdę to umieszczę link

    Dodano po 4 [minuty]:

    Jeszcze taki pomysł. Poszukaj na Olx, Allegro uszkodzonej (zbite szkło, nie działa lewa strona) , można kupić za 150-200 zł. czasem szkoda czasu na szukanie usterki.
  • REKLAMA
  • #5 19600140
    madamsz1
    Poziom 41  
    KHRIS napisał:
    widziałem na forum wiele razy jak zalecano sprawdzić kilka elektrolitów i dwa MKF
    Myślę kolego, że już sprawdziłem wszystko to co mogłem bez schematów - tak jak napisałem w pierwszym poście.
    KHRIS napisał:
    Poszukaj na Olx, Allegro uszkodzonej
    Akurat nie ma ostatnio nic z tego modelu dostępnego.
  • REKLAMA
  • #7 19601376
    madamsz1
    Poziom 41  
    Ile banknotów ? :), i do tego modelu ?
  • #9 19602409
    madamsz1
    Poziom 41  
    Dam Ci znać, bo temat jest rozwojowy :)
  • #10 19608575
    madamsz1
    Poziom 41  
    Dzięki koledze KHRIS udało się naprawić płytę.
    Podmiana moduły mocy nie dała efektu, ale posiadając druga płytę sterowania - uszkodzoną.
    Udało się na zasadzie porównania sprawdzić zachowanie poszczególnych stron sterowania umiejscowić uszkodzenie w postaci kondensatora znajdującego się w sekcji przycisku odpowiedzialnego za załączenie uszkodzonego pola. Po wymianie kondensatora oraz na wszelki wypadek tranzystora (na mierniku był dobry) sekcja zaczęła działać prawidłowo.
    Zniknęły również komunikaty wyświetlające się podczas podłączenia płyty do zasilania.

    PS. Małe sprostowanie do powyższego opisu.
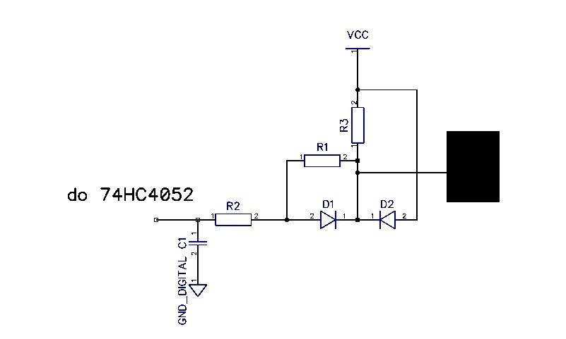
    Powyżej pisałem o tranzystorze, ale po dokładnym przyglądnięciu się wygląda to na podwójna diodę BAV70S - A4t
    Wygląda, że jest to tak robione (D1 i D2 - BAV70S)
    Indukcja Mastercook I4DE64ZS - pole w prawym dolnym rogu nie da się włączyć
    Zostawiam jeszcze chwile temat otwarty, jak by ktoś chciał coś dołożyć
  • #11 19617874
    Telo
    Serwisant RTV
    Witam

    Piszesz o wymianie uszkodzonego kondensatora czy to jest ten na schemacie C1?
    Ten element jest na płytce od dotyku?
  • #12 19618536
    madamsz1
    Poziom 41  
    Tak, w taki sposób (jeżeli nie pomyliłem nic na schemacie :) ) jest robiony dotyk.
  • #13 19652179
    ADI-mistrzu
    Poziom 30  
    Komunikaty które pojawiają się na początku to kod firmware który jest w panelu sterowania.
    Pojawia się zawsze na starcie po dłuższym braku zasilania (panel "przedstawia się").

    Jeśli panel ma problem z komunikacją z modułem mocy (niema komunikacji) ale jest zasilany, to nic nie wyświetli ale przyciski będą wydawać dźwięk.

    W Mastercook problem jest w procesorami Renesas (wtedy NEC), z jakiegoś powodu z czasem dostają błędów (chodź jest to rzadkie) i jeszcze nie doszedłem czy jest to spowodowane niestabilnością zasilania (degradacja kondensatorów z czasem) czy coś się dzieje z samym procesorem.
    Chodź osobiście zakładam to drugie, prawdopodobnie pada jakie peryferium czy pamięć w procesorach.
    Sądzę tak, ponieważ błędy pojawiają się w modułach mocy jak i w panelach (panele zawieszają się i restartują automatycznie, wymiana kondensatorów nie pomaga).
  • #14 19659991
    Przemek7
    Poziom 19  
    Na próbę można zamienić moduły sterowania dotykowego miedzy prawą a lewą stroną.
  • #15 19660073
    madamsz1
    Poziom 41  
    Kolego problem rozwiązany i płyta od naprawy chodzi. Co do zamiany sterowań miejscami to nie wiem czy to jest możliwe, ze względu na to że w prawej sekcji jest blokowanie wszystkich przycisków "klucz", a w lewej sekcji jest łączenie dwóch grzejnych pól razem - w sterowaniach pod tym samym przyciskiem, pomimo tego że są wzrokowo identyczne.
  • #16 19665700
    Przemek7
    Poziom 19  
    ^ z naciskiem na słowo "na próbę" - w celu sprawdzenia komunikacji moduł<->dotyk

    PS. Trup? Wg mnie bardzo solidna płyta (pomijając problem MKP).

Podsumowanie tematu

Użytkownik zgłosił problem z płytą indukcyjną Mastercook I4DE64ZS, gdzie pole grzewcze w prawym dolnym rogu nie reaguje na włącznik, podczas gdy inne pola działają prawidłowo. Po sprawdzeniu komponentów elektronicznych, takich jak tranzystory i kondensatory, oraz braku błędów w systemie, użytkownik poszukiwał schematu i wskazówek dotyczących naprawy. W odpowiedziach zasugerowano sprawdzenie elektrolitów, a także wymianę uszkodzonych elementów. Ostatecznie, po wymianie kondensatora i diody w sekcji przycisku, problem został rozwiązany, a płyta zaczęła działać poprawnie.
Podsumowanie wygenerowane przez model językowy.
REKLAMA