Jak w opisie działały i przestały działać.
Włączały się pod odpaleniu silnika. A teraz nie ?
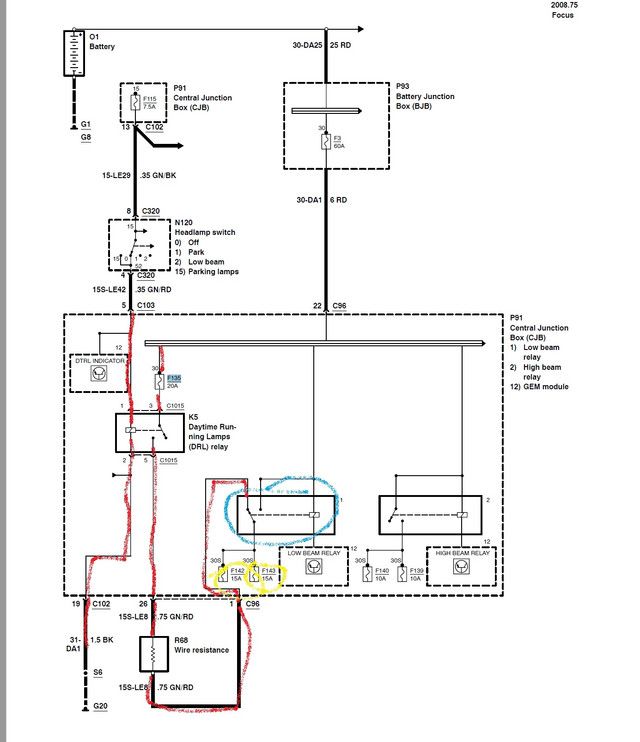
Gdzie szukać przyczyny ?
Informacyjnie :
Wkładam kluczyk i ... odpalałem silnik i świeciły, a jak to zależało od pozycji kluczyka to powiem tak nie pamiętam. (tak było)
Z tego co się dowiedziałem u kolegi który obsługuje u nas auta flotowe (no teraz jest ono już nie flotowe) to w tych modelach było to włączane przez serwis Forda nikt by się nie bawił w dodawanie jakiś modułów (raczej).
Oczywiście mogę się podpiąć ForScanem i szukać tam takiej opcji ale czy to to ? i Gdzie szukać ? Ale raczej było by dziwne aby się to od programowało.
Kiedyś już tak miałem że nie świeciły ale przeszło to mu na drugi dzień więc nie drążyłem tematu. Jest od tego jakiś ekstra przekaźnik ?
Włączały się pod odpaleniu silnika. A teraz nie ?
Gdzie szukać przyczyny ?
Informacyjnie :
Wkładam kluczyk i ... odpalałem silnik i świeciły, a jak to zależało od pozycji kluczyka to powiem tak nie pamiętam. (tak było)
Z tego co się dowiedziałem u kolegi który obsługuje u nas auta flotowe (no teraz jest ono już nie flotowe) to w tych modelach było to włączane przez serwis Forda nikt by się nie bawił w dodawanie jakiś modułów (raczej).
Oczywiście mogę się podpiąć ForScanem i szukać tam takiej opcji ale czy to to ? i Gdzie szukać ? Ale raczej było by dziwne aby się to od programowało.
Kiedyś już tak miałem że nie świeciły ale przeszło to mu na drugi dzień więc nie drążyłem tematu. Jest od tego jakiś ekstra przekaźnik ?
