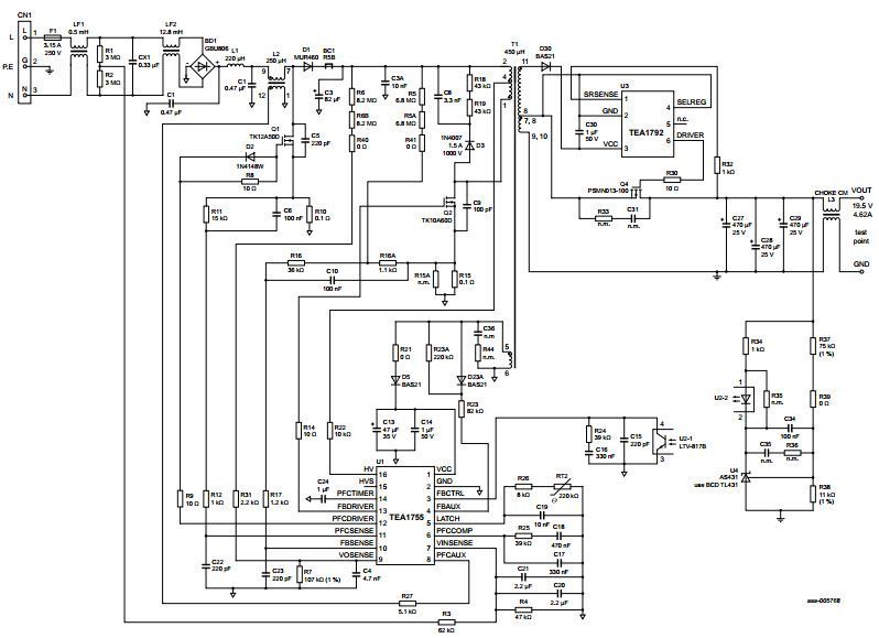
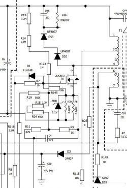
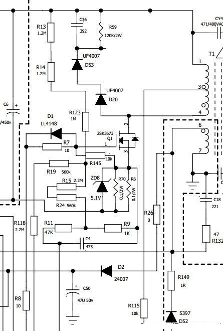
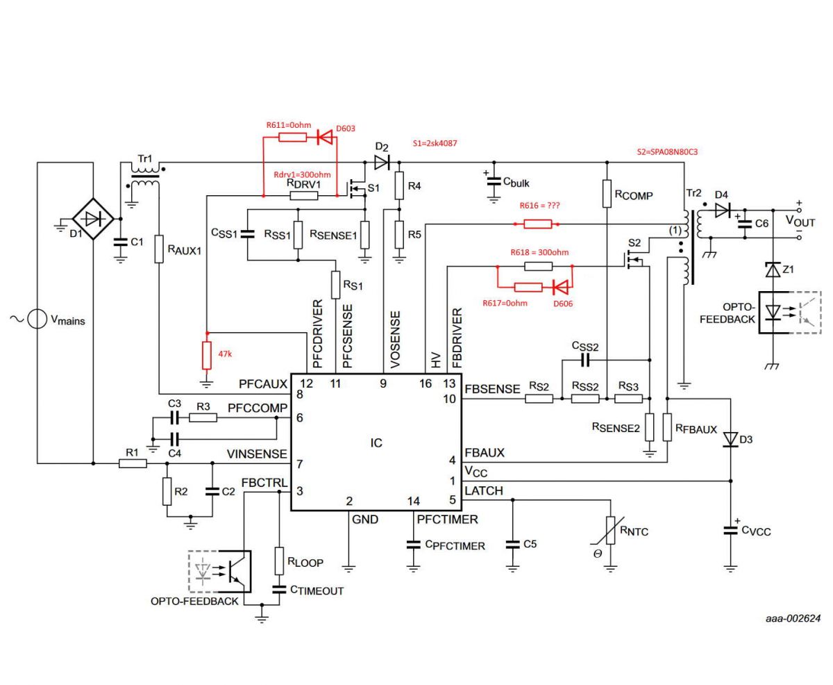
Witam. Posiadam monitor Acer XB321HK, w którym uszkodzone zostały tranzystory 2SK4087, SPA08N80C3 oraz układ TEA1755T i rezystory R611, R618 oraz rezystor (od strony źródła) w 2sk4087 i rezystor (od strony źródła) SPA08N80C3.
R611, R618 zidentyfikowałem i mają 0ohm, rezystory źródła mają 0,1ohm.
Nie mogę zidentyfikować rezystora R616 - stopiła się na nim farba. Jaką może mieć on wartość?
Rozrysowałem te elementy na schemacie z aplikacji TEA1755T (brakuje na nim też rezystorów od źródła tranzystorów).

R611, R618 zidentyfikowałem i mają 0ohm, rezystory źródła mają 0,1ohm.
Nie mogę zidentyfikować rezystora R616 - stopiła się na nim farba. Jaką może mieć on wartość?
Rozrysowałem te elementy na schemacie z aplikacji TEA1755T (brakuje na nim też rezystorów od źródła tranzystorów).
