logo elektroda
logo elektroda
X
logo elektroda
Adblock/uBlockOrigin/AdGuard mogą powodować znikanie niektórych postów z powodu nowej reguły.

Jak zrobić generator ciągu impulsów

minitronik 03 Paź 2021 10:56 2406 38
  • #1 19637756
    minitronik
    Poziom 10  
    Witam Wszystkich!
    Potrzebuję zrobić impulsator jak na załączonym foto. W technice cyfrowej to by wyszło dość duże na przynajmniej kilku scalakach. Pomyślałem, że może zrobić to na układzie programowalnym, ale moja wiedza w tym temacie jest kiepska, a choć jestem elektronikiem - to na starość nie zamierzam się uczyć pisania programów.
    Zasada jest taka, że ma być w pojedynczym cyklu 56 impulsów H z wypełnieniem ok.65 - 70%, następnie poziom L równy 4 impulsom H. Następnie cykl zaczyna się od nowa i tak w koło. Częstotliwość ok.1 - 3 kHz.
    Interesowała by mnie pomoc polegająca co najmniej na zaprogramowanym scalaku ze schematem lub na gotowej płytce. Warunki zasilania jak i obciążenie wyjścia - sam dorobię. Oczywiście pomoc nie charytatywna. Nie wykluczam dłuższej współpracy, o jak układ spełni oczekiwania - będę potrzebował ich dużo więcej. Kwestia dogadania się.
    Zatem czekam na info od Was i pozdrawiam !
  • Pomocny post
    #2 19637913
    excray
    Poziom 41  
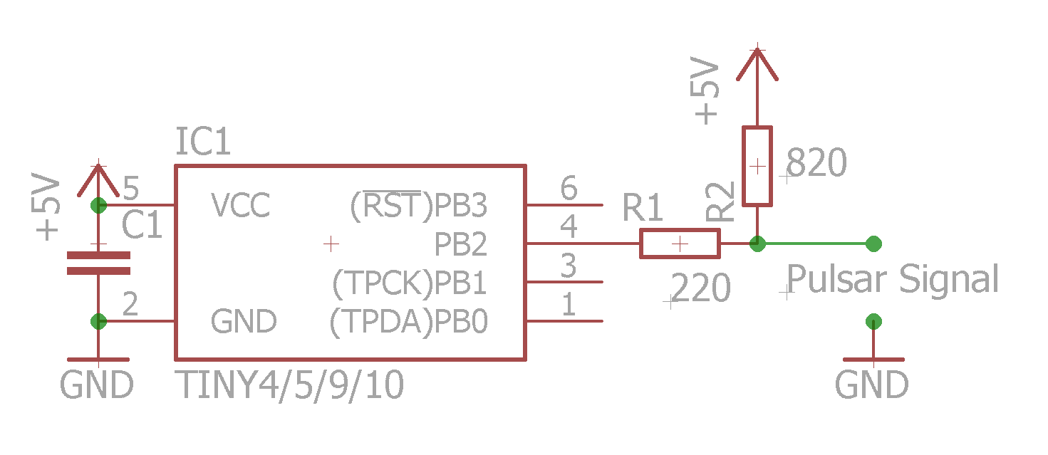
    W zupełności powinno wystarczyć jakieś Attiny 4:
    Jak zrobić generator ciągu impulsów
    Sygnał z tego co widzę jest w zakresie 1-5V. Jeśli wymagane jest wyjście z większą wydajnością prądową, to trzeba tam jeszcze dać jakiś opamp, albo prosty wzmacniacz. Przebieg jaki chcesz uzyskać na wyjściu to jest ten górny? Czy dolny? Dobrze by było jakbyś podał czas trwania stanów H i L w przebiegu.

    Dodano po 11 [minuty]:

    EDIT> Jakaś dziwna matematyka jest na tym opisie. 30+56*6 to nijak mi nie wychodzi 360.
  • Pomocny post
    #3 19637958
    tmf
    VIP Zasłużony dla elektroda
    @minitronik Najprostszy procesor - podajesz na wejście timera te impulsy, programujesz timer tak, że po zliczneiu do 56 generuje przerwanie zmieniające stan wyjścia na niski - do tego służy rejestr compare w timerach. Drugi taki rejestr programujesz na 4 i przerwanie z tego zdarzenia compare wystawia stan wysoki. Ot i cały program. W sumie na dyskretnych układach cyfrowych też nie problem to zrobić. Ze 4 scalaki TTL?
  • #4 19638111
    minitronik
    Poziom 10  
    excray napisał:
    W zupełności powinno wystarczyć jakieś Attiny 4:
    Jak zrobić generator ciągu impulsów
    Sygnał z tego co widzę jest w zakresie 1-5V. Jeśli wymagane jest wyjście z większą wydajnością prądową, to trzeba tam jeszcze dać jakiś opamp, albo prosty wzmacniacz. Przebieg jaki chcesz uzyskać na wyjściu to jest ten górny? Czy dolny? Dobrze by było jakbyś podał czas trwania stanów H i L w przebiegu.

    Dodano po 11 [minuty]:

    EDIT> Jakaś dziwna matematyka jest na tym opisie. 30+56*6 to nijak mi nie wychodzi 360.



    Mnie też z tej matematyki nic nie wyszło konkretnego, ale myślę że to "błąd dopuszczalny", czyli nazwijmy to tolerancją...
    Może dla uproszczenia sprawdził bym, czy będzie działało przy wypełnieniu 50%. W takiej sytuacji przy częstotliwości 1 kHz przebiegi powinny mieć po 0,5ms, przy 2 kHz odpowiednio po 0,25 ms etc. Oczywiście interesuje mnie przebieg napięciowy, czyli dolny.

    Dodano po 2 [minuty]:

    tmf napisał:
    @minitronik Najprostszy procesor - podajesz na wejście timera te impulsy, programujesz timer tak, że po zliczneiu do 56 generuje przerwanie zmieniające stan wyjścia na niski - do tego służy rejestr compare w timerach. Drugi taki rejestr programujesz na 4 i przerwanie z tego zdarzenia compare wystawia stan wysoki. Ot i cały program. W sumie na dyskretnych układach cyfrowych też nie problem to zrobić. Ze 4 scalaki TTL?


    Tak, zgadzam się z Tobą. Jednak chcąc zminimalizować płytkę wolał bym zrobić to na jednej kości.
  • Pomocny post
    #5 19638146
    inot
    Poziom 35  
    Cytat:
    Najprostszy procesor - podajesz na wejście timera te impulsy, programujesz timer tak, że po zliczneiu do 56 generuje przerwanie zmieniające stan wyjścia na niski - do tego służy rejestr compare w timerach. Drugi taki rejestr programujesz na 4 i przerwanie z tego zdarzenia compare wystawia stan wysoki. Ot i cały program

    Można jeszcze prościej, bez użycia przerwań.
    Pętla programu zliczająca do 120, w zakresie 0 do 111 zmieniająca stan wyjścia
    a następnie czyli w zakresie 112 do 120 utrzymująca stan L na wyjściu.
  • Pomocny post
    #6 19638151
    tmf
    VIP Zasłużony dla elektroda
    minitronik napisał:
    Może dla uproszczenia sprawdził bym, czy będzie działało przy wypełnieniu 50%. W takiej sytuacji przy częstotliwości 1 kHz przebiegi powinny mieć po 0,5ms, przy 2 kHz odpowiednio po 0,25 ms etc.

    Przy szybkości współczesnych MCU wypełnienie nie będzie tu problemem.
    Wybierz jakiś np. AVR, tóry by ci pasował, przejrzyj jego notę pod kątem dostępności timera z dwoma kanałami capture (najlepiej), spróbuj to zrobić zgodnie ze wskazówkami, Jak będziesz miał problem to opisz co masz i się pomoże.
  • Pomocny post
    #7 19639163
    excray
    Poziom 41  
    minitronik napisał:
    Mnie też z tej matematyki nic nie wyszło konkretnego, ale myślę że to "błąd dopuszczalny", czyli nazwijmy to tolerancją...
    Może dla uproszczenia sprawdził bym, czy będzie działało przy wypełnieniu 50%. W takiej sytuacji przy częstotliwości 1 kHz przebiegi powinny mieć po 0,5ms, przy 2 kHz odpowiednio po 0,25 ms etc. Oczywiście interesuje mnie przebieg napięciowy, czyli dolny.

    Ok, czyli 1kHz, to częstotliwość tego wewnętrznego prostokątnego przebiegu, a nie całej ramki.
    Coś takiego powinno wystarczyć:
    Kod: C / C++
    Zaloguj się, aby zobaczyć kod


    GENR.hex Download (300 bajtów)
  • #9 19639957
    minitronik
    Poziom 10  
    tmf napisał:
    minitronik napisał:
    Może dla uproszczenia sprawdził bym, czy będzie działało przy wypełnieniu 50%. W takiej sytuacji przy częstotliwości 1 kHz przebiegi powinny mieć po 0,5ms, przy 2 kHz odpowiednio po 0,25 ms etc.

    Przy szybkości współczesnych MCU wypełnienie nie będzie tu problemem.
    Wybierz jakiś np. AVR, tóry by ci pasował, przejrzyj jego notę pod kątem dostępności timera z dwoma kanałami capture (najlepiej), spróbuj to zrobić zgodnie ze wskazówkami, Jak będziesz miał problem to opisz co masz i się pomoże.



    Dziękuję bardzo Wszystkim Wam za pomoc! Jednak tak jak napisałem interesuje mnie przynajmniej gotowy, zaprogramowany układ ze schematem aplikacji. Resztę zrobię sam, bo muszę dopracować zasilanie i parametry wyjścia. Nie mam czasu na kombinowanie z kością która trzeba zaprogramować, bo ani wystarczającej wiedzy, ani programatora. Czyli musiał bym zaczynać od przysłowiowego zera, a no to naprawdę nie mam obecnie czasu. Reszta to dla mnie pestka, bo niemal 40 lat siedzę w tym temacie i nie sprawia mi to żadnego problemu. Czyli jak będę miał układ to reszta zajmie w przypadku prototypu góra godzinę czasu i będę mógł testować w realnym zastosowaniu.
  • #10 19639993
    inot
    Poziom 35  
    Przecież gotową płytkę można nabyć tak jak kolega Janusz_kk napisał.
    Nie potrzeba żadnego programatora, wystarczy zainstalować Arduino i programuje się za pomocą portu szeregowego ( albo adapteru USB).
    Chyba nie oczekujesz, że ktoś zrobi gotową płytkę.
    Wystarczy ,że uprzejmi koledzy zaproponowali już wykonania gotowego programu.
  • #11 19640034
    minitronik
    Poziom 10  
    inot napisał:
    Przecież gotową płytkę można nabyć tak jak kolega Janusz_kk napisał.
    Nie potrzeba żadnego programatora, wystarczy zainstalować Arduino i programuje się za pomocą portu szeregowego ( albo adapteru USB).
    Chyba nie oczekujesz, że ktoś zrobi gotową płytkę.
    Wystarczy ,że uprzejmi koledzy zaproponowali już wykonania gotowego programu.


    Z tego co widzę, chyba nie zostanie mi nic innego. Myślałem, że jak ktoś z tym robi to ma takie płytki, zainstalowany program w kompie, napisze i zaprogramuje, a później wyśle. Mnie by to urządzało, bo mogło by to trwać dużo krócej. Ale cóż, i za to Wam dziękuję !!!
  • #12 19640058
    Janusz_kk
    Poziom 38  
    minitronik napisał:
    Jednak tak jak napisałem interesuje mnie przynajmniej gotowy, zaprogramowany układ ze schematem aplikacji

    Chłopie, ogarnij się i zajrzyj w te linki co ci wysłałem, bo klepiesz w klawiaturę a nie czytasz co się do ciebie pisze.
  • #13 19640060
    minitronik
    Poziom 10  
    Janusz_kk napisał:
    Kolego kup sobie taki modeł i uruchom przykład, a potem Ci napiszę twój właściwy program.
    https://kamami.pl/wycofane-z-oferty/560002-digispark-miniaturowa-plytka-arduino.html
    http://hobbyspace.pl/digispark-konfiguracja-ide-arduino/


    Akurat na taki układ musiał bym troszkę czekać, ale znalazłem coś takiego: ITEADUINO TINY zgodne z Arduino Digispark na stronie: https://allegro.pl/oferta/iteaduino-tiny-zgod...qRb7G8WiBfHqE1A2zQDvH4gY4A9Q0WoBoCvREQAvD_BwE

    Czy on będzie się nadawał? Sprzedawca oferuje szybką wysykę.
  • #14 19640109
    Janusz_kk
    Poziom 38  
    Będzie, wygląda na to samo tylko nie ma stabilizatora czyli nie zasilisz tego np zasilaczem wtyczkowym 9V bo musisz dodać stabilizację.
    Jedynie z usb albo bezpośrednio z akumulatora litowego.

    Dodano po 1 [minuty]:

    Jak Ci przyjdzie to zainstaluj go wg manuala co ci wysłałem i uruchom.
  • #15 19640123
    minitronik
    Poziom 10  
    Janusz_kk napisał:
    Będzie, wygląda na to samo tylko nie ma stabilizatora czyli nie zasilisz tego np zasilaczem wtyczkowym 9V bo musisz dodać stabilizację.
    Jedynie z usb albo bezpośrednio z akumulatora litowego.

    Dodano po 1 [minuty]:

    Jak Ci przyjdzie to zainstaluj go wg manuala co ci wysłałem i uruchom.


    Dzięki! Już go kupuję!

    Pozdrawiam !!!
  • Pomocny post
    #16 19640831
    Janusz_kk
    Poziom 38  
    minitronik napisał:

    Dzięki! Już go kupuję!

    Pozdrawiam !!!


    Masz program,wklej go do edytora i kliknij strzałkę w prawo tak jak masz w manualu co ci podesłąłem.
    Kod: C / C++
    Zaloguj się, aby zobaczyć kod


    Dodano po 5 [minuty]:

    Masz w programie na samym początku stałą 'czas' teraz ona wynosi 250uS, tyle wynosi impuls i przerwa, długa przerwa to 4*czas, może to sobie zmieniać, tylko pamiętaj że po każdej zmianie trzeba kod skompilować i wgrać do układu.
  • #17 19642094
    minitronik
    Poziom 10  
    Janusz_kk napisał:
    minitronik napisał:

    Dzięki! Już go kupuję!

    Pozdrawiam !!!


    Masz program,wklej go do edytora i kliknij strzałkę w prawo tak jak masz w manualu co ci podesłąłem.
    Kod: C / C++
    Zaloguj się, aby zobaczyć kod


    Dodano po 5 [minuty]:

    Masz w programie na samym początku stałą 'czas' teraz ona wynosi 250uS, tyle wynosi impuls i przerwa, długa przerwa to 4*czas, może to sobie zmieniać, tylko pamiętaj że po każdej zmianie trzeba kod skompilować i wgrać do układu.




    OK! Jak tylko przyjdzie płytka i będę miał chwilkę, zacznę z tym "zabawę". Jak będę miał problem - to odezwę się. Jak mi się uda - również dam cynk.
    Pozdrawiam !!!
  • #18 19646574
    Konto nie istnieje
    Poziom 1  
  • Pomocny post
    #19 19646605
    Janusz_kk
    Poziom 38  
    emarcus napisał:
    Jest od tego EEPROM, w którym można zapamiętać zmiany konkretnych zmiennych i podczas startu (Power-UP) je odczytywać...
    - gdy tymczasem zasadniczy program pozostaje bez zmiany i nie wymaga ponownej kompilacji.
    Procedury tej można dokonywać 'w biegu' programu z poziomu monitora szeregowego.

    e marcus

    Oczywiście, to teraz kolega siada i pisze program dla 'minitronika'.
  • #20 19646850
    minitronik
    Poziom 10  
    Dzięki Panowie!
    Już kupiłem i mam, ale może zajmę się tym w niedzielę, bo na razie brak czasu. Jak pisałem - jestem niemal laikiem w tym temacie - chociaż jestem elektronikiem, ale starej daty. Było zbyt dużo roboty przez ostatnie 30 lat i brakło czasu na najnowsze technologie, a ja robiłem głównie to, na czym się dobrze znałem i zresztą jeszcze nadal to robię, a że na to jest duży zbyt - to najlepszy dowód, że wciąż nie mam na nic czasu.
    Ale do rzeczy - kupiłem i na na tym co mam - spróbuję. Ponoć nigdy nie jest za późno na naukę :)
    W każdym razie dziękuję Wam za pomoc, a co mi z tego wyjdzie - dam znać !
  • #21 19660298
    minitronik
    Poziom 10  
    Obiecałem, że dam Wam znać, jak mi idzie. Otóż walczę z komunikacją - niby widzi płytkę, ale nie identyfikuje jej jako CH340. Wywala mi w programie:
    Arduino:1.8.16 (Windows 7), Płytka:"Digispark (Default - 16.5mhz)"

    F:\Program Files\Arduino\arduino-builder -dump-prefs -logger=machine -hardware F:\Program Files\Arduino\hardware -hardware F:\Users\Nemodemo\AppData\Local\Arduino15\packages -tools F:\Program Files\Arduino\tools-builder -tools F:\Program Files\Arduino\hardware\tools\avr -tools F:\Users\Nemodemo\AppData\Local\Arduino15\packages -built-in-libraries F:\Program Files\Arduino\libraries -libraries F:\Users\Nemodemo\Documents\Arduino\libraries -fqbn=digistump:avr:digispark-tiny -vid-pid=0000_0000 -ide-version=10816 -build-path F:\Users\Nemodemo\AppData\Local\Temp\arduino_build_127617 -warnings=all -build-cache F:\Users\Nemodemo\AppData\Local\Temp\arduino_cache_340825 -prefs=build.warn_data_percentage=75 -prefs=runtime.tools.avr-gcc.path=F:\Users\Nemodemo\AppData\Local\Arduino15\packages\arduino\tools\avr-gcc\4.8.1-arduino5 -prefs=runtime.tools.avr-gcc-4.8.1-arduino5.path=F:\Users\Nemodemo\AppData\Local\Arduino15\packages\arduino\tools\avr-gcc\4.8.1-arduino5 -verbose F:\Program Files\Arduino\examples\01.Basics\Blink\Blink.ino

    F:\Program Files\Arduino\arduino-builder -compile -logger=machine -hardware F:\Program Files\Arduino\hardware -hardware F:\Users\Nemodemo\AppData\Local\Arduino15\packages -tools F:\Program Files\Arduino\tools-builder -tools F:\Program Files\Arduino\hardware\tools\avr -tools F:\Users\Nemodemo\AppData\Local\Arduino15\packages -built-in-libraries F:\Program Files\Arduino\libraries -libraries F:\Users\Nemodemo\Documents\Arduino\libraries -fqbn=digistump:avr:digispark-tiny -vid-pid=0000_0000 -ide-version=10816 -build-path F:\Users\Nemodemo\AppData\Local\Temp\arduino_build_127617 -warnings=all -build-cache F:\Users\Nemodemo\AppData\Local\Temp\arduino_cache_340825 -prefs=build.warn_data_percentage=75 -prefs=runtime.tools.avr-gcc.path=F:\Users\Nemodemo\AppData\Local\Arduino15\packages\arduino\tools\avr-gcc\4.8.1-arduino5 -prefs=runtime.tools.avr-gcc-4.8.1-arduino5.path=F:\Users\Nemodemo\AppData\Local\Arduino15\packages\arduino\tools\avr-gcc\4.8.1-arduino5 -verbose F:\Program Files\Arduino\examples\01.Basics\Blink\Blink.ino

    Using board 'digispark-tiny' from platform in folder: F:\Users\Nemodemo\AppData\Local\Arduino15\packages\digistump\hardware\avr\1.6.7

    Using core 'tiny' from platform in folder: F:\Users\Nemodemo\AppData\Local\Arduino15\packages\digistump\hardware\avr\1.6.7

    Detecting libraries used...

    "F:\\Users\\Nemodemo\\AppData\\Local\\Arduino15\\packages\\arduino\\tools\\avr-gcc\\4.8.1-arduino5/bin/avr-g++" -c -g -Os -w -fno-exceptions -ffunction-sections -fdata-sections -w -x c++ -E -CC -mmcu=attiny85 -DF_CPU=16500000L -DARDUINO=10816 -DARDUINO_AVR_DIGISPARK -DARDUINO_ARCH_AVR "-IF:\\Users\\Nemodemo\\AppData\\Local\\Arduino15\\packages\\digistump\\hardware\\avr\\1.6.7\\cores\\tiny" "-IF:\\Users\\Nemodemo\\AppData\\Local\\Arduino15\\packages\\digistump\\hardware\\avr\\1.6.7\\variants\\digispark" "F:\\Users\\Nemodemo\\AppData\\Local\\Temp\\arduino_build_127617\\sketch\\Blink.ino.cpp" -o nul

    exec: "F:\\Users\\Nemodemo\\AppData\\Local\\Arduino15\\packages\\arduino\\tools\\avr-gcc\\4.8.1-arduino5/bin/avr-g++": file does not exist

    Błąd kompilacji dla płytki Digispark (Default - 16.5mhz).

    Ale walczę dalej :( ...
  • #22 19660379
    Janusz_kk
    Poziom 38  
    minitronik napisał:
    Obiecałem, że dam Wam znać, jak mi idzie. Otóż walczę z komunikacją - niby widzi płytkę, ale nie identyfikuje jej jako CH340. Wywala mi w programie:

    I nie będzie, ona nie udaje portu. Tak jak jest na samouczku, kliknij strzałkę w lewo, jak sioę pojawi na dole czerwony napis że czeka na płytką to ją włóż do usb, po zaprogramowaniu masz takie napisy na dole w oknie:

    "Szkic używa 638 bajtów (10%) pamięci programu. Maksimum to 6012 bajtów.
    Zmienne globalne używają 9 bajtów pamięci dynamicznej.
    Running Digispark Uploader...
    Plug in device now... (will timeout in 60 seconds) -< tu czeka na płytkę

    > Please plug in the device ...
    > Press CTRL+C to terminate the program.
    > Device is found!
    connecting: 16% complete
    connecting: 22% complete
    connecting: 28% complete
    connecting: 33% complete
    > Device has firmware version 1.6
    > Available space for user applications: 6012 bytes
    > Suggested sleep time between sending pages: 8ms
    > Whole page count: 94 page size: 64
    > Erase function sleep duration: 752ms
    parsing: 50% complete
    > Erasing the memory ...
    erasing: 55% complete"
  • #23 19660527
    minitronik
    Poziom 10  
    Wróciłem do Win XP i wgrałem wersję 1.8.5.
    Konfigurację zrobiłem.
    I dalej chyba coś knocę: daję SZKIC i DODAJ PLIK. Wybieram plik który dostałem w tym temacie, czyli GENR.hex
    Na ekranie nic mi się nie zmienia i wygląda tak na na fotce 1.
    Następnie klikam SZKIC i WERYFIKUJ/KOMPILUJ
    Zrzut z ekranu 2, napis "kompilacja zakończona". W ramce programu mam:

    "C:\Program Files\Arduino\arduino-builder -compile -logger=machine -hardware C:\Program Files\Arduino\hardware -hardware C:\Documents and Settings\Administrator\Ustawienia lokalne\Dane aplikacji\Arduino15\packages -tools C:\Program Files\Arduino\tools-builder -tools C:\Program Files\Arduino\hardware\tools\avr -tools C:\Documents and Settings\Administrator\Ustawienia lokalne\Dane aplikacji\Arduino15\packages -built-in-libraries C:\Program Files\Arduino\libraries -libraries E:\Dla dysku C\Moje dokuenty\Arduino\libraries -fqbn=digistump:avr:digispark-tiny -ide-version=10805 -build-path C:\DOCUME~1\ADMINI~1\USTAWI~1\Temp\arduino_build_740263 -warnings=default -build-cache C:\DOCUME~1\ADMINI~1\USTAWI~1\Temp\arduino_cache_617041 -prefs=build.warn_data_percentage=75 -prefs=runtime.tools.micronucleus.path=C:\Documents and Settings\Administrator\Ustawienia lokalne\Dane aplikacji\Arduino15\packages\digistump\tools\micronucleus\2.0a4 -prefs=runtime.tools.avr-gcc.path=C:\Documents and Settings\Administrator\Ustawienia lokalne\Dane aplikacji\Arduino15\packages\arduino\tools\avr-gcc\4.8.1-arduino5 -verbose E:\Dla dysku C\Moje dokuenty\Arduino\sketch_oct17a\sketch_oct17a.ino
    Using board 'digispark-tiny' from platform in folder: C:\Documents and Settings\Administrator\Ustawienia lokalne\Dane aplikacji\Arduino15\packages\digistump\hardware\avr\1.6.7
    Using core 'tiny' from platform in folder: C:\Documents and Settings\Administrator\Ustawienia lokalne\Dane aplikacji\Arduino15\packages\digistump\hardware\avr\1.6.7
    Detecting libraries used...
    "C:\Documents and Settings\Administrator\Ustawienia lokalne\Dane aplikacji\Arduino15\packages\arduino\tools\avr-gcc\4.8.1-arduino5/bin/avr-g++" -c -g -Os -w -fno-exceptions -ffunction-sections -fdata-sections -w -x c++ -E -CC -mmcu=attiny85 -DF_CPU=16500000L -DARDUINO=10805 -DARDUINO_AVR_DIGISPARK -DARDUINO_ARCH_AVR "-IC:\Documents and Settings\Administrator\Ustawienia lokalne\Dane aplikacji\Arduino15\packages\digistump\hardware\avr\1.6.7\cores\tiny" "-IC:\Documents and Settings\Administrator\Ustawienia lokalne\Dane aplikacji\Arduino15\packages\digistump\hardware\avr\1.6.7\variants\digispark" "C:\DOCUME~1\ADMINI~1\USTAWI~1\Temp\arduino_build_740263\sketch\sketch_oct17a.ino.cpp" -o "nul"
    Generating function prototypes...
    "C:\Documents and Settings\Administrator\Ustawienia lokalne\Dane aplikacji\Arduino15\packages\arduino\tools\avr-gcc\4.8.1-arduino5/bin/avr-g++" -c -g -Os -w -fno-exceptions -ffunction-sections -fdata-sections -w -x c++ -E -CC -mmcu=attiny85 -DF_CPU=16500000L -DARDUINO=10805 -DARDUINO_AVR_DIGISPARK -DARDUINO_ARCH_AVR "-IC:\Documents and Settings\Administrator\Ustawienia lokalne\Dane aplikacji\Arduino15\packages\digistump\hardware\avr\1.6.7\cores\tiny" "-IC:\Documents and Settings\Administrator\Ustawienia lokalne\Dane aplikacji\Arduino15\packages\digistump\hardware\avr\1.6.7\variants\digispark" "C:\DOCUME~1\ADMINI~1\USTAWI~1\Temp\arduino_build_740263\sketch\sketch_oct17a.ino.cpp" -o "C:\DOCUME~1\ADMINI~1\USTAWI~1\Temp\arduino_build_740263\preproc\ctags_target_for_gcc_minus_e.cpp"
    "C:\Program Files\Arduino\tools-builder\ctags\5.8-arduino11/ctags" -u --language-force=c++ -f - --c++-kinds=svpf --fields=KSTtzns --line-directives "C:\DOCUME~1\ADMINI~1\USTAWI~1\Temp\arduino_build_740263\preproc\ctags_target_for_gcc_minus_e.cpp"
    Kompilowanie szkicu...
    "C:\Documents and Settings\Administrator\Ustawienia lokalne\Dane aplikacji\Arduino15\packages\arduino\tools\avr-gcc\4.8.1-arduino5/bin/avr-g++" -c -g -Os -w -fno-exceptions -ffunction-sections -fdata-sections -MMD -mmcu=attiny85 -DF_CPU=16500000L -DARDUINO=10805 -DARDUINO_AVR_DIGISPARK -DARDUINO_ARCH_AVR "-IC:\Documents and Settings\Administrator\Ustawienia lokalne\Dane aplikacji\Arduino15\packages\digistump\hardware\avr\1.6.7\cores\tiny" "-IC:\Documents and Settings\Administrator\Ustawienia lokalne\Dane aplikacji\Arduino15\packages\digistump\hardware\avr\1.6.7\variants\digispark" "C:\DOCUME~1\ADMINI~1\USTAWI~1\Temp\arduino_build_740263\sketch\sketch_oct17a.ino.cpp" -o "C:\DOCUME~1\ADMINI~1\USTAWI~1\Temp\arduino_build_740263\sketch\sketch_oct17a.ino.cpp.o"
    Compiling libraries...
    Compiling core...
    Użycie wcześniej skompilowanego pliku: C:\DOCUME~1\ADMINI~1\USTAWI~1\Temp\arduino_build_740263\core\pins_arduino.c.o
    Using precompiled core
    Linking everything together...
    "C:\Documents and Settings\Administrator\Ustawienia lokalne\Dane aplikacji\Arduino15\packages\arduino\tools\avr-gcc\4.8.1-arduino5/bin/avr-gcc" -Os -Wl,--gc-sections -mmcu=attiny85 -o "C:\DOCUME~1\ADMINI~1\USTAWI~1\Temp\arduino_build_740263/sketch_oct17a.ino.elf" "C:\DOCUME~1\ADMINI~1\USTAWI~1\Temp\arduino_build_740263\sketch\sketch_oct17a.ino.cpp.o" "C:\DOCUME~1\ADMINI~1\USTAWI~1\Temp\arduino_build_740263\core\pins_arduino.c.o" "C:\DOCUME~1\ADMINI~1\USTAWI~1\Temp\arduino_cache_617041\core\core_digistump_avr_digispark-tiny_08e21323ad2d40907c7aabf0239dccce.a" "-LC:\DOCUME~1\ADMINI~1\USTAWI~1\Temp\arduino_build_740263" -lm
    "C:\Documents and Settings\Administrator\Ustawienia lokalne\Dane aplikacji\Arduino15\packages\arduino\tools\avr-gcc\4.8.1-arduino5/bin/avr-objcopy" -O ihex -j .eeprom --set-section-flags=.eeprom=alloc,load --no-change-warnings --change-section-lma .eeprom=0 "C:\DOCUME~1\ADMINI~1\USTAWI~1\Temp\arduino_build_740263/sketch_oct17a.ino.elf" "C:\DOCUME~1\ADMINI~1\USTAWI~1\Temp\arduino_build_740263/sketch_oct17a.ino.eep"
    "C:\Documents and Settings\Administrator\Ustawienia lokalne\Dane aplikacji\Arduino15\packages\arduino\tools\avr-gcc\4.8.1-arduino5/bin/avr-objcopy" -O ihex -R .eeprom "C:\DOCUME~1\ADMINI~1\USTAWI~1\Temp\arduino_build_740263/sketch_oct17a.ino.elf" "C:\DOCUME~1\ADMINI~1\USTAWI~1\Temp\arduino_build_740263/sketch_oct17a.ino.hex"
    Szkic używa 302 bajtów (5%) pamięci programu. Maksimum to 6012 bajtów.
    Zmienne globalne używają 9 bajtów pamięci dynamicznej."

    Teraz klikam SZKIC i WGRAJ. Wychodzi jak na fotce 3.
    Wkładam płytkę do USB i czy wciskam czy nie klawisze CTRL i C - nie ma różnicy.
    Otrzymuję komunikat : Device search timed out - fotka 4.

    Co robię nie tak? Sam już się w tym pogubiłem :(

    Strzałki w lewo o której pisałeś - nie mam na ekranie. Próbowałem na klawiaturze, ale nic nie daje. Jestem ogłupiały.
  • #24 19660582
    inot
    Poziom 35  
    Cytat:
    daję SZKIC i DODAJ PLIK. Wybieram plik który dostałem w tym temacie, czyli GENR.hex


    Arduino nie akceptuje plików typu HEX ,tylko sam je generuje z projektu.
    Obecnie masz (widać na zdjęciach) nowy pusty projekt "sketch_oct17a" i należy go wypełnić kodem tak jak pokazuje post #16.
  • #25 19660670
    minitronik
    Poziom 10  
    I tak zrobiłem, ale czy dobrze? Wykasowałem to co miałem na ekranie i wkleiłem całość z #16. Program wywalił mi coś takiego:
    "Arduino:1.8.5 (Windows 7), Płytka:"Arduino/Genuino Uno"

    F:\Program Files (x86)\Arduino\arduino-builder -dump-prefs -logger=machine -hardware F:\Program Files (x86)\Arduino\hardware -tools F:\Program Files (x86)\Arduino\tools-builder -tools F:\Program Files (x86)\Arduino\hardware\tools\avr -built-in-libraries F:\Program Files (x86)\Arduino\libraries -libraries F:\Users\Automat\Documents\Arduino\libraries -fqbn=arduino:avr:uno -ide-version=10805 -build-path F:\Users\Automat\AppData\Local\Temp\arduino_build_912081 -warnings=default -build-cache F:\Users\Automat\AppData\Local\Temp\arduino_cache_483244 -prefs=build.warn_data_percentage=75 -prefs=runtime.tools.arduinoOTA.path=F:\Program Files (x86)\Arduino\hardware\tools\avr -prefs=runtime.tools.avrdude.path=F:\Program Files (x86)\Arduino\hardware\tools\avr -prefs=runtime.tools.avr-gcc.path=F:\Program Files (x86)\Arduino\hardware\tools\avr -verbose F:\Users\Automat\Documents\Arduino\Generator\Generator.ino
    F:\Program Files (x86)\Arduino\arduino-builder -compile -logger=machine -hardware F:\Program Files (x86)\Arduino\hardware -tools F:\Program Files (x86)\Arduino\tools-builder -tools F:\Program Files (x86)\Arduino\hardware\tools\avr -built-in-libraries F:\Program Files (x86)\Arduino\libraries -libraries F:\Users\Automat\Documents\Arduino\libraries -fqbn=arduino:avr:uno -ide-version=10805 -build-path F:\Users\Automat\AppData\Local\Temp\arduino_build_912081 -warnings=default -build-cache F:\Users\Automat\AppData\Local\Temp\arduino_cache_483244 -prefs=build.warn_data_percentage=75 -prefs=runtime.tools.arduinoOTA.path=F:\Program Files (x86)\Arduino\hardware\tools\avr -prefs=runtime.tools.avrdude.path=F:\Program Files (x86)\Arduino\hardware\tools\avr -prefs=runtime.tools.avr-gcc.path=F:\Program Files (x86)\Arduino\hardware\tools\avr -verbose F:\Users\Automat\Documents\Arduino\Generator\Generator.ino
    Using board 'uno' from platform in folder: F:\Program Files (x86)\Arduino\hardware\arduino\avr
    Using core 'arduino' from platform in folder: F:\Program Files (x86)\Arduino\hardware\arduino\avr
    Detecting libraries used...
    "F:\Program Files (x86)\Arduino\hardware\tools\avr/bin/avr-g++" -c -g -Os -w -std=gnu++11 -fpermissive -fno-exceptions -ffunction-sections -fdata-sections -fno-threadsafe-statics -flto -w -x c++ -E -CC -mmcu=atmega328p -DF_CPU=16000000L -DARDUINO=10805 -DARDUINO_AVR_UNO -DARDUINO_ARCH_AVR "-IF:\Program Files (x86)\Arduino\hardware\arduino\avr\cores\arduino" "-IF:\Program Files (x86)\Arduino\hardware\arduino\avr\variants\standard" "F:\Users\Automat\AppData\Local\Temp\arduino_build_912081\sketch\Generator.ino.cpp" -o "nul"
    Generating function prototypes...
    "F:\Program Files (x86)\Arduino\hardware\tools\avr/bin/avr-g++" -c -g -Os -w -std=gnu++11 -fpermissive -fno-exceptions -ffunction-sections -fdata-sections -fno-threadsafe-statics -flto -w -x c++ -E -CC -mmcu=atmega328p -DF_CPU=16000000L -DARDUINO=10805 -DARDUINO_AVR_UNO -DARDUINO_ARCH_AVR "-IF:\Program Files (x86)\Arduino\hardware\arduino\avr\cores\arduino" "-IF:\Program Files (x86)\Arduino\hardware\arduino\avr\variants\standard" "F:\Users\Automat\AppData\Local\Temp\arduino_build_912081\sketch\Generator.ino.cpp" -o "F:\Users\Automat\AppData\Local\Temp\arduino_build_912081\preproc\ctags_target_for_gcc_minus_e.cpp"
    "F:\Program Files (x86)\Arduino\tools-builder\ctags\5.8-arduino11/ctags" -u --language-force=c++ -f - --c++-kinds=svpf --fields=KSTtzns --line-directives "F:\Users\Automat\AppData\Local\Temp\arduino_build_912081\preproc\ctags_target_for_gcc_minus_e.cpp"
    Kompilowanie szkicu...
    "F:\Program Files (x86)\Arduino\hardware\tools\avr/bin/avr-g++" -c -g -Os -std=gnu++11 -fpermissive -fno-exceptions -ffunction-sections -fdata-sections -fno-threadsafe-statics -MMD -flto -mmcu=atmega328p -DF_CPU=16000000L -DARDUINO=10805 -DARDUINO_AVR_UNO -DARDUINO_ARCH_AVR "-IF:\Program Files (x86)\Arduino\hardware\arduino\avr\cores\arduino" "-IF:\Program Files (x86)\Arduino\hardware\arduino\avr\variants\standard" "F:\Users\Automat\AppData\Local\Temp\arduino_build_912081\sketch\Generator.ino.cpp" -o "F:\Users\Automat\AppData\Local\Temp\arduino_build_912081\sketch\Generator.ino.cpp.o"
    Compiling libraries...
    Compiling core...
    Using precompiled core
    Linking everything together...
    "F:\Program Files (x86)\Arduino\hardware\tools\avr/bin/avr-gcc" -Os -g -flto -fuse-linker-plugin -Wl,--gc-sections -mmcu=atmega328p -o "F:\Users\Automat\AppData\Local\Temp\arduino_build_912081/Generator.ino.elf" "F:\Users\Automat\AppData\Local\Temp\arduino_build_912081\sketch\Generator.ino.cpp.o" "F:\Users\Automat\AppData\Local\Temp\arduino_build_912081/..\arduino_cache_483244\core\core_arduino_avr_uno_f2804fc0f911d59947c4814ba33ba090.a" "-LF:\Users\Automat\AppData\Local\Temp\arduino_build_912081" -lm
    "F:\Program Files (x86)\Arduino\hardware\tools\avr/bin/avr-objcopy" -O ihex -j .eeprom --set-section-flags=.eeprom=alloc,load --no-change-warnings --change-section-lma .eeprom=0 "F:\Users\Automat\AppData\Local\Temp\arduino_build_912081/Generator.ino.elf" "F:\Users\Automat\AppData\Local\Temp\arduino_build_912081/Generator.ino.eep"
    "F:\Program Files (x86)\Arduino\hardware\tools\avr/bin/avr-objcopy" -O ihex -R .eeprom "F:\Users\Automat\AppData\Local\Temp\arduino_build_912081/Generator.ino.elf" "F:\Users\Automat\AppData\Local\Temp\arduino_build_912081/Generator.ino.hex"
    Szkic używa 778 bajtów (2%) pamięci programu. Maksimum to 32256 bajtów.
    Zmienne globalne używają 9 bajtów (0%) pamięci dynamicznej, pozostawiając 2039 bajtów dla zmiennych lokalnych. Maksimum to 2048 bajtów.
    F:\Program Files (x86)\Arduino\hardware\tools\avr/bin/avrdude -CF:\Program Files (x86)\Arduino\hardware\tools\avr/etc/avrdude.conf -v -patmega328p -carduino -PCOM1 -b115200 -D -Uflash:w:F:\Users\Automat\AppData\Local\Temp\arduino_build_912081/Generator.ino.hex:i

    avrdude: Version 6.3, compiled on Jan 17 2017 at 12:00:53
    Copyright (c) 2000-2005 Brian Dean, http://www.bdmicro.com/
    Copyright (c) 2007-2014 Joerg Wunsch

    System wide configuration file is "F:\Program Files (x86)\Arduino\hardware\tools\avr/etc/avrdude.conf"

    Using Port : COM1
    Using Programmer : arduino
    Overriding Baud Rate : 115200
    avrdude: stk500_recv(): programmer is not responding
    avrdude: stk500_getsync() attempt 1 of 10: not in sync: resp=0x30
    avrdude: stk500_recv(): programmer is not responding
    avrdude: stk500_getsync() attempt 2 of 10: not in sync: resp=0x30
    avrdude: stk500_recv(): programmer is not responding
    avrdude: stk500_getsync() attempt 3 of 10: not in sync: resp=0x30
    avrdude: stk500_recv(): programmer is not responding
    avrdude: stk500_getsync() attempt 4 of 10: not in sync: resp=0x30
    avrdude: stk500_recv(): programmer is not responding
    avrdude: stk500_getsync() attempt 5 of 10: not in sync: resp=0x30
    avrdude: stk500_recv(): programmer is not responding
    avrdude: stk500_getsync() attempt 6 of 10: not in sync: resp=0x30
    avrdude: stk500_recv(): programmer is not responding
    avrdude: stk500_getsync() attempt 7 of 10: not in sync: resp=0x30
    avrdude: stk500_recv(): programmer is not responding
    avrdude: stk500_getsync() attempt 8 of 10: not in sync: resp=0x30
    avrdude: stk500_recv(): programmer is not responding
    avrdude: stk500_getsync() attempt 9 of 10: not in sync: resp=0x30
    avrdude: stk500_recv(): programmer is not responding
    avrdude: stk500_getsync() attempt 10 of 10: not in sync: resp=0x30

    avrdude done. Thank you.

    Problem z wgrywaniem na płytkę."

    Nie wiem, czy dobrze zrobiłem, że to wykasowałem. Może trzeba to wkleić pod dany temat: pojedyńczo lub wielokrotnie?

    Dodano po 7 [minuty]:

    Coś się zmieniło. Spróbowałem jeszcze raz i po chwili (choć menadżer sprzętu Win wywalił jakiś błąd) na płytce dioda czerwona przestała migać i świeci łącznie z zieloną światłem ciągłym. W ramce programu mam takie coś:
    F:\Program Files (x86)\Arduino\arduino-builder -dump-prefs -logger=machine -hardware F:\Program Files (x86)\Arduino\hardware -hardware F:\Users\Automat\AppData\Local\Arduino15\packages -tools F:\Program Files (x86)\Arduino\tools-builder -tools F:\Program Files (x86)\Arduino\hardware\tools\avr -tools F:\Users\Automat\AppData\Local\Arduino15\packages -built-in-libraries F:\Program Files (x86)\Arduino\libraries -libraries F:\Users\Automat\Documents\Arduino\libraries -fqbn=digistump:avr:digispark-tiny -ide-version=10805 -build-path F:\Users\Automat\AppData\Local\Temp\arduino_build_841885 -warnings=default -build-cache F:\Users\Automat\AppData\Local\Temp\arduino_cache_551787 -prefs=build.warn_data_percentage=75 -prefs=runtime.tools.micronucleus.path=F:\Users\Automat\AppData\Local\Arduino15\packages\digistump\tools\micronucleus\2.0a4 -prefs=runtime.tools.avr-gcc.path=F:\Users\Automat\AppData\Local\Arduino15\packages\arduino\tools\avr-gcc\4.8.1-arduino5 -verbose F:\Users\Automat\Documents\Arduino\Generator\Generator.ino
    F:\Program Files (x86)\Arduino\arduino-builder -compile -logger=machine -hardware F:\Program Files (x86)\Arduino\hardware -hardware F:\Users\Automat\AppData\Local\Arduino15\packages -tools F:\Program Files (x86)\Arduino\tools-builder -tools F:\Program Files (x86)\Arduino\hardware\tools\avr -tools F:\Users\Automat\AppData\Local\Arduino15\packages -built-in-libraries F:\Program Files (x86)\Arduino\libraries -libraries F:\Users\Automat\Documents\Arduino\libraries -fqbn=digistump:avr:digispark-tiny -ide-version=10805 -build-path F:\Users\Automat\AppData\Local\Temp\arduino_build_841885 -warnings=default -build-cache F:\Users\Automat\AppData\Local\Temp\arduino_cache_551787 -prefs=build.warn_data_percentage=75 -prefs=runtime.tools.micronucleus.path=F:\Users\Automat\AppData\Local\Arduino15\packages\digistump\tools\micronucleus\2.0a4 -prefs=runtime.tools.avr-gcc.path=F:\Users\Automat\AppData\Local\Arduino15\packages\arduino\tools\avr-gcc\4.8.1-arduino5 -verbose F:\Users\Automat\Documents\Arduino\Generator\Generator.ino
    Using board 'digispark-tiny' from platform in folder: F:\Users\Automat\AppData\Local\Arduino15\packages\digistump\hardware\avr\1.6.7
    Using core 'tiny' from platform in folder: F:\Users\Automat\AppData\Local\Arduino15\packages\digistump\hardware\avr\1.6.7
    Detecting libraries used...
    "F:\Users\Automat\AppData\Local\Arduino15\packages\arduino\tools\avr-gcc\4.8.1-arduino5/bin/avr-g++" -c -g -Os -w -fno-exceptions -ffunction-sections -fdata-sections -w -x c++ -E -CC -mmcu=attiny85 -DF_CPU=16500000L -DARDUINO=10805 -DARDUINO_AVR_DIGISPARK -DARDUINO_ARCH_AVR "-IF:\Users\Automat\AppData\Local\Arduino15\packages\digistump\hardware\avr\1.6.7\cores\tiny" "-IF:\Users\Automat\AppData\Local\Arduino15\packages\digistump\hardware\avr\1.6.7\variants\digispark" "F:\Users\Automat\AppData\Local\Temp\arduino_build_841885\sketch\Generator.ino.cpp" -o "nul"
    Generating function prototypes...
    "F:\Users\Automat\AppData\Local\Arduino15\packages\arduino\tools\avr-gcc\4.8.1-arduino5/bin/avr-g++" -c -g -Os -w -fno-exceptions -ffunction-sections -fdata-sections -w -x c++ -E -CC -mmcu=attiny85 -DF_CPU=16500000L -DARDUINO=10805 -DARDUINO_AVR_DIGISPARK -DARDUINO_ARCH_AVR "-IF:\Users\Automat\AppData\Local\Arduino15\packages\digistump\hardware\avr\1.6.7\cores\tiny" "-IF:\Users\Automat\AppData\Local\Arduino15\packages\digistump\hardware\avr\1.6.7\variants\digispark" "F:\Users\Automat\AppData\Local\Temp\arduino_build_841885\sketch\Generator.ino.cpp" -o "F:\Users\Automat\AppData\Local\Temp\arduino_build_841885\preproc\ctags_target_for_gcc_minus_e.cpp"
    "F:\Program Files (x86)\Arduino\tools-builder\ctags\5.8-arduino11/ctags" -u --language-force=c++ -f - --c++-kinds=svpf --fields=KSTtzns --line-directives "F:\Users\Automat\AppData\Local\Temp\arduino_build_841885\preproc\ctags_target_for_gcc_minus_e.cpp"
    Kompilowanie szkicu...
    "F:\Users\Automat\AppData\Local\Arduino15\packages\arduino\tools\avr-gcc\4.8.1-arduino5/bin/avr-g++" -c -g -Os -w -fno-exceptions -ffunction-sections -fdata-sections -MMD -mmcu=attiny85 -DF_CPU=16500000L -DARDUINO=10805 -DARDUINO_AVR_DIGISPARK -DARDUINO_ARCH_AVR "-IF:\Users\Automat\AppData\Local\Arduino15\packages\digistump\hardware\avr\1.6.7\cores\tiny" "-IF:\Users\Automat\AppData\Local\Arduino15\packages\digistump\hardware\avr\1.6.7\variants\digispark" "F:\Users\Automat\AppData\Local\Temp\arduino_build_841885\sketch\Generator.ino.cpp" -o "F:\Users\Automat\AppData\Local\Temp\arduino_build_841885\sketch\Generator.ino.cpp.o"
    Compiling libraries...
    Compiling core...
    Użycie wcześniej skompilowanego pliku: F:\Users\Automat\AppData\Local\Temp\arduino_build_841885\core\pins_arduino.c.o
    Using precompiled core
    Linking everything together...
    "F:\Users\Automat\AppData\Local\Arduino15\packages\arduino\tools\avr-gcc\4.8.1-arduino5/bin/avr-gcc" -Os -Wl,--gc-sections -mmcu=attiny85 -o "F:\Users\Automat\AppData\Local\Temp\arduino_build_841885/Generator.ino.elf" "F:\Users\Automat\AppData\Local\Temp\arduino_build_841885\sketch\Generator.ino.cpp.o" "F:\Users\Automat\AppData\Local\Temp\arduino_build_841885\core\pins_arduino.c.o" "F:\Users\Automat\AppData\Local\Temp\arduino_cache_551787\core\core_digistump_avr_digispark-tiny_bcfed25a1d7bd902996f26b0c45ee955.a" "-LF:\Users\Automat\AppData\Local\Temp\arduino_build_841885" -lm
    "F:\Users\Automat\AppData\Local\Arduino15\packages\arduino\tools\avr-gcc\4.8.1-arduino5/bin/avr-objcopy" -O ihex -j .eeprom --set-section-flags=.eeprom=alloc,load --no-change-warnings --change-section-lma .eeprom=0 "F:\Users\Automat\AppData\Local\Temp\arduino_build_841885/Generator.ino.elf" "F:\Users\Automat\AppData\Local\Temp\arduino_build_841885/Generator.ino.eep"
    "F:\Users\Automat\AppData\Local\Arduino15\packages\arduino\tools\avr-gcc\4.8.1-arduino5/bin/avr-objcopy" -O ihex -R .eeprom "F:\Users\Automat\AppData\Local\Temp\arduino_build_841885/Generator.ino.elf" "F:\Users\Automat\AppData\Local\Temp\arduino_build_841885/Generator.ino.hex"
    Szkic używa 638 bajtów (10%) pamięci programu. Maksimum to 6012 bajtów.
    Zmienne globalne używają 9 bajtów pamięci dynamicznej.
    F:\Users\Automat\AppData\Local\Arduino15\packages\digistump\tools\micronucleus\2.0a4/launcher -cdigispark --timeout 60 -Uflash:w:F:\Users\Automat\AppData\Local\Temp\arduino_build_841885/Generator.ino.hex:i
    Running Digispark Uploader...
    Plug in device now... (will timeout in 60 seconds)
    > Please plug in the device ...
    > Press CTRL+C to terminate the program.
    > Device is found!
    connecting: 16% complete
    connecting: 22% complete
    connecting: 28% complete
    connecting: 33% complete
    > Device has firmware version 2.2
    > Device signature: 0x1e930b
    > Available space for user applications: 6522 bytes
    > Suggested sleep time between sending pages: 7ms
    > Whole page count: 102 page size: 64
    > Erase function sleep duration: 714ms
    parsing: 50% complete
    > Erasing the memory ...
    erasing: 55% complete
    erasing: 60% complete
    erasing: 65% complete
    > Starting to upload ...
    writing: 70% complete
    writing: 75% complete
    writing: 80% complete
    > Starting the user app ...
    running: 100% complete
    >> Micronucleus done. Thank you!"

    Czyli chyba wyszło :)
    Jest jakaś metoda programowego sprawdzenia poprawności? Np zgrania tego ze scalaka i porównania z zapisem wprogramowanego tekstu?
  • #26 19660704
    Janusz_kk
    Poziom 38  
    minitronik napisał:
    Czyli chyba wyszło
    Jest jakaś metoda programowego sprawdzenia poprawności? Np zgrania tego ze scalaka i porównania z zapisem wprogramowanego tekstu?

    Po co? wsadz płytką do usb i zobacz czy na wyjściu są impulsy na PB1
  • #27 19660709
    minitronik
    Poziom 10  
    To sprawdzę jutro, bo nie mam w domu oscyloskopu. Dam cynk co wyszło, a na razie serdeczne dzięki za pomoc !!!!
  • #28 19660770
    Janusz_kk
    Poziom 38  
    Podłącz do PB1 diodę świecącą z opornikiem np 1k raz do plusa raz do masy i zobacz czy świeci, powinna w obu świecić, pamiętaj o polaryzacji diody (obracasz diodę).
  • #29 19660815
    minitronik
    Poziom 10  
    @Janusz_kk
    Pojechałem specjalnie po oscyloskop i działa. Zrobiłem to na szybkiego na małym "ręczniaku", ale widać dobrze.
    Teraz jeszcze dorobię zasilanie i klucz na wyjściu - później w maszynie wyjdzie wszystko. Mam nadzieję, że będzie OK.
    Pozdrawiam !!!

    Jak zrobić generator ciągu impulsów
  • #30 19660818
    Janusz_kk
    Poziom 38  
    No widzisz jakie to proste :) a teraz pomyśl ile byś musiał się nakombinować żeby to samo zrobić na cmos-ach :)

Podsumowanie tematu

Użytkownik poszukiwał pomocy w stworzeniu generatora impulsów, który miał generować 56 impulsów H z wypełnieniem 65-70% oraz 4 impulsy L, przy częstotliwości 1-3 kHz. W odpowiedziach zasugerowano użycie mikrokontrolera, takiego jak Attiny lub Arduino, oraz przedstawiono różne metody programowania, w tym wykorzystanie timerów. Użytkownik zdecydował się na zakup płytki Digispark, a po kilku próbach z programowaniem udało mu się uzyskać pożądany sygnał impulsowy. W dyskusji podkreślono zalety programowania w porównaniu do tradycyjnych układów cyfrowych oraz znaczenie nauki nowych technologii w elektronice.
Podsumowanie wygenerowane przez model językowy.
REKLAMA