Z góry przepraszam jeśli wybrałem zły dział, jestem tutaj nowicjuszem
Mam pewien problem, Od niedawna zauważyłem, że wentylator chłodnicy nie uruchamia się po tym jak silnik osiąga wysoką temperaturę
Sprawdziłem sam wentylator i okazało się, że jest sprawny, czujnik temperatury również jest sprawny. Niestety reszta okablowania jest schowana głęboko pod maską i nie nawet dokładnie gdzie idą te przewody. więc chciałbym awaryjnie podłączyć ten sam wentylator pod włącznik z kabiny, omijając czujnik temperatury i resztę zabawek które są tam podpięte.
Znalazłem przełącznik 5-pinowy, który był wpięty w miejsce II biegu wentylatora w skrzynce bezpieczników i chciałbym go wykorzystać do mojej "nowej instalacji"
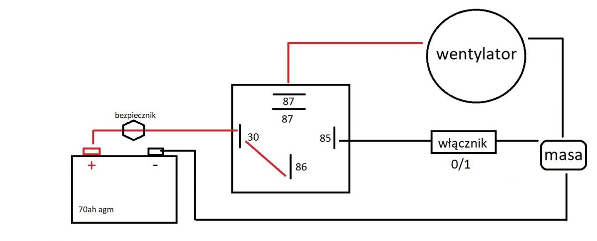
zrobiłem pewien schemat (o ile można to tak nazwać), który załączam, i podłączyłem wszystko pod stary akumulator, okazało się, że w przełączniku słychać kliknięcie i wentylator się załącza. Zrobiłem wszystko tak jak na schemacie, oprócz wyłącznika, którego po prostu na chwilę obecną nie mam.Po prostu przewód który miał iść do włącznika podłączyłem od razu do masy
Pomimo tego, że wszystko niby działa, nasuwa mi się pytanie czy jest to zrobione poprawnie? Jakiego okablowania użyć do tego typu przeróbki? Oraz jakiego bezpiecznika użyć i w którym miejscu najlepiej go wstawić? Czy typ włącznika ma znaczenie? Czy będzie działał zwykły przełącznik 0/1?
Z góry dziękuję za wszelkie porady bardziej doświadczonych, tak jak mówiłem, jestem nowicjuszem zarówno na forum jak i w tematach elektryki samochodowej
