logo elektroda
logo elektroda
X
logo elektroda
REKLAMA
REKLAMA
Adblock/uBlockOrigin/AdGuard mogą powodować znikanie niektórych postów z powodu nowej reguły.

HPC3022 - Bi-directional Photo-Thyristor Output Optocoupler - pinout/test ?

LUCOM 20 Paź 2021 12:47 417 3
REKLAMA
  • #1 19665304
    LUCOM
    VIP Zasłużony dla elektroda
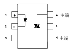
    Czy posiada ktoś pełny datasheet z opisem pinoutów potrzebny do sprawdzenia tego elementu ?
  • REKLAMA
  • REKLAMA
  • #3 19665338
    LUCOM
    VIP Zasłużony dla elektroda
    ten właśnie posiadam.

    Ale dopytam, czy mogę go przetestować podobnie jak MOC3022 czyli na diodę napięcie przez rezystor z baterii 1-3V, a na tyrystor zasilanie kilka woltów + dioda LED ?

    Podaję krótko napięcie na diodę opto i zapala się LED i musi świecić.

    HPC3022 - Bi-directional Photo-Thyristor Output Optocoupler - pinout/test ?
  • #4 19665364
    Pedros050
    Poziom 43  
    Nie robiłem takich eksperymentów ale nie zaszkodzi spróbować.
REKLAMA