logo elektroda
logo elektroda
X
logo elektroda
Adblock/uBlockOrigin/AdGuard mogą powodować znikanie niektórych postów z powodu nowej reguły.

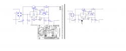
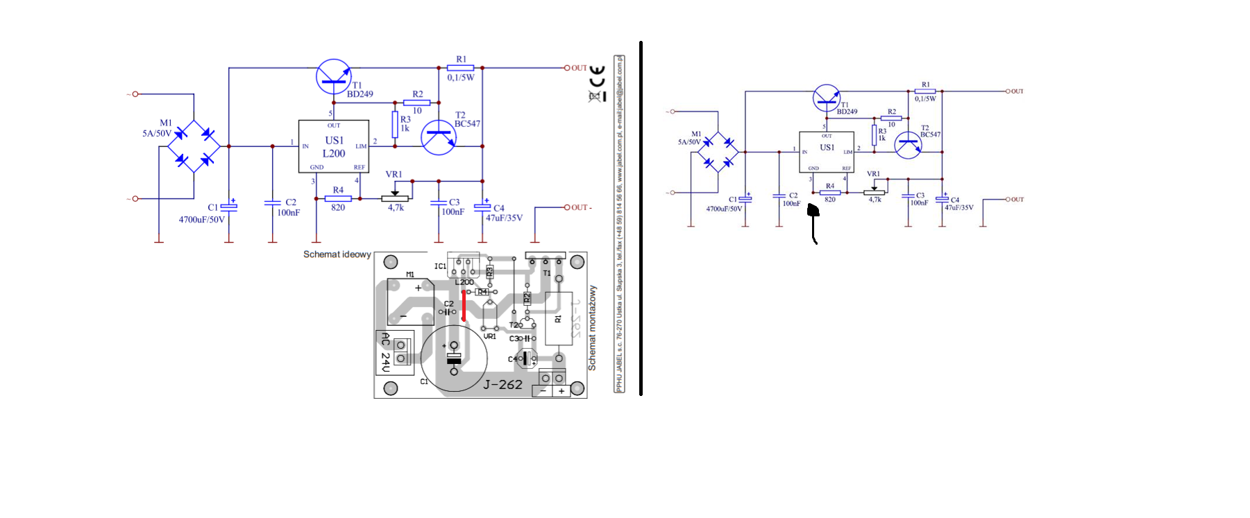
Analiza porównawcza schematów zasilacza regulowanego 3-25V/5A (J-262): działający vs niesprawny

szepelaaaak 29 Paź 2021 20:44 522 6
  • #1 19680859
    szepelaaaak
    Poziom 2  
    Cześć!

    Potrzebuje pomocy z rozwiązaniem zadnia. Poniżej dwa schematy, po lewej stronie z działającym zasilaczem po prawej z nie działającym. Jaka jest przyczyna patrząc jedynie na schemat. ( czarna strzałka jest dorysowana przeze mnie) :)

    Dziękuje za pomoc!

    Analiza porównawcza schematów zasilacza regulowanego 3-25V/5A (J-262): działający vs niesprawny
  • Pomocny post
    #2 19680869
    HD-VIDEO
    Poziom 43  
    Brak zasilania układu scalonego; brak masy
  • #3 19680894
    gumisie
    Poziom 43  
    szepelaaaak napisał:
    Potrzebuje pomocy z rozwiązaniem zadnia.
    Jakiegoś do szkoły?
    Czerwona zwora na PCB.
    Analiza porównawcza schematów zasilacza regulowanego 3-25V/5A (J-262): działający vs niesprawny
  • #4 19680899
    szepelaaaak
    Poziom 2  
    gumisie napisał:
    szepelaaaak napisał:
    Potrzebuje pomocy z rozwiązaniem zadnia.
    Jakiegoś do szkoły?
    Czerwona zwora na PCB.
    Analiza porównawcza schematów zasilacza regulowanego 3-25V/5A (J-262): działający vs niesprawny


    Można powiedzieć, że do szkoły. Nie znam się kompletnie na elektronice niestety. Jak byś miał na chłopski rozum opisać, czemu ten drugi schemat nie będzie działał?
  • #5 19680929
    gumisie
    Poziom 43  
    szepelaaaak napisał:
    Jak byś miał na chłopski rozum opisać, czemu ten drugi schemat nie będzie działał?
    Odpowiedź otrzymałeś w #2 (brak GND na pin.3 LM200).
  • #6 19680931
    HD-VIDEO
    Poziom 43  
    Brak masy układu scalonego; nie będzie działać blok źródła prądowego, napięcia odniesienia 2,77V czy zabezpieczenia termicznego.
  • #7 19680947
    gumisie
    Poziom 43  
    szepelaaaak napisał:
    Można powiedzieć, że do szkoły.
    Warto zaznajomić się z ds. tego układu scalonego.
REKLAMA