Ceny energii w ostatnim czasie mocno poszły w górę a w ciągu ostatnich kilku lat podwyżki choć minimalne okazały się znaczące. Rządowe programy promujące fotowoltaikę stają się coraz mniej korzystne dla osób które w nie zainwestowały i w zasadzie nikt nie wie jak to dalej się potoczy. Od jakiegoś czasu chodziło mi po głowie zbudowanie swojego systemu PV choć warunki na jego zabudowę mam raczej niezbyt dobre. Testując w zeszłym roku ten zestaw "zaraziłem" się pozyskiwaniem energii ze słońca
. Jednak lokalizacja a przede wszystkim finanse oraz pewne problemy fizyczne spowodowały że na jakiś czas własny system PV pozostawał w mojej sferze marzeń
. W między czasie zostałem poproszony o zaprojektowanie i uruchomienie kilku instalacji PV pracujących w systemie Off-grid (bez połączenia z siecią energetyczną) zapewniających zasilanie dla domków letniskowych położonych na odludziu z raczej nieprzewidywalnym terminem przyłączenia do sieci energetycznej. Ponieważ jako dodatkowe wyposażenie tych instalacji wykorzystałem mierniki energii DDM15S i jeden egzemplarz mi został to zamontowałem go w rozdzielnicy mojego "Lab'u".
Po około miesiącu porównałem wskazania DDM15S z głównym licznikiem energii i wynik mnie zaszokował! Blisko 2/3 zużycia pochłania mój warsztat! Życie jak wiadomo różowe nie jest i każda możliwa oszczędność się liczy. Ponieważ od dłuższego już czasu słychać było w mediach o planowanych podwyżkach cen energii to zapadła decyzja o budowie własnego małego PV.
• Analiza potrzeb
Z racji tego że mieszkam w stosunkowo małym lokalu (około 33m²) w którym w zasadzie nie ma miejsca na rozlokowanie się ze swym warsztatem to "zagnieździłem" się w magazynie opału (garaż "blaszak") gdzie wydzieliłem część warsztatową
. "Systemowe" oświetlenie + kilka urządzeń pomocniczych ( m/n ogrzewanie) wykorzystuje 12VDC a reszta czyli PC z monitorem oraz sprzęt pomiarowo-lutowniczy używa 230VAC. Tu już na etapie przemyśleń postanowiłem że sprzęt pomiarowo-lutowniczy będzie zasilany z sieci a jedynym priorytetem będzie zasilanie z PV dla PC oraz ogrzewania ( Recenzja; Ciepło w warsztacie czyli Chiński klon Eberspacher'a D4.). Pobór mocy w/g DDM15S wynosi;
• Komputer PC + monitor 42" ~ 300÷500W (zależnie od obciążenia PC)
• Ogrzewanie ~ 50÷150W (zależnie od trybu pracy)
• Oświetlenie ~ 50W max
Ogrzewanie oraz oświetlenie jest zasilane z zasilacza CCTV 12V/10A połączonym równolegle z akumulatorem AGM 12V/7Ah. Akumulator pracuje w roli bufora gdyż nagły zanik zasilania podczas pracy ogrzewania mógłby spowodować ryzyko pożaru (rozgrzane wnętrze agregatu grzewczego) lub stopienia wewnętrznego wentylatora agregatu. Oczywiście zasilacz ma podniesione napięcie wyjściowe do 13,8V zalecane przez producenta akumulatora (przy pracy buforowej) a samo połączenie między akumulatorem a zasilaczem jest zabezpieczone bezpiecznikiem zwłocznym 5A.
Pz [moc zapotrzebowana]= ~300+50+50[min]=400W do 500+150+50=700W[max]
Oczywiście jest to całkowita moc chwilowa (w lato oraz ciepłe dni ogrzewanie nie pracuje i nie zawsze potrzebne oświetlenie) więc ciągłe obciążenie szacuję na średnio ~300W.
• Moc baterii fotowoltaicznych (paneli)
Z racji mocno ograniczonych możliwości technicznych oraz gabarytowych wybór nie był prosty. Aby mieć zapas mocy celowałem w ~700÷1000Wp. [Watopeak, kilowatopeak. Jednostka mocy stosowana w PV a określająca szczytową moc paneli]. Oczywistą rzeczą jest to że lepiej mieć nadmiar jak niedomiar
. Na początek zainwestowałem w używane panele PV które ze względu na dość nietypową konstrukcję oraz niską wagę jednostkową wydały mi się atrakcyjne;
Panele podczas montażu na konstrukcji nośnej. Sześć sztuk o parametrach;
Ta bateria została zamontowana na dachu warsztatu od strony północno-zachodniej ze względu na to iż w okresie letnim po godzinie 13-14-tej mam tam słonko;
Jedna z zakupionych baterii utknęła gdzieś w transporcie i została zamontowana trochę później. Teoretycznie powinienem uzyskać w połączeniu szeregowym ~Uoc 33,1V i prąd ~7,2A, jednak podczas pomiarów nie udało mi się uzyskać prądu zwarciowego większego jak 4,5A. Maksymalne napięcie wynosiło około 29V. Być może był to wpływ zużycia bądź uszkodzenia ogniw i dlatego postanowiłem zakupić nowe panele.
W tym przypadku mając na uwadze sposób montażu a także dostępną przestrzeń wybór padł na panele polikrystaliczne firmy "Ulica solar" UL-275P-60 o następujących parametrach;
• Voc=38,3V
• Vmpp=31,1V
• Isc=9,25A
• Impp=8,85A
Jednym z faktów wyboru tych paneli były wymiary dość mocno pasujące do szerokości garażu a drugą sprawą był koszt transportu który w przypadku innych sprzedawców dochodził prawie do połowy ceny panela (te cena 399zł a transport 60zł, inne 385W/325W zbliżone wymiarami, cena około 400÷500zł a transport 200÷250zł). Nie bez znaczenia było również napięcie samych paneli (~31÷38V) co przy pracy z magazynem energii 24V pozwoli na zminimalizowanie strat w regulatorze ładowania. Konfiguracja jaką przewidziałem to połączenie równoległe, da mi to ~31V i blisko 27A czyli moc nieco ponad 800W. Oczywiście jest to moc maksymalna w teorii bo praktycznie ze względów środowiskowych (pogoda) mało realna do uzyskania niestety. Zakładając że praktycznie uzyskaną mocą będzie 80% mocy teoretycznej daje to około 650W co jest na moje potrzeby wystarczające
• Montaż
Tu aby ułatwić maksymalnie prace powstały specjalnie skonstruowane ramy o boku w kształcie trójkąta równobocznego. Ma to ten plus że wszystkie kąty są równe i wynoszą 60° co przy postawieniu na podstawie daje nam pochylenie ścian bocznych 30° co jest zalecane w naszym położeniu geograficznym;
Rama nośna dla małych paneli ma długość zdeterminowaną długością paneli i wynosi tak samo jak boki trójkątów bocznych 120cm, została wykonana z kątownika GW (gorąco walcowany) 25x25x3mm. Na stronie na której zamontowane są panele dodałem poprzeczkę ze względu na długość paneli i możliwe "sprężynowanie". Konstrukcja nośna dla dużych paneli ze względu na wielkość składa się z czterech trójkątów połączonych trzema 3m długości kątownikami. Tu ze względu na to iż w ciągu paru miesięcy (od czasu robienia mniejszej ramy) ceny stali konstrukcyjnej znacząco wzrosły użyłem kątowników ZG (zimno gięty) w dwóch rozmiarach; 25x25x2mm oraz 40x40x2mm. Dlaczego tak?
Dlatego że sposób montażu większych paneli przeprowadza się za pomocą dedykowanych uchwytów/klamer i wymaga to co najmniej nagwintowanych otworów.
Dwa wewnętrzne trójkąty na czas transportu zostały usztywnione poprzez połączenie narożników podstawy kawałkiem kątownika który wziąłem na zapas
. Poniżej kilka zdjęć ze spawania i montażu całości. Mój dobry kolega Heniek (ślusarz, spawacz i mechanik) jak zwykle poradził sobie śpiewająco;
Spawanie;
Przygotowanie do czyszczenia przed malowaniem (jeszcze kilku spawów brakuje);
Pogoda zepsuła mi plany gdyż po przywiezieniu konstrukcji do domu solidnie się rozpadało i nie mogłem pomalować konstrukcji. Po paru dniach "pod chmurką" zmuszony byłem do ponownego czyszczenia przed malowaniem, tego samego dnia konstrukcja "wylądowała" na dachu warsztatu;
Tymczasowo ze względu na mającą się pogorszyć pogodę została "złapana" dwoma śrubami M8. Po kilku kolejnych dniach (i poprawie pogody) przyszedł czas na solidne zamocowanie i uszczelnienie otworów montażowych. Do uszczelnienia użyłem lepiku który miałem pod ręką a ze względu na Dzillę (moją wierną asystentkę) całość po zabezpieczeniu posypałem drobniutkim piaskiem. Dodałem też na wszelki wypadek podpórki z kątownika między skrajnymi krawędziami konstrukcji a słupkami garażu. Nadzorca podczas pilnowania roboty;
Po kilku kolejnych dniach poproszona o pomoc "ekipa" czyli Bartek wraz ze swym ojcem Cześkiem (mechanicy z zaprzyjaźnionej firmy transportowej) wpadli aby zamontować panele na swym miejscu. Podczas tej kilkudniowej przerwy przygotowałem okablowanie i dojechały zakupione panele;
Asystentka sprawdza zgodność towaru z zamówieniem
. Kawałki kątownika 40x40 które zostały przyspawane do dolnej konstrukcji ramy bardzo ułatwiły montaż, po położeniu środkowego panela i bocznych umożliwiły delikatne przesuwanie w poziomie co pozwoliło na dopasowanie do klamer mocujących. Panele są na dolnych kątownikach podparte a klamry trzymają całość. Montaż przebiegł szybko i sprawnie (kilkadziesiąt minut) jednak ze względu na deszcz który nagle się rozpadał skończyliśmy jedynie na samym zamocowaniu paneli, przewody musiały poczekać... Bartek na dachu a Czesiek na dole;
Wyjaśnię rolę klamer/uchwytów nazywanych przez sprzedawców "klemą", klamra skrajna;
Środkowa/wewnętrzna;
Oraz przyspawane do dolnej części kawałki kątownika;
Jak widać taka konstrukcja znacząco ułatwia montaż paneli. Ze względu na na kilku-stopniowe pochylenie dachu kąt paneli trochę odbiega od tych 30°. Dla małej baterii przekracza a dla dużej jest trochę poniżej 30°, w zasadzie te 2-3° nie grają większej roli. Co innego pobliska roślinność. Przy pięknym słonecznym dniu zauważyłem że pobliski klon (samosiejka) rzuca dość duży cień na panel od wschodu oraz zwisające od góry gałęzie robią losowe zacienienie na panelach. No cóż, piła w rękę i klon a raczej klonik wycięty (średnica pnia bodajże mniejsza niż 10cm klasyfikuje to jako krzew/krzak i można wyciąć). Od góry siostrzeniec + sekator i gałązki popodcinane. W sumie już jesień więc słońce nisko to i dalsze drzewa na posesjach sąsiadów trochę cienia robią...
Konstrukcja nośna dla dużych paneli jest nieco wysunięta za krawędź poszycia dachowego, wynika to z tego iż nie chciałem blokować spływu wody z połaci dachu oraz mieć możliwość usunięcia zalegających liści.
• Połączenia elektryczne
Jak już wspomniałem, panele mają pracować w konfiguracji równoległej. A ponieważ zostały fabrycznie wyposażone w złącza MC4 postanowiłem użyć również fabrycznych czwórników MC4 do połączenia równoległego;
W komplecie zakupimy pełen komplet czyli dwie "choinki" dla plusa i minusa. Przewody jakie użyłem do "wprowadzenia mocy" do rozdzielnicy to 6mm² o izolacji PVC w odpowiednich kolorach. Dlaczego?
Jako materiał wyjściowy sugerowałem się tabelą długotrwałej wytrzymałości przewodów ze względu na sposób montażu oraz rodzaju izolacji;
Przyjąłem że najbardziej zbliżonym do mojej sytuacji będzie A1, czyli pojedyńcze przewody w rurze elektro instalacyjnej w izolowanej cieplnie ścianie. Znów pytanie, dlaczego tak? Ponieważ większa część oprzewodowania "idzie" zewnętrzną częścią warsztatu a zatem dość mocno się nagrzewa od blachy poszycia. Na wymaganej długości czyli ~5m spadki napięcia są pomijalne, dlatego w/g tabeli;
6mm² jest z pewnym zapasem nawet dla prądu zwarciowego paneli wynoszącego ~30A. Przewody są wpuszczone w elastyczną rurę elektroizolacyjną φ20mm, same przewody od strony paneli zakończyłem złączami MC4. Tu kilka słów o zaciskaniu złącz na przewodach, nie trzeba kupować dedykowanej zaciskarki do MC4. Równie dobrze przy takiej jednorazowej "robocie" sprawdzi się typowa zaciskarka do konektorów nieizolowanych używanych w samochodówce. Dla pewności można po zaciśnięciu dodatkowo zlutować konektor z przewodem (ja tak zrobiłem).
• Koszty częściowe (czyli to co na dachu)
• Panele PV "małe" - 6x45 zł + 3x20 zł (przesyłka) = 330 zł
• Stal na konstrukcję małej ramy ~ 140 zł
• Panele PV "duże" - 3x399 zł + transport = 1374 zł
• Stal na konstrukcję dużej ramy ~ 300 zł
• Śruby, nakrętki, podkładki M6, M8 - miałem
• Farby podkładowa i czarny mat w spray'u - razem 6 puszek ~ 70zł (market budowlany)
• Klamry montażowe boczne 35mm - 4szt x 2,80zł = 11,20 zł
• Klamry montażowe środkowe 35mm - 4szt x 2,90 = 11,60 zł (oba rodzaje razem z przesyłką 39,80 zł)
• Czwórniki MC4 - 41 zł (komplet + i - wraz z transportem)
• Złącza MC4 - 4,50 zł/kpl x 5kpl = 31,50 (z przesyłką)
• Przewód LGY 6mm² czerwony 750V - 10mb x 3,75zł = 37,50 zł
• Przewód LGY 6mm² czarny 750V - 10mb x 3,75zł = 37,50 zł
• Rura elektroinstalacyjna odporna na UV (peszel) φ20mm - 9zł
• Uchwyty samoprzylepne, opaski, drobnica - miałem z zapasów
Razem daje to ~ 2410zł
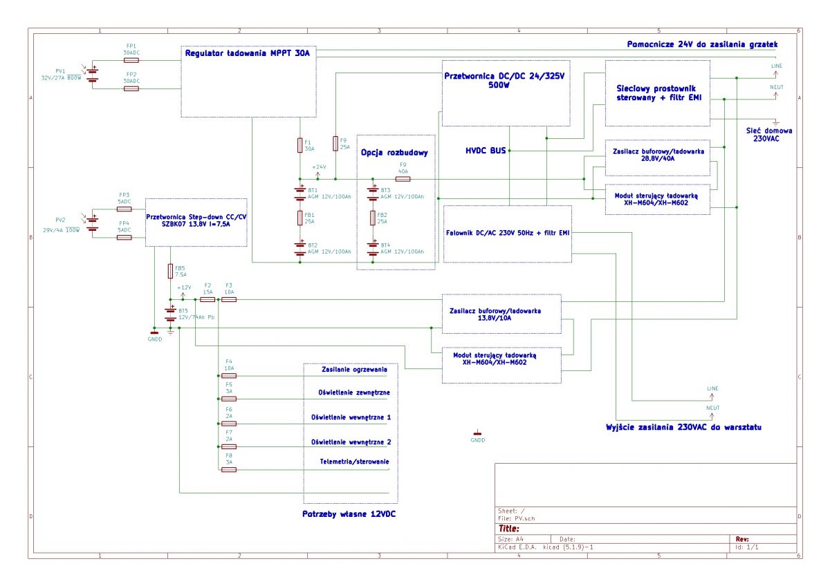
Cały system ma być docelowo połączony jak na schemacie poniżej;
Znów pojawia się pytanie, dlaczego tak? Nie chcę pozbawiać się całkowicie zasilania sieciowego jak również mieć możliwość doładowania akumulatorów w razie kiepskiej pogody czy jakiejś awarii (różnie bywa). Z drugiej strony nazbierało mi się trochę różnych gratów które chciałbym wykorzystać. Dlaczego tylko regulator MPPT a nie taki od razu z przetwornicą typu hybrydowego/off-grid? Przeglądając różne oferty i czytając opisy żaden z dostępnych nie spełnia moich wymagań. O ile trafiło się kilka które umożliwiały odpowiednie ustawienie priorytetów pracy (PV->BAT-Grid/Charge) i miały odpowiednią moc to już napięcie DC ich pracy wynoszące 12V z miejsca je dyskwalifikowało. Jak wiemy z prawa Ohma aby uzyskać tą samą moc przy niższym napięciu wymagany jest wyższy prąd. A wyższy prąd oznacza większe straty mocy, dodatkowo sprawy techniczne, grubsze przewody i złącza etc. co jest kłopotliwe (przynajmniej dla mnie "jednorękiego"). Sam regulator również zamierzałem budować własnoręcznie, zwłaszcza po przeczytaniu tego; https://www.instructables.com/DIY-1kW-MPPT-Solar-Charge-Controller/ co dało mi do myślenia. Miałbym jednak duże trudności z wykonaniem elementów indukcyjnych
, być może mając już "stanowisko testowe" coś spróbuję skonstruować.
• Dobór akumulatorów (rodzaj i pojemność)
Tu wybór również nie jest prosty niestety. Chyba najlepszym rozwiązaniem ze względu na trwałość oraz ilość cykli ładowanie/rozładowanie byłyby akumulatory zasadowe choć cenowo nie jest tak różowo
. Również akumulatory LiFePO4 świetnie by się nadawały na magazyn energii. Zwykłe (tradycyjne) akumulatory kwasowo-ołowiowe przy tego typu użytkowaniu szybko stracą wartość eksploatacyjną. Jako pewnego rodzaju alternatywę łączącą koszt oraz żywotność wybrałem akumulatory wykonane w technologii AGM. Szacuję że przeżyją w moim systemie około 3 do 5 lat.
• Pojemność akumulatorów
Oczywistą rzeczą jest to że im więcej energii zgromadzimy w akumulatorach tym dłużej będzie ona dostępna przy braku słońca/przerwach w dostawie energii z sieci. Zakładając maksymalny pobór na poziomie 500W daje to zapotrzebowanie 0,5kWh. Dwa akumulatory 12V/100Ah połączone szeregowo dadzą nam magazyn o pojemności;
2x12V=24V
24Vx100Ah=2400Wh=2,4kWh
No i fajnie
Uwzględniając straty da mi to gdzieś około 2h zasilania, jednak czasami może to być trochę za mało i dlatego celuję w 4,8kWh czyli bateria czterech akumulatorów 12V/100Ah w połączeniu szeregowo równoległym. Nowe akumulatory AGM 12V/100Ah można kupić już od około 500 zł co da koszt baterii ~2000 zł. Tymczasowo do testów użyję zwykłych akumulatorów ołowiowych 74Ah gdyż akurat mam takie dwa identyczne na stanie (kupione w czerwcu i użyte dwa trzy razy).
• Idea działania
Jak widać na schemacie blokowym, regulator MPPT "pilnuje" tylko i wyłącznie ładowania z paneli PV dla baterii 24V. W przypadku mniejszych paneli postanowiłem zamiast regulatora ładowania użyć w tej roli przetwornicy step-down z ustawionym napięciem wyjściowym na 14,5V i ograniczeniem prądowym na 7,5A. Rolę zasilacza buforowego/ładowarki pełni zasilacz do CCTV z ustawionym napięciem wyjściowym również na 14,5V. Aby zbędnie nie "pożerał" prądu jego załączeniem steruje moduł sterowania ładowarką który to jest cyfrowym komparatorem okienkowym z niezależnie programowanymi napięciami włączenia i wyłączenia ładowarki. W ten sam sposób rozwiązałem ładowanie z sieci baterii 24V, z zastosowaniem podobnego lecz o większej mocy zasilacza 24V/40A (napięcie ustawione na 28,8V). Do przetwarzania energii z 24V na 230VAC wpadł mi "szatański pomysł" do głowy, po co przy ładowaniu z sieci ponownie przetwarzać energię?
Wszak to kolejne straty mocy! Większość przetwornic DC/AC (np. 24VDC->230VAC) i tak korzysta do zasilania falownika wyjściowego z napięcia DC więc co się stanie jeśli do zasilania falownika wykorzystamy wyprostowane napięcie sieciowe! Nic, normalnie będzie działał choć może wymagać jakiegoś napięcia pomocniczego. Wymaga to jednak pewnego logicznego sterowania aby napięcie wyjściowe było "non-stop". Poniżej uproszczony schemat oraz wykresy przedstawiające logikę działania;
Wymagane jest krótkie nałożenie się na siebie zasilania z sieci i przetwornicy aby uniknąć chwilowego zaniku podczas przełączania. Dodając po stronie sieciowej układ stabilizacji napięcia (zakładam że przetwornica taki ma) możemy otrzymać stabilne 230VAC na wyjściu falownika
W sumie wyszedł układ prawie jak w zasilaczach UPS line-interactiv/on-line
.
• Nadwyżki energii
No dobrze, a co zrobić w przypadku nadprodukcji? Zakładając sytuację że akumulatory są w pełni naładowane i nie ma żadnego poboru a słonko ładnie świeci? Szkoda marnować tą energię. Tu wpadłem na pomysł aby przy użyciu kolejnego komparatora (już trzeciego) przekierować prąd bezpośrednio z paneli do grzałki 24V/500W w bojlerze w domu. Tu jednak muszę przemyśleć sterowanie oraz sposób "podciągnięcia" 24V do domu. Wydawać by się mogło że 500W do bojlera to niewiele jednak na mały 50l wystarczy a wrzątku nie potrzebuję
. Starczy ~40÷50°C
.
Praktycznie zostało poczekać na zamówiony regulator MPPT (który lada dzień do mnie dotrze) oraz połączyć wszystko razem. Tu niestety z "Małego PV" zrobił się dość rozbudowany system
. Jakiś czas temu trafiła do mnie rozdzielnica przemysłowa o wymiarach 100x80x25cm do której idealnie wręcz zmieszczą się cztery akumulatory AGM 12V/100Ah oraz (mam nadzieję) całe sterowanie
. Samą rozdzielnicę już zamontowałem na jednej ze ścian "warsztatu" a ponieważ trafiła do mnie wraz z wyposażeniem to część aparatów wykorzystałem do uzbrojenia od strony sieciowej. O szczegółach i problemach dowiecie się z drugiej części...
Dużo słońca
Po około miesiącu porównałem wskazania DDM15S z głównym licznikiem energii i wynik mnie zaszokował! Blisko 2/3 zużycia pochłania mój warsztat! Życie jak wiadomo różowe nie jest i każda możliwa oszczędność się liczy. Ponieważ od dłuższego już czasu słychać było w mediach o planowanych podwyżkach cen energii to zapadła decyzja o budowie własnego małego PV.
• Analiza potrzeb
Z racji tego że mieszkam w stosunkowo małym lokalu (około 33m²) w którym w zasadzie nie ma miejsca na rozlokowanie się ze swym warsztatem to "zagnieździłem" się w magazynie opału (garaż "blaszak") gdzie wydzieliłem część warsztatową
• Komputer PC + monitor 42" ~ 300÷500W (zależnie od obciążenia PC)
• Ogrzewanie ~ 50÷150W (zależnie od trybu pracy)
• Oświetlenie ~ 50W max
Ogrzewanie oraz oświetlenie jest zasilane z zasilacza CCTV 12V/10A połączonym równolegle z akumulatorem AGM 12V/7Ah. Akumulator pracuje w roli bufora gdyż nagły zanik zasilania podczas pracy ogrzewania mógłby spowodować ryzyko pożaru (rozgrzane wnętrze agregatu grzewczego) lub stopienia wewnętrznego wentylatora agregatu. Oczywiście zasilacz ma podniesione napięcie wyjściowe do 13,8V zalecane przez producenta akumulatora (przy pracy buforowej) a samo połączenie między akumulatorem a zasilaczem jest zabezpieczone bezpiecznikiem zwłocznym 5A.
Pz [moc zapotrzebowana]= ~300+50+50[min]=400W do 500+150+50=700W[max]
Oczywiście jest to całkowita moc chwilowa (w lato oraz ciepłe dni ogrzewanie nie pracuje i nie zawsze potrzebne oświetlenie) więc ciągłe obciążenie szacuję na średnio ~300W.
• Moc baterii fotowoltaicznych (paneli)
Z racji mocno ograniczonych możliwości technicznych oraz gabarytowych wybór nie był prosty. Aby mieć zapas mocy celowałem w ~700÷1000Wp. [Watopeak, kilowatopeak. Jednostka mocy stosowana w PV a określająca szczytową moc paneli]. Oczywistą rzeczą jest to że lepiej mieć nadmiar jak niedomiar
Panele podczas montażu na konstrukcji nośnej. Sześć sztuk o parametrach;
Ta bateria została zamontowana na dachu warsztatu od strony północno-zachodniej ze względu na to iż w okresie letnim po godzinie 13-14-tej mam tam słonko;
Jedna z zakupionych baterii utknęła gdzieś w transporcie i została zamontowana trochę później. Teoretycznie powinienem uzyskać w połączeniu szeregowym ~Uoc 33,1V i prąd ~7,2A, jednak podczas pomiarów nie udało mi się uzyskać prądu zwarciowego większego jak 4,5A. Maksymalne napięcie wynosiło około 29V. Być może był to wpływ zużycia bądź uszkodzenia ogniw i dlatego postanowiłem zakupić nowe panele.
W tym przypadku mając na uwadze sposób montażu a także dostępną przestrzeń wybór padł na panele polikrystaliczne firmy "Ulica solar" UL-275P-60 o następujących parametrach;
• Voc=38,3V
• Vmpp=31,1V
• Isc=9,25A
• Impp=8,85A
Jednym z faktów wyboru tych paneli były wymiary dość mocno pasujące do szerokości garażu a drugą sprawą był koszt transportu który w przypadku innych sprzedawców dochodził prawie do połowy ceny panela (te cena 399zł a transport 60zł, inne 385W/325W zbliżone wymiarami, cena około 400÷500zł a transport 200÷250zł). Nie bez znaczenia było również napięcie samych paneli (~31÷38V) co przy pracy z magazynem energii 24V pozwoli na zminimalizowanie strat w regulatorze ładowania. Konfiguracja jaką przewidziałem to połączenie równoległe, da mi to ~31V i blisko 27A czyli moc nieco ponad 800W. Oczywiście jest to moc maksymalna w teorii bo praktycznie ze względów środowiskowych (pogoda) mało realna do uzyskania niestety. Zakładając że praktycznie uzyskaną mocą będzie 80% mocy teoretycznej daje to około 650W co jest na moje potrzeby wystarczające
• Montaż
Tu aby ułatwić maksymalnie prace powstały specjalnie skonstruowane ramy o boku w kształcie trójkąta równobocznego. Ma to ten plus że wszystkie kąty są równe i wynoszą 60° co przy postawieniu na podstawie daje nam pochylenie ścian bocznych 30° co jest zalecane w naszym położeniu geograficznym;
Rama nośna dla małych paneli ma długość zdeterminowaną długością paneli i wynosi tak samo jak boki trójkątów bocznych 120cm, została wykonana z kątownika GW (gorąco walcowany) 25x25x3mm. Na stronie na której zamontowane są panele dodałem poprzeczkę ze względu na długość paneli i możliwe "sprężynowanie". Konstrukcja nośna dla dużych paneli ze względu na wielkość składa się z czterech trójkątów połączonych trzema 3m długości kątownikami. Tu ze względu na to iż w ciągu paru miesięcy (od czasu robienia mniejszej ramy) ceny stali konstrukcyjnej znacząco wzrosły użyłem kątowników ZG (zimno gięty) w dwóch rozmiarach; 25x25x2mm oraz 40x40x2mm. Dlaczego tak?
Dlatego że sposób montażu większych paneli przeprowadza się za pomocą dedykowanych uchwytów/klamer i wymaga to co najmniej nagwintowanych otworów.
Dwa wewnętrzne trójkąty na czas transportu zostały usztywnione poprzez połączenie narożników podstawy kawałkiem kątownika który wziąłem na zapas
Spawanie;
Przygotowanie do czyszczenia przed malowaniem (jeszcze kilku spawów brakuje);
Pogoda zepsuła mi plany gdyż po przywiezieniu konstrukcji do domu solidnie się rozpadało i nie mogłem pomalować konstrukcji. Po paru dniach "pod chmurką" zmuszony byłem do ponownego czyszczenia przed malowaniem, tego samego dnia konstrukcja "wylądowała" na dachu warsztatu;
Tymczasowo ze względu na mającą się pogorszyć pogodę została "złapana" dwoma śrubami M8. Po kilku kolejnych dniach (i poprawie pogody) przyszedł czas na solidne zamocowanie i uszczelnienie otworów montażowych. Do uszczelnienia użyłem lepiku który miałem pod ręką a ze względu na Dzillę (moją wierną asystentkę) całość po zabezpieczeniu posypałem drobniutkim piaskiem. Dodałem też na wszelki wypadek podpórki z kątownika między skrajnymi krawędziami konstrukcji a słupkami garażu. Nadzorca podczas pilnowania roboty;
Po kilku kolejnych dniach poproszona o pomoc "ekipa" czyli Bartek wraz ze swym ojcem Cześkiem (mechanicy z zaprzyjaźnionej firmy transportowej) wpadli aby zamontować panele na swym miejscu. Podczas tej kilkudniowej przerwy przygotowałem okablowanie i dojechały zakupione panele;
Asystentka sprawdza zgodność towaru z zamówieniem
Wyjaśnię rolę klamer/uchwytów nazywanych przez sprzedawców "klemą", klamra skrajna;
Środkowa/wewnętrzna;
Oraz przyspawane do dolnej części kawałki kątownika;
Jak widać taka konstrukcja znacząco ułatwia montaż paneli. Ze względu na na kilku-stopniowe pochylenie dachu kąt paneli trochę odbiega od tych 30°. Dla małej baterii przekracza a dla dużej jest trochę poniżej 30°, w zasadzie te 2-3° nie grają większej roli. Co innego pobliska roślinność. Przy pięknym słonecznym dniu zauważyłem że pobliski klon (samosiejka) rzuca dość duży cień na panel od wschodu oraz zwisające od góry gałęzie robią losowe zacienienie na panelach. No cóż, piła w rękę i klon a raczej klonik wycięty (średnica pnia bodajże mniejsza niż 10cm klasyfikuje to jako krzew/krzak i można wyciąć). Od góry siostrzeniec + sekator i gałązki popodcinane. W sumie już jesień więc słońce nisko to i dalsze drzewa na posesjach sąsiadów trochę cienia robią...
Konstrukcja nośna dla dużych paneli jest nieco wysunięta za krawędź poszycia dachowego, wynika to z tego iż nie chciałem blokować spływu wody z połaci dachu oraz mieć możliwość usunięcia zalegających liści.
• Połączenia elektryczne
Jak już wspomniałem, panele mają pracować w konfiguracji równoległej. A ponieważ zostały fabrycznie wyposażone w złącza MC4 postanowiłem użyć również fabrycznych czwórników MC4 do połączenia równoległego;
W komplecie zakupimy pełen komplet czyli dwie "choinki" dla plusa i minusa. Przewody jakie użyłem do "wprowadzenia mocy" do rozdzielnicy to 6mm² o izolacji PVC w odpowiednich kolorach. Dlaczego?
Jako materiał wyjściowy sugerowałem się tabelą długotrwałej wytrzymałości przewodów ze względu na sposób montażu oraz rodzaju izolacji;
Przyjąłem że najbardziej zbliżonym do mojej sytuacji będzie A1, czyli pojedyńcze przewody w rurze elektro instalacyjnej w izolowanej cieplnie ścianie. Znów pytanie, dlaczego tak? Ponieważ większa część oprzewodowania "idzie" zewnętrzną częścią warsztatu a zatem dość mocno się nagrzewa od blachy poszycia. Na wymaganej długości czyli ~5m spadki napięcia są pomijalne, dlatego w/g tabeli;
6mm² jest z pewnym zapasem nawet dla prądu zwarciowego paneli wynoszącego ~30A. Przewody są wpuszczone w elastyczną rurę elektroizolacyjną φ20mm, same przewody od strony paneli zakończyłem złączami MC4. Tu kilka słów o zaciskaniu złącz na przewodach, nie trzeba kupować dedykowanej zaciskarki do MC4. Równie dobrze przy takiej jednorazowej "robocie" sprawdzi się typowa zaciskarka do konektorów nieizolowanych używanych w samochodówce. Dla pewności można po zaciśnięciu dodatkowo zlutować konektor z przewodem (ja tak zrobiłem).
• Koszty częściowe (czyli to co na dachu)
• Panele PV "małe" - 6x45 zł + 3x20 zł (przesyłka) = 330 zł
• Stal na konstrukcję małej ramy ~ 140 zł
• Panele PV "duże" - 3x399 zł + transport = 1374 zł
• Stal na konstrukcję dużej ramy ~ 300 zł
• Śruby, nakrętki, podkładki M6, M8 - miałem
• Farby podkładowa i czarny mat w spray'u - razem 6 puszek ~ 70zł (market budowlany)
• Klamry montażowe boczne 35mm - 4szt x 2,80zł = 11,20 zł
• Klamry montażowe środkowe 35mm - 4szt x 2,90 = 11,60 zł (oba rodzaje razem z przesyłką 39,80 zł)
• Czwórniki MC4 - 41 zł (komplet + i - wraz z transportem)
• Złącza MC4 - 4,50 zł/kpl x 5kpl = 31,50 (z przesyłką)
• Przewód LGY 6mm² czerwony 750V - 10mb x 3,75zł = 37,50 zł
• Przewód LGY 6mm² czarny 750V - 10mb x 3,75zł = 37,50 zł
• Rura elektroinstalacyjna odporna na UV (peszel) φ20mm - 9zł
• Uchwyty samoprzylepne, opaski, drobnica - miałem z zapasów
Razem daje to ~ 2410zł
Cały system ma być docelowo połączony jak na schemacie poniżej;
Znów pojawia się pytanie, dlaczego tak? Nie chcę pozbawiać się całkowicie zasilania sieciowego jak również mieć możliwość doładowania akumulatorów w razie kiepskiej pogody czy jakiejś awarii (różnie bywa). Z drugiej strony nazbierało mi się trochę różnych gratów które chciałbym wykorzystać. Dlaczego tylko regulator MPPT a nie taki od razu z przetwornicą typu hybrydowego/off-grid? Przeglądając różne oferty i czytając opisy żaden z dostępnych nie spełnia moich wymagań. O ile trafiło się kilka które umożliwiały odpowiednie ustawienie priorytetów pracy (PV->BAT-Grid/Charge) i miały odpowiednią moc to już napięcie DC ich pracy wynoszące 12V z miejsca je dyskwalifikowało. Jak wiemy z prawa Ohma aby uzyskać tą samą moc przy niższym napięciu wymagany jest wyższy prąd. A wyższy prąd oznacza większe straty mocy, dodatkowo sprawy techniczne, grubsze przewody i złącza etc. co jest kłopotliwe (przynajmniej dla mnie "jednorękiego"). Sam regulator również zamierzałem budować własnoręcznie, zwłaszcza po przeczytaniu tego; https://www.instructables.com/DIY-1kW-MPPT-Solar-Charge-Controller/ co dało mi do myślenia. Miałbym jednak duże trudności z wykonaniem elementów indukcyjnych
• Dobór akumulatorów (rodzaj i pojemność)
Tu wybór również nie jest prosty niestety. Chyba najlepszym rozwiązaniem ze względu na trwałość oraz ilość cykli ładowanie/rozładowanie byłyby akumulatory zasadowe choć cenowo nie jest tak różowo
• Pojemność akumulatorów
Oczywistą rzeczą jest to że im więcej energii zgromadzimy w akumulatorach tym dłużej będzie ona dostępna przy braku słońca/przerwach w dostawie energii z sieci. Zakładając maksymalny pobór na poziomie 500W daje to zapotrzebowanie 0,5kWh. Dwa akumulatory 12V/100Ah połączone szeregowo dadzą nam magazyn o pojemności;
2x12V=24V
24Vx100Ah=2400Wh=2,4kWh
No i fajnie
• Idea działania
Jak widać na schemacie blokowym, regulator MPPT "pilnuje" tylko i wyłącznie ładowania z paneli PV dla baterii 24V. W przypadku mniejszych paneli postanowiłem zamiast regulatora ładowania użyć w tej roli przetwornicy step-down z ustawionym napięciem wyjściowym na 14,5V i ograniczeniem prądowym na 7,5A. Rolę zasilacza buforowego/ładowarki pełni zasilacz do CCTV z ustawionym napięciem wyjściowym również na 14,5V. Aby zbędnie nie "pożerał" prądu jego załączeniem steruje moduł sterowania ładowarką który to jest cyfrowym komparatorem okienkowym z niezależnie programowanymi napięciami włączenia i wyłączenia ładowarki. W ten sam sposób rozwiązałem ładowanie z sieci baterii 24V, z zastosowaniem podobnego lecz o większej mocy zasilacza 24V/40A (napięcie ustawione na 28,8V). Do przetwarzania energii z 24V na 230VAC wpadł mi "szatański pomysł" do głowy, po co przy ładowaniu z sieci ponownie przetwarzać energię?
Wszak to kolejne straty mocy! Większość przetwornic DC/AC (np. 24VDC->230VAC) i tak korzysta do zasilania falownika wyjściowego z napięcia DC więc co się stanie jeśli do zasilania falownika wykorzystamy wyprostowane napięcie sieciowe! Nic, normalnie będzie działał choć może wymagać jakiegoś napięcia pomocniczego. Wymaga to jednak pewnego logicznego sterowania aby napięcie wyjściowe było "non-stop". Poniżej uproszczony schemat oraz wykresy przedstawiające logikę działania;
Wymagane jest krótkie nałożenie się na siebie zasilania z sieci i przetwornicy aby uniknąć chwilowego zaniku podczas przełączania. Dodając po stronie sieciowej układ stabilizacji napięcia (zakładam że przetwornica taki ma) możemy otrzymać stabilne 230VAC na wyjściu falownika
• Nadwyżki energii
No dobrze, a co zrobić w przypadku nadprodukcji? Zakładając sytuację że akumulatory są w pełni naładowane i nie ma żadnego poboru a słonko ładnie świeci? Szkoda marnować tą energię. Tu wpadłem na pomysł aby przy użyciu kolejnego komparatora (już trzeciego) przekierować prąd bezpośrednio z paneli do grzałki 24V/500W w bojlerze w domu. Tu jednak muszę przemyśleć sterowanie oraz sposób "podciągnięcia" 24V do domu. Wydawać by się mogło że 500W do bojlera to niewiele jednak na mały 50l wystarczy a wrzątku nie potrzebuję
Praktycznie zostało poczekać na zamówiony regulator MPPT (który lada dzień do mnie dotrze) oraz połączyć wszystko razem. Tu niestety z "Małego PV" zrobił się dość rozbudowany system
Dużo słońca
Fajne? Ranking DIY
