Witam
Transporter T5
Silnik AXC
Problem: Nie można połączyć się z żadnym modułem (Licznik, silnik, ABS itp)
Sprawdzane 3 urządzeniami i 3 różne komputery
Sprawdzone.
Zasilanie OBD
Stały plus i po zapłonie jest (1,16)
Masy są (4,5)
Can H (6) jest przejście do licznika
CAN L (14) jest przejście do licznika
Linia K (7) jest przejście do licznika
Czy ktoś mi podpowie jak działa linia CAN? Czy dobrze to zdiagnozowałem?
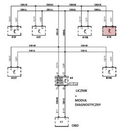
Schemat szyny CAN w t5
Od OBD idzie do licznika. Z niego rozchodzi się do układów.
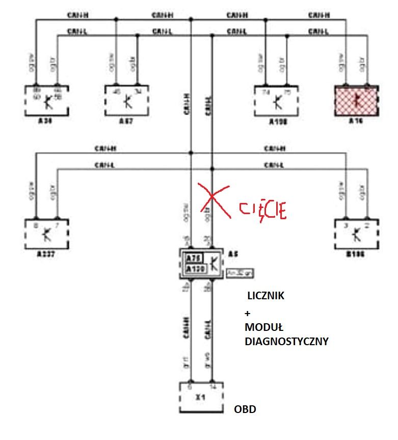
Przecinając 1 przewód za zegarami (gdyby było gdzieś zwarcie szyny) powinienem się połączyć chociaż z licznikiem? Czy to tak nie działa
CAN Gateway z tego co czytałem jest właśnie w liczniku.
Schemat CAN
Miejsce cięcia

Transporter T5
Silnik AXC
Problem: Nie można połączyć się z żadnym modułem (Licznik, silnik, ABS itp)
Sprawdzane 3 urządzeniami i 3 różne komputery
Sprawdzone.
Zasilanie OBD
Stały plus i po zapłonie jest (1,16)
Masy są (4,5)
Can H (6) jest przejście do licznika
CAN L (14) jest przejście do licznika
Linia K (7) jest przejście do licznika
Czy ktoś mi podpowie jak działa linia CAN? Czy dobrze to zdiagnozowałem?
Schemat szyny CAN w t5
Od OBD idzie do licznika. Z niego rozchodzi się do układów.
Przecinając 1 przewód za zegarami (gdyby było gdzieś zwarcie szyny) powinienem się połączyć chociaż z licznikiem? Czy to tak nie działa
CAN Gateway z tego co czytałem jest właśnie w liczniku.
Schemat CAN
Miejsce cięcia