logo elektroda
logo elektroda
X
logo elektroda
REKLAMA
REKLAMA
Adblock/uBlockOrigin/AdGuard mogą powodować znikanie niektórych postów z powodu nowej reguły.

Konstrukcja autorskiego pedału gazu na bazie dwóch potencjometrów - sugestie

kortyleski 12 Lis 2021 17:52 771 19
REKLAMA
  • #1 19704901
    kortyleski
    Poziom 43  
    Witam.

    Potrzebuję skonstruować autorski pedał gazu do samochodu. Oparty na dwóch potencjometrach o różnych wartosciach. Jak wiemy pedał gazu w aucie pracuje cały czas dopóki samochód się porusza. Potencjometry muszą taką pracę wytrzymać. Cena nie ma większego znaczenia, byle by dostać gdzieś. Coś ktoś?
  • REKLAMA
  • #3 19704943
    viayner
    Poziom 43  
    Witam,
    chodzi ci o samochod elektryczny? bo w typowych "spalinowych" nie ma tam potencjometrow.
    Pedal gazu pracuje raczej dopoki ktos go wciska a nie dlatego ze samochod sie porusza.
    Jezli musza to byc potencjometry i do tego roznej wartosci (?) to szukaj w profesjonalnych hermetycznych.
    Pozdrawiam
  • REKLAMA
  • #4 19704949
    vodiczka
    Poziom 43  
    Wpisz w gogle "potencjometr pedału gazu" ceny od 50 do 650 zł.
  • #5 19704962
    Krzysztof Kamienski
    Poziom 43  
    kortyleski napisał:
    Potencjometry muszą taką pracę wytrzymać.
    I nie wytrzymają. Tylko układ halotronowy i troszkę elektroniki - bo widze że potrzebujesz na dwa wyjścia. Skąd to wiem ? Ano z tąd, ze mam do czynienia ze sporą ilością joysticków przemysłowych wyposażonych w najwyższej jakości potencjometry i one też padają, nawet te drutowe z grafitową szczotką.
  • #6 19704978
    vorlog
    Poziom 40  
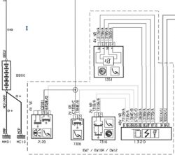
    Kawałek schematu Peugeota 407, element 1261 to "pedał gazu"
    Konstrukcja autorskiego pedału gazu na bazie dwóch potencjometrów - sugestie
    Zasilany stabilizowanym napięciem z ECU podwójny przetwornik, daje dwa, współbieżne w funkcji zmiany położenia sygnały o odmiennych wartościach napięcia- jeden sterujący, drugi kontrolny. Nie, to nie są potencjometry w sensie stricte. Element 7316 to zamontowane w "pedale gazu" zestyki pomocnicze do np. tempomatu, kick-down.
    Krzysztof Kamienski napisał:
    mam do czynienia ze sporą ilością joysticków przemysłowych wyposażonych w najwyższej jakości potencjometry i one też padają, nawet te drutowe z grafitową szczotką.

    Bo nie dość, że są "molestowane" przez operatora, to jeszcze często uszczelnienia puszczają i syf je dobija. Co dopiero jakby je dać pod but w aucie- kurz, wilgoć/woda i praktycznie ciągłe mękolenie podczas jazdy...
    V.
  • #7 19704995
    stachu_l
    Poziom 37  
    vorlog napisał:
    Co dopiero jakby je dać pod but w aucie- kurz, wilgoć/woda i praktycznie ciągłe mękolenie podczas jazdy...
    Ja mam dwa potencjometry do pomiaru wysokości zawieszenia (lewy i prawy) i są pod samochodem przykręcone do ramy i sterowane przez dźwignie od zawieszenia - ciągle pracują. Samochód ma ponad 300kkm i jedyne co szwankowało to popychacz łączący dźwignie z zawieszenia z dźwignia na końcu potencjometru - padły gumki ochraniające przeguby i te sobie zardzewiały - w wyniku zablokowania przegubu wyginała sie blacha na której był potencjometr i ECU od zawieszenia nie widziało poprawnych wartości więc powoli opuszczało miechy aż siadły na odbojach - oj twardo było z tyłu :-).
  • REKLAMA
  • #9 19705019
    stachu_l
    Poziom 37  
    vorlog napisał:
    A jesteś pewien, że to są rzeczywiście potencjometry?
    TAK, tak jest napisane w instrukcji serwisowej od zawieszenia. Proponowane testowanie przez przyłączenie baterii 4,5V i pomiar napięcia na ślizgaczu dla rożnych wysokości zawieszenia. Na forach były sugestie, że dostaje się tam woda i korodują ślizgacze a nawet krańcowe podłączenia ścieżki oporowej więc jeden otwarłem i był czysty w środku, poskładałem i chyba ze 100kkm już chodzi.
  • #10 19705033
    urko
    Poziom 20  
    Analog Devices robił kiedyś takie układy do samolotów, które pozycję sterów ustalało na podstawie zmian indukcyjności cewki z ruchomym rdzeniem. W środku układ był cyfrowy, ale na wyjściu podawał napięcie proporcjonalne do położenia sterów, czyli niby analogowe i oczywiście "poprawione". Chyba taki "potencjometr" jest dostatecznie wytrzymały (?), tylko wymaga dodatkowego zasilania ;-)
  • REKLAMA
  • #12 19705086
    urko
    Poziom 20  
    Szczegółów nie znam i nie śledzę tematu. Przypadkiem na to kiedyś trafiłem i wydało mi się interesujące. ;-)
    Poza tym, nie wiem czy do takiego celu nie nadały by się też odpowiednio sterowane potencjometry cyfrowe czy w najprymitywniejszej wersji układy analogowe oparte tylko na jakiejś optyce. Czy taki pedał potrzebuje dokładnej kalibracji ?
  • #13 19705123
    Konto nie istnieje
    Poziom 1  
  • #14 19705127
    Krzysztof Kamienski
    Poziom 43  
    urko napisał:
    analogowe oparte tylko na jakiejś optyce.
    Było takie coś kiedyś - ,,potencjometr beztrzaskowy" - przesłona w kształcie klina pomiędzy żarówką a fotorezystorem w nożnych efektach gitarowych. :D
  • #15 19705165
    stachu_l
    Poziom 37  
    Można jeszcze patenty z dawnych lat:
    - pedał od napędu maszyn do szycia Tur2 - taki większy mikrofon węglowy - ściskał pakiet węglowy i bezpośrednio sterował silnikiem.
    - pedał od organów B-2 Eltra - (tu mam mgliste wspomnienia by chyba tylko raz rozbierałem) - żarówka, przesłona jakby z kawałka kliszy z naniesionym trójkątnym wzorem (w miarę poruszania przepuszczała coraz więcej światła), fotorezystor. W nowej wersji oczywiście oświetlenie LED, z drugiej strony może być fototranzystor - taki transoptor szczelinowy a w szczelinie filtr o zmiennej gęstości.
  • #16 19705190
    jarek_lnx
    Poziom 43  
    viayner napisał:
    chodzi ci o samochod elektryczny? bo w typowych "spalinowych" nie ma tam potencjometrow.

    Zawsze daje mi radochę jak ktoś pisze że czegoś nie ma.
    Element którego tam nie ma ;) nazywa się czujnik położenia przepustnicy i jest to potencjometr cermetowy, a wygląda tak:
    Konstrukcja autorskiego pedału gazu na bazie dwóch potencjometrów - sugestie
    Taki właśnie chciałem zaproponować

    Spotkałem też czujnik induktosynowy, który był wbudowany w przepustnicy elektronicznej (ustawianej silnikiem)
    Konstrukcja autorskiego pedału gazu na bazie dwóch potencjometrów - sugestie
  • #17 19705207
    vorlog
    Poziom 40  
    @jarek_lnx , piszemy o "potencjometrach" hmmm... manipulatora przyspieszenia (na wypadek, jakby się ktoś czepiał języka nienawiści :P), nie pozycjonerów, gdzie rzeczywiście potencjometry siedzą. W baku poziom paliwa też podobnie jest czytany.
    V.
  • #18 19705240
    bambus94
    Poziom 34  
    urko napisał:
    na podstawie zmian indukcyjności cewki z ruchomym rdzeniem

    Podobne rozwiązanie jest w nastawnikach pomp wtryskowych, tylko tam jest ruchoma ramka (zwarty zwój ) w pobliżu rdzenia i na rdzeniu są dwie cewki. Jedna jest zasilana AC a sygnał na drugiej jest zależny od położenia zwartego zwoju.
  • #19 19855708
    kortyleski
    Poziom 43  
    Panowie. Ja znam te wszystkie rozwiązania o których wspominacie. Ale na razie buduję prototyp który ma zadziałać. Nie pytałem o inne rozwiązania a o wytrzymały potencjometr
  • #20 19856564
    CosteC
    Poziom 38  
    Czemu musi być "autorski" zamiast kupić jakiś "profesjonalny" który z definicji nadaje się do tego celu?

Podsumowanie tematu

Użytkownik poszukuje sugestii dotyczących konstrukcji autorskiego pedału gazu do samochodu, opartego na dwóch potencjometrach. W odpowiedziach podkreślono, że w samochodach spalinowych pedał gazu działa w momencie jego wciśnięcia, a nie podczas ruchu pojazdu. Zasugerowano, aby zamiast potencjometrów rozważyć zastosowanie układów halotronowych lub czujników położenia, które są bardziej wytrzymałe. Wskazano również na problemy z potencjometrami, takie jak ich podatność na uszkodzenia w trudnych warunkach, oraz zaproponowano różne alternatywne rozwiązania, w tym czujniki induktosynowe i cyfrowe potencjometry. Użytkownik zaznaczył, że interesuje go wytrzymały potencjometr, a nie inne rozwiązania.
Podsumowanie wygenerowane przez model językowy.
REKLAMA