Koledzy, kupiłem Trafica blaszaka z 2007r. Mam z nim pewne kłopoty.
1/ KIERUNKOWSKAZY
Od początku kierunkowskazy szybko mrugały. Lewa i prawa strona tak samo, natomiast awaryjne z prawidłową częstotliwością.
Rozebrałem dziś gniazdo 13 PIN haka. Jeden mikroswitch od przełączania przeciwmgielnego pomiedzy autem a przyczepą działa poprawnie. Drugi mikroswitch czy to rozłączyłem, czy zwarłem to bez zmian, kierunki zasuwaja szybko.
Co jeszcze mógłbym sprawdzić?
2/ SZYBA KIEROWCY
Samochód odebrałem z myjni. Myli całą kabinę bo po poprzednim właścicielu była nieziemsko usyfiona.
Przestała działać szyba kierowcy.
Silnik nie dostaje napięcia ani w jedna, ani w drugą stronę.
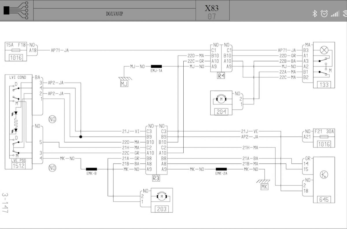
Na ile udało mi się sprawdzić, to przełącznik działa. Podświetlenie przycisków działa. Przełącza pomiędzy A4/B4 przy zamykaniu i B4/B5 przy otwieraniu. Na wtyczce przy przelotce pomiędzy drzwiami a budą również (chyba, że przewody akurat się dobrze ułożyły podczas sprawdzania). Gdzie te przewody z przelotki idą dalej?
Znalazłem schemat instalacji, ale za bardzo na samochodowej nie znam się, choć jestem automatykiem
Czy R3 to jest właśnie ta przelotka?
Jeśli tak, to gdzie znajdę moduł 645?
3/ Po myjni nie chce również gasnąć świało w kabinie oraz na pace. Dysponuje ktoś schematem?
A teraz parę pytań w celach edukacji:
1- Co oznaczają przy wtyczkach oznaczenia np. "NO", "BA", "MA", "GR"?
2- Wtyczka przełączników szyb. Skąd wiadomo, czy dany PIN to np A4 czy B5?
3- Na żyłach, oprócz kolorów co oznaczają np. "21J", "22D", "22C"....
4- na samych wtyczkach (R3) np "C3", "B9"...?
Czy orientuje się ktoś, gdzie mógłbym znaleźć kompletny schemat tego auta?
Pozdrawiam
1/ KIERUNKOWSKAZY
Od początku kierunkowskazy szybko mrugały. Lewa i prawa strona tak samo, natomiast awaryjne z prawidłową częstotliwością.
Rozebrałem dziś gniazdo 13 PIN haka. Jeden mikroswitch od przełączania przeciwmgielnego pomiedzy autem a przyczepą działa poprawnie. Drugi mikroswitch czy to rozłączyłem, czy zwarłem to bez zmian, kierunki zasuwaja szybko.
Co jeszcze mógłbym sprawdzić?
2/ SZYBA KIEROWCY
Samochód odebrałem z myjni. Myli całą kabinę bo po poprzednim właścicielu była nieziemsko usyfiona.
Przestała działać szyba kierowcy.
Silnik nie dostaje napięcia ani w jedna, ani w drugą stronę.
Na ile udało mi się sprawdzić, to przełącznik działa. Podświetlenie przycisków działa. Przełącza pomiędzy A4/B4 przy zamykaniu i B4/B5 przy otwieraniu. Na wtyczce przy przelotce pomiędzy drzwiami a budą również (chyba, że przewody akurat się dobrze ułożyły podczas sprawdzania). Gdzie te przewody z przelotki idą dalej?
Znalazłem schemat instalacji, ale za bardzo na samochodowej nie znam się, choć jestem automatykiem
Czy R3 to jest właśnie ta przelotka?
Jeśli tak, to gdzie znajdę moduł 645?
3/ Po myjni nie chce również gasnąć świało w kabinie oraz na pace. Dysponuje ktoś schematem?
A teraz parę pytań w celach edukacji:
1- Co oznaczają przy wtyczkach oznaczenia np. "NO", "BA", "MA", "GR"?
2- Wtyczka przełączników szyb. Skąd wiadomo, czy dany PIN to np A4 czy B5?
3- Na żyłach, oprócz kolorów co oznaczają np. "21J", "22D", "22C"....
4- na samych wtyczkach (R3) np "C3", "B9"...?
Czy orientuje się ktoś, gdzie mógłbym znaleźć kompletny schemat tego auta?
Pozdrawiam
