logo elektroda
logo elektroda
X
logo elektroda
REKLAMA
REKLAMA
Adblock/uBlockOrigin/AdGuard mogą powodować znikanie niektórych postów z powodu nowej reguły.

- Car radio + crossover z B-amp + 3way component speakers polaczenie ?

adamsbls 25 Lis 2021 21:40 384 2
REKLAMA
  • #1 19729685
    adamsbls
    Poziom 2  
    Witam serdecznie i bardzo prosze o pomoc czy takie polaczenie jest mozliwe bez zastosowania wzmacniacza samochodowego ? Czy jednak wlasciwym rozwiazaniem bedzie polaczenie tych glosnikow na przednie kanaly i potencjometr fader dac cala moc na front ? (przepraszam za brak polskiej czcionki)

    - Car radio + crossover z B-amp + 3way component speakers polaczenie ?
  • REKLAMA
  • #2 19759547
    darens
    Poziom 22  
    Systemy 3 drożne podłącza się pod wzmacniacz, radio samochodowe dysponuje mocą RMS ok. 20W na kanał, napisz proszę, co to za zwrotnica i głośniki, wygląda mi na domową Bi-Amp, może się mylę.
  • #3 19760289
    adamsbls
    Poziom 2  
    darens napisał:
    Systemy 3 drożne podłącza się pod wzmacniacz, radio samochodowe dysponuje mocą RMS ok. 20W na kanał, napisz proszę, co to za zwrotnica i głośniki, wygląda mi na domową Bi-Amp, może się mylę.



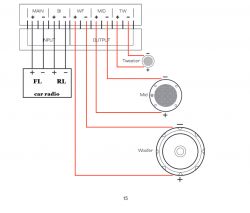
    Hej , zwrotnice sa od zestawu PowerBass 2XL 6.5" 3-Way Component Speaker (see pics.)

    - Car radio + crossover z B-amp + 3way component speakers polaczenie ?
    - Car radio + crossover z B-amp + 3way component speakers polaczenie ?

    A tu zamieszcze troche lepiej narysowany schemat polaczenia tych zwrotnic bezposrednio do radia ( przy uzyciu Bi amp):

    - Car radio + crossover z B-amp + 3way component speakers polaczenie ?

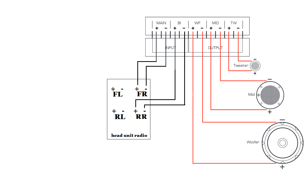
    i czy jest to adekwatne jak przy uzyciu wzmaka 4 kanalowego jak na rys. ponizej ?

    - Car radio + crossover z B-amp + 3way component speakers polaczenie ?
REKLAMA