logo elektroda
logo elektroda
X
logo elektroda
REKLAMA
REKLAMA
Adblock/uBlockOrigin/AdGuard mogą powodować znikanie niektórych postów z powodu nowej reguły.

[Rozwiązano] Zwiększanie mocy do 4W w radio CB Kaiser KA 9040 po odblokowaniu 40 kanałów w AM

16Artur 28 Lis 2021 11:06 1347 14
REKLAMA
  • #1 19733314
    16Artur
    Poziom 10  
    Radio CB Kaiser KA 9040 - po odblokowaniu 40 kanałów w AM jest moc na poziomie 1 W. Czy istnieje możliwość zwiększenia do 4 W?
    Artur
  • REKLAMA
  • REKLAMA
  • #5 19734677
    gumisie
    Poziom 43  
    Preskaler napisał:
    Istnieje ale to nielegalne
    Tego nie rozumie. :cry:

    A z tym:
    Preskaler napisał:
    trudne dla laika.
    Się zgadzam..
    Może być wielki problem, nie warty takiej "modyfikacji".

    Pozdrawiam.

    R
  • REKLAMA
  • REKLAMA
  • #8 19734981
    Hektar Zahle.r
    Poziom 30  
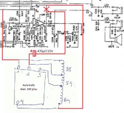
    W każdym CB radiu z końcówką m.cz. w roli modulatora AM można z powodzeniem zastosować autotrafo w ten sposób, aby uzyskać pełną modulację przy 4W mocy. Problemem może się okazać jedynie zakres regulacji głębokości modulacji układu ALC - w tym przypadku VR10. Drugi i ostatni skutek uboczny podniesienia mocy AM (jak w każdym przypadku) spadnie nieco czułość mikrofonu.
  • #9 19735035
    Preskaler
    Poziom 39  
    gumisie napisał:
    Preskaler napisał:
    Istnieje ale to nielegalne
    Tego nie rozumie. :cry:

    A z tym:
    Preskaler napisał:
    trudne dla laika.
    Się zgadzam..
    Może być wielki problem, nie warty takiej "modyfikacji".

    Pozdrawiam.

    R

    Warunkiem legalności używania CB-radia jest posiadanie certyfikatu, który odpowiedni urząd (UKE?) wydaje. Jest to zezwolenie na użytkowanie tego urządzenia. Zwykle takie certyfikaty wydawane były na dany typ urządzenia i rzetelny sprzedawca dawał ksero tego dokumentu przy zakupie nowego sprzętu. Wszelkie przeróbki są niezgodne z prawem. To znaczy nie wolno użytkować takiego sprzętu jeśli był przerabiany to traci certyfikat. Można niby indywidualnie starać się o wydanie nowego ale to kosztowne, długotrwałe i uciążliwe.

    Moderowany przez c2h5oh:

    Regulamin punkt 3.1.11. Nie wysyłaj wiadomości, które nic nie wnoszą do dyskusji. Wprowadzają w błąd, są niebezpieczne czy nie rozwiązują problemu użytkownika.

    Proszę doczytać na jakich zasadach wystawia się świadectwo zgodności (certyfikat zgodności) i kto może to zrobić. Na pewno nie UKE.
    Poza tym autor tematu nie pytał o kwestie prawne.

  • #10 19757830
    16Artur
    Poziom 10  
    Witam
    Zrobiłem zgodnie z sugestią „ Hektar Zahle.r” . Kupiłem trafo podłączyłem: pomarańczowy do 4, kondensator w miejsce pomarańczowego i do 2, czarny na 8 pin wzmacniacza i do 1. Zdjęcia przedstawiają wykonaną pracę. I wszystko działa poprawnie. Do pomiarów użyłem sztuczne obciążenie, wskaźnik SWR. Dokładnie pomierzę i zamieszczę wyniki na stronie. Mam pytanie, co do modulacji i VR 10 jak ustawić, pomierzyć?
  • #11 19758440
    16Artur
    Poziom 10  
    Pomiar mocy
    Meratronik V640,trójnik V40.31, sonda w.cz V40.25, sztuczne obciążenie 50 Ω Bird 8363 TM.
    Pomiar :
    FM: 1-4,03W, 10-3,30, 20-3,38, 30-2,88, 40-3,38
    AM: 1-3,38W, 10-2,88, 20-2,64, 30-2,50,40-2,42
    Czy jest możliwość wyrównania mocy dla FM/AM? Jeśli tak to poproszę o poradę.
  • #12 19758609
    Hektar Zahle.r
    Poziom 30  
    No cóż. Muszę przyznać, że niezrozumiały jest dla mnie ten spadek mocy dla AM-u. Trzeba miernikiem ustalić spadek napięcia zasilania. Jeżeli zasilanie trafa podłączyłeś do zasilania układu uPC1242 to ten spadek napięcia powinien być nieznaczny tylko na uzwojeniu trafa. Być może ścieżki na płycie są za cienkie i spadek jest na ścieżkach. Jak nie masz Miernika modulacji to sprawdzasz wizualnie oscyloskopem. Zadowalająca głębokość modulacji to 70%.
  • #13 19758733
    Preskaler
    Poziom 39  
    Preskaler napisał:
    gumisie napisał:
    Preskaler napisał:
    Istnieje ale to nielegalne
    Tego nie rozumie. :cry:

    A z tym:
    Preskaler napisał:
    trudne dla laika.
    Się zgadzam..
    Może być wielki problem, nie warty takiej "modyfikacji".

    Pozdrawiam.

    R

    Warunkiem legalności używania CB-radia jest posiadanie certyfikatu, który odpowiedni urząd (UKE?) wydaje. Jest to zezwolenie na użytkowanie tego urządzenia. Zwykle takie certyfikaty wydawane były na dany typ urządzenia i rzetelny sprzedawca dawał ksero tego dokumentu przy zakupie nowego sprzętu. Wszelkie przeróbki są niezgodne z prawem. To znaczy nie wolno użytkować takiego sprzętu jeśli był przerabiany to traci certyfikat. Można niby indywidualnie starać się o wydanie nowego ale to kosztowne, długotrwałe i uciążliwe.

    [mod="c2h5oh"]Regulamin punkt 3.1.11.Nie wysyłaj wiadomości[/u], które nic nie wnoszą do dyskusji. Wprowadzają w błąd, są niebezpieczne czy nie rozwiązują problemu użytkownika.

    Proszę doczytać na jakich zasadach wystawia się świadectwo zgodności (certyfikat zgodności) i kto może to zrobić. Na pewno nie UKE.
    Poza tym autor tematu nie pytał o kwestie prawne.

    "gumisie" napisał, że - nie rozumie, więc wyjaśniłem.
    IMHO Wszelkie przeróbki w sprzęcie posiadającym świadectwo zgodności (certyfikat) jest niedopuszczalne. Jeśli jest inaczej to proszę o sprostowanie. Dawniej kiedy jeszcze UKE nazywał się jeszcze PAR to tak było.
  • #14 19765062
    16Artur
    Poziom 10  
    Hektar Zahle.r napisał:
    No cóż. Muszę przyznać, że niezrozumiały jest dla mnie ten spadek mocy dla AM-u. Trzeba miernikiem ustalić spadek napięcia zasilania. Jeżeli zasilanie trafa podłączyłeś do zasilania układu uPC1242 to ten spadek napięcia powinien być nieznaczny tylko na uzwojeniu trafa. Być może ścieżki na płycie są za cienkie i spadek jest na ścieżkach. Jak nie masz Miernika modulacji to sprawdzasz wizualnie oscyloskopem. Zadowalająca głębokość modulacji to 70%.


    Witam
    Złośliwość przedmiotów martwych. W V640 bateria (1,5V) odmówiła współpracy i wprowadziła zamieszanie w pomiarach. Aktualnie kanał 1- 3,2 W 10-3,3W 20- 3,4W 30-3,5 W 40-3,6W. Wskazania na mierniku SWR zawsze pokazywało 4 W dla AM i FM. Nasłuch prowadziłem na drugim CB i był czytelny i zrozumiały. Co do pomiaru modulacji to możesz opisać jak to zrobić przy pomocy oscyloskopu?
  • #15 19771108
    16Artur
    Poziom 10  
    ++Dziękuję++

Podsumowanie tematu

Użytkownik pyta o możliwość zwiększenia mocy radia CB Kaiser KA 9040 do 4 W po odblokowaniu 40 kanałów w AM, które obecnie działa na poziomie 1 W. Odpowiedzi wskazują, że modyfikacja jest możliwa, ale nielegalna i skomplikowana dla laików. Proponowane rozwiązania obejmują zakup autotransformatora do Alana 100 oraz podłączenie go w odpowiedni sposób, co może umożliwić uzyskanie pełnej modulacji przy 4 W. Użytkownicy podkreślają, że wszelkie przeróbki mogą prowadzić do utraty certyfikatu legalności urządzenia. W dyskusji poruszono również kwestie pomiarów mocy i modulacji, a także problemy związane z zasilaniem i czułością mikrofonu.
Podsumowanie wygenerowane przez model językowy.
REKLAMA