logo elektroda
logo elektroda
X
logo elektroda
REKLAMA
REKLAMA
Adblock/uBlockOrigin/AdGuard mogą powodować znikanie niektórych postów z powodu nowej reguły.

BMW e36 316i - Brak ABSu po swapie silnika i hamulców

dominauke 24 Gru 2021 13:40 657 10
REKLAMA
  • #1 19780454
    dominauke
    Poziom 6  
    Witajcie,
    Po wymianie silnika z m43b16 na m50b25, oraz wymianie hamulców z 316i na e46 330d, ABS przestał działać (komputer ABS został z 316i).

    Do tej pory sprawdziłem:
    -rezystancję czujników, mierząc złącze komputera ABS, wszystkie 4 koła mają ok 1040 Ohm,
    -bezpieczniki,
    -przekaźniki,
    -zasilanie do komputera oraz do przekaźników.

    Co i jak powinienem sprawdzić w następnej kolejności?

    Z góry dziękuję za odpowiedzi i pozdrawiam!
  • REKLAMA
  • #2 19780694
    Konto nie istnieje
    Poziom 1  
  • REKLAMA
  • #3 19782766
    dominauke
    Poziom 6  
    Pod tester tzn. pod komputer? nie posiadam, ale jeżeli sam nic więcej nie mogę sprawdzić miernikiem, to podjadę do mechanika.

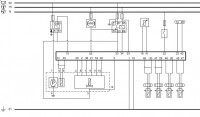
    BMW pochodzi z 09.1993, sterownik to ATE 34.52-1 162 646 bez ASR/ESP,
  • #4 19783194
    Konto nie istnieje
    Poziom 1  
  • REKLAMA
  • #5 19806317
    dominauke
    Poziom 6  
    Dzięki,

    Komputer podpinałem, mechanik miał coś takiego: DELPHI MULTI DIAG PRO+ (nie jestem przekonany czy dobrze to odczyta błędy), ale wyskoczył błąd nr 17 obsługa lewego przedniego zaworu dolotowego, po skasowaniu już się nie pojawił a ABSu dalej nie ma.

    Korzystając z twojego schematu sprawdziłem kilka rzeczy:
    mierząc wtyczkę od ECU:
    -na pinach 1 i 19 jest masa,
    -na pinach 53 i 34 jest zasilanie,
    -na pinie 32 po wciśnieciu hamulca pojawia się zasilanie,
    -na pinach 16 i 41 rezystancja zmienia się w zależności od położenia pedału hamulca od 240-550Ohm

    Czy ktoś z Was wie co sprawdza ECU po włączeniu zapłonu? I jaka jest logika za zapaleniem lampki kontrolnej? Czy pompa też jest sprawdzana podczas zapłonu czy dopiero po przekroczeniu 10~ km/h?
  • #6 19806601
    Strumien swiadomosci swia
    Poziom 43  
    Zobacz czy nie pomiaszales halotrpnowych i indukcyjnych cxujnikow, sprawdz jakie predkosci kół pokazuje To podstawa.
  • #7 19806713
    dominauke
    Poziom 6  
    Jak był pod kompem i stał w miejscu to prędkości kół pokazywało 0, wypadało by też sprawdzić podczas jazdy?

    Jak mam sprawdzić czy czujnik jest indukcyjny czy halotronowy? Wszystkie maja bardzo podobną rezystancję i tylko dwa piny.
  • #8 19806802
    Strumien swiadomosci swia
    Poziom 43  
    dominauke napisał:
    mam sprawdzić czy czujnik jest indukcyjny czy
    a tak ze kazde kolo mudi taka sama predkosc pokazywac
  • #9 19907029
    dominauke
    Poziom 6  
    Podłączyłem jeszcze raz auto pod komputer, tym razem za pomocą INPY 4.4.7 i znowu pojawił się błąd nr 17 "ABS valve, front left intake" po skasowaniu kontrolka nie zgasłą, zczytałem również status online i wszystko wyglądało poprawnie, włącznie ze zmianą prędkości kół.

    Sprawdziłem również stary licznik 4R i kontrolka gaśnie (niestety nie miałem możliwości się przejechać, bo auto jest na ten moment rozebrane) ale skoro kontrolka zapala się a następnie gaśnie to podejrzewam, że to może załatwić cały problem. Nie wiem czy to ma znaczenie ale nowy licznik 6R pochodzi z wersji UK.

    Czy jest tutaj ktoś z okolic Lublina, Rzeszowa lub Krakowa, do kogo mogłbym podjechać i sprawdzić/przeprogramować licznik jakimś softem?

    Pozdrawiam
  • REKLAMA
  • #10 19963049
    dominauke
    Poziom 6  
    jeden problem rozwiązany, ABS zadziałał po wymianie licznika ale po kilkunastu hamowaniach kontrolka się znowu zapala, komputer wyrzuca błąd nr 17 "obsługa lewego przedniego zaworu dolotowego" i już nie gaśnie dopoki nie skasuję błędu, po skasowaniu, działa na chwile i wyrzuca ten sam błąd.
    Wygląda jak problem z pompą, ale znalazłem na forum, że kolega miał ten sam błąd i wymiana pompy nic nie pomogła, czy ktoś z Was wie o co chodzi i jak to dokładnie sprawdzić?
  • #11 19963391
    andrzej20001
    Poziom 43  
    Uszkodzony zawór lub sterownik abs. To już wszystko (zawory ,silnik) jest sterowane z płyty abs-u.
REKLAMA