W poprzedniej części przyjrzeliśmy się optymalizacji toru zasilania dla układu AD9175 — 12,5-GSPS przetwornika cyfrowo-analogowego. W kontynuacji tego artykułu zobaczymy, jak zoptymalizowano system zasilania przetwornika analogowo-cyfrowego (ADC) o prędkości 10,25 GSPS — AD9213. Układ ten jest pojedynczy, 12-bitowy, a ADC działa z prędkością 6 GSPS lub 10,25 GSPS. Ten konwerter analogowo-cyfrowy dedykowany jest do pracy z sygnałami o częstotliwości radiowej z pasmem wejściowym do 6,5 GHz. AD9213 stworzony został do aplikacji w obrębie częstotliwości i czasu o wysokim zakresie dynamiki, które wymagają szerokiego pasma chwilowego i niskich współczynników błędów konwersji. Układ ten jest wyposażony w 16-liniowy interfejs JESD204B, który obsługuje maksymalną przepustowość danych.
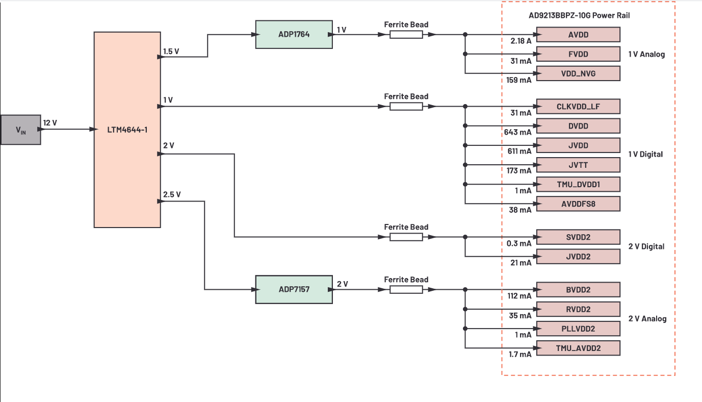
Rysunek 1 przedstawia standardową sieć dystrybucji zasilania dla szybkiego przetwornika ADC — taką, jaka znajduje się na gotowej płytce ewaluacyjnej AD9213 — składającą się z poczwórnego stabilizatora impulsowego LTM4644-1 µModule i dwóch stabilizatorów liniowych. To rozwiązanie jest dość oszczędne przestrzennie i energetycznie, jednak, czy można je ulepszyć? Jak zauważono w tej serii, pierwszym krokiem do optymalizacji jest ilościowe określenie czułości AD9213 na zakłócenia pochodzące z zasilania — to znaczy realistyczne ustawienie limitów szumu wyjściowego PDN, aby nie powodował znacznego pogorszenia wydajności ADC. Przyjrzymy się alternatywnemu rozwiązaniu PDN wykorzystującemu dwa stabilizatory µModule i porównamy jego parametry ze standardowym rozwiązaniem dostępnym: „z półki” na karcie katalogowej.
AD9213 wymaga 15 różnych szyn zasilających zebranych w cztery grupy:
* Analogowe 1V (trzy szyny);
* Cyfrowe 1V (sześć szyn);
* Analogowe 2V (dwie szyny);
* Cyfrowe 2V (cztery szyny).
Rys.1. Standardowy PDN znajdujący się na gotowej płytce ewaluacyjnej dla szybkiego przetwornika ADC AD9213.
Analiza: Wymagania dotyczące szumu
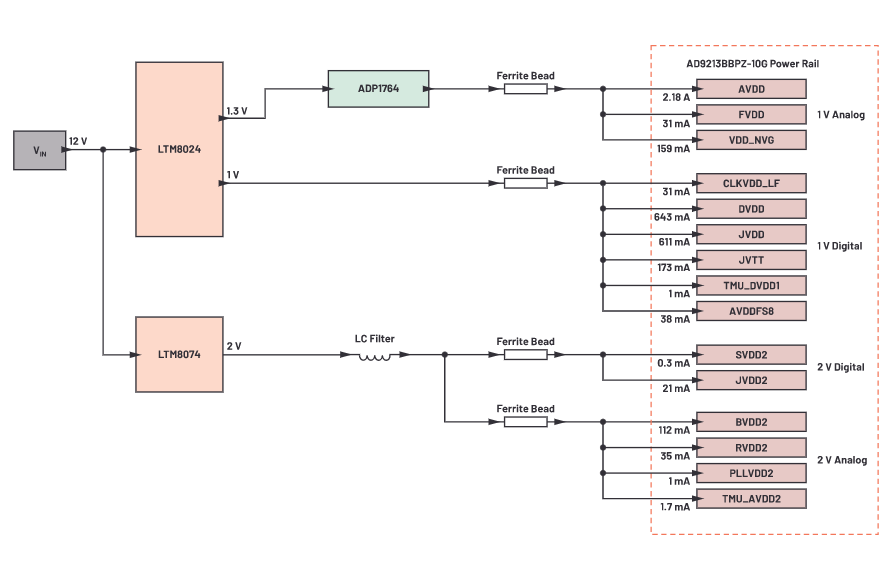
Zoptymalizowane rozwiązanie, które badamy, zastępuje poczwórny stabilizator impulsowy LTM4644-1 z rodziny µModule i dwa stabilizatory liniowe, dwoma stabilizatorami µModule (LTM8024 i LTM8074) oraz pojedynczym LDO.
Rysunek 2 pokazuje pomiar PSMR dla analogowych szyn zasilających 1V i 2V analogowych AD9213 przy częstotliwości nośnej 2,6 GHz. Szyna analogowa 1V jest bardziej czuła, niż szyna 2V ze względu na niższy PSMR. Rysunek 3 obrazuje z kolei widmo wyjściowe LTM8024 (z regulatorem LDO na wyjściu i bez) w wymuszonym trybie ciągłym (FCM). Pokazano również maksymalny dopuszczalny poziom tętnienia napięcia, który nie wytworzy impulsu w poziomie szumów -98 dBFS widma wyjściowego AD9213. Niefiltrowany szum 1/f i tętnienia pochodzące z przełączania stabilizatora LTM8024 przekraczają maksymalny dopuszczalny próg tętnień przy bezpośrednim zasilaniu szyny analogowej 1V.
Dodanie stabilizatora liniowego LDO ADP1764 do LTM8024 zmniejsza szum 1/f i tętnienie napięcia oraz jego harmoniczne do maksymalnego dopuszczalnego progu tętnienia, co pokazano również na rysunku 3. Na wejściu stabilizatora liniowego wymagane jest napięcie wyższe od wyjścia. W tym przypadku wyjście 1,3V jest używane z LTM8024 do stabilizacji napięcia 1V. Te 300 mV zaspokaja zalecaną specyfikację spadku napięcia w układzie LDO, jednocześnie minimalizując straty mocy w nim; jest to nieco mniejszy zapas napięcia niż 500 mV, jakie wykorzystane jest w standardowym rozwiązaniu ewaluacyjnym.
Optymalizacja szyn 2V: Rysunek 4 przedstawia widmo wyjściowe stabilizatora LTM8074 µModule (z filtrem LC i bez niego). Pokazany jest również maksymalny dopuszczalny próg tętnienia napięcia. Ten próg reprezentuje poziom tętnienia zasilania, przy którym wstęgi pasma bocznego w sygnale nośnym ADC pojawiają się powyżej założonego poziomu szumów -98 dBFS w widmie wyjściowym przetwornika AD9213. Tutaj podobnie, jak w przypadku szyny analogowej 1V, wstęgi pochodzące z kluczowania stabilizatora impulsowego przekraczają maksymalny dopuszczalny próg tętnień przy bezpośrednim zasilaniu szyny analogowej 2V ze stabilizatora impulsowego. Jednakże w tym wypadku stabilizator LDO nie jest wymagany. Zamiast tego wystarczający jest filtr LC na wyjściu LTM8074, który zmniejsza tętnienia przełączania poniżej maksymalnego dopuszczalnego progu tętnienia.
Wyniki: zoptymalizowany PDN
Rysunek 5 przedstawia zoptymalizowaną sieć dystrybucji energii wynikającą z rezultatu oceny czułości zasilania. Podobnie, jak standardowe rozwiązanie, wykorzystano tu trzy układy scalone mocy; w tym przypadku LTM8024, LTM8074 i ADP1764. W tym rozwiązaniu stabilizator LTM8024 z rodziny µModule VOUT1 jest dodatkowo regulowany przez LDO ADP1764 w celu zasilania stosunkowo czułej szyny analogowej 1V. Szyna cyfrowa 1V jest napędzana bezpośrednio z VOUT2 układu LTM8024. Podobnie, jak w przypadku DAC AD9175 z poprzedniej części artykułu, cyfrowe linie zasilania AD9213 są mniej wrażliwe na szumy, więc bezpośrednie zasilanie tych szyn jest możliwe bez pogorszenia dynamiki ADC. LTM8074 z filtrem LC zasila szyny analogowe 2V i cyfrowe 2V.
W tabeli 1 porównano parametry zoptymalizowanej sieci PDN ze standardową siecią PDN z płytki ewaluacyjnej. Jak pokazano na rysunku 1 standardowy PDN wykorzystuje stabilizator impulsowy z czterema wyjściami z dwoma stabilizatorami LDO. Zmniejszenie powierzchni komponentów wynosi 15,4%, a wydajność wzrosła do 73,5% (z 63,1%) przy ogólnej oszczędności energii na poziomie około 1,0 W.
Aby zweryfikować parametry zoptymalizowanej sieci PDN, AD9213 jest badany pod względem SFDR i SNR oraz poprzez inspekcję wyjściowego widma FFT wstęgi bocznej wokół nośnej. Pomiary SNR i SFDR pokazują wyniki, które mieszczą się w granicach specyfikacji arkusza danych, jak pokazano to w Tabeli 2. Rysunek 6 obrazuje widmo wyjściowe FFT AD9213, które charakteryzuje się czystą częstotliwością nośną bez widocznych zakłóceń wstęgi bocznej.
Rys.6. Widmo FFT dla AD9213 (przy 2,6 GHz, nośna –1 dBFS) przy użyciu zoptymalizowanego PDN z rysunku 5.
Podsumowanie
Gotowe płytki ewaluacyjne wysokowydajnych konwerterów danych są wyposażone w sieci dystrybucji zasilania i są zaprojektowane tak, aby spełniały wymagania dotyczące szumów tych układów przetwarzania sygnałów. Nawet przy starannych rozważaniach poczynionych przy projektowaniu płytki ewaluacyjnej zawsze jest miejsce na ulepszenie sieci dystrybucji energii. W tej i poprzedniej części zbadaliśmy dwa PDN: jeden dla szybkiego przetwornika DAC i jeden dla szybkiego przetwornika ADC. Udało się poprawić zajmowaną na PCB przestrzeń, wydajność energetyczną i szczególnie ważną sprawność cieplną w porównaniu ze standardowymi sieciami PDN. Dalsze ulepszenia można by wprowadzić w niektórych parametrach przy użyciu alternatywnych projektów lub obecnie niedostępnych urządzeń.
Źródło: https://www.analog.com/en/analog-dialogue/articles/optimizing-power-systems-for-the-signal-chain-part-2.html[/quote]]Link[/url]
Rysunek 1 przedstawia standardową sieć dystrybucji zasilania dla szybkiego przetwornika ADC — taką, jaka znajduje się na gotowej płytce ewaluacyjnej AD9213 — składającą się z poczwórnego stabilizatora impulsowego LTM4644-1 µModule i dwóch stabilizatorów liniowych. To rozwiązanie jest dość oszczędne przestrzennie i energetycznie, jednak, czy można je ulepszyć? Jak zauważono w tej serii, pierwszym krokiem do optymalizacji jest ilościowe określenie czułości AD9213 na zakłócenia pochodzące z zasilania — to znaczy realistyczne ustawienie limitów szumu wyjściowego PDN, aby nie powodował znacznego pogorszenia wydajności ADC. Przyjrzymy się alternatywnemu rozwiązaniu PDN wykorzystującemu dwa stabilizatory µModule i porównamy jego parametry ze standardowym rozwiązaniem dostępnym: „z półki” na karcie katalogowej.
AD9213 wymaga 15 różnych szyn zasilających zebranych w cztery grupy:
* Analogowe 1V (trzy szyny);
* Cyfrowe 1V (sześć szyn);
* Analogowe 2V (dwie szyny);
* Cyfrowe 2V (cztery szyny).
Rys.1. Standardowy PDN znajdujący się na gotowej płytce ewaluacyjnej dla szybkiego przetwornika ADC AD9213.
Analiza: Wymagania dotyczące szumu
Zoptymalizowane rozwiązanie, które badamy, zastępuje poczwórny stabilizator impulsowy LTM4644-1 z rodziny µModule i dwa stabilizatory liniowe, dwoma stabilizatorami µModule (LTM8024 i LTM8074) oraz pojedynczym LDO.
Rysunek 2 pokazuje pomiar PSMR dla analogowych szyn zasilających 1V i 2V analogowych AD9213 przy częstotliwości nośnej 2,6 GHz. Szyna analogowa 1V jest bardziej czuła, niż szyna 2V ze względu na niższy PSMR. Rysunek 3 obrazuje z kolei widmo wyjściowe LTM8024 (z regulatorem LDO na wyjściu i bez) w wymuszonym trybie ciągłym (FCM). Pokazano również maksymalny dopuszczalny poziom tętnienia napięcia, który nie wytworzy impulsu w poziomie szumów -98 dBFS widma wyjściowego AD9213. Niefiltrowany szum 1/f i tętnienia pochodzące z przełączania stabilizatora LTM8024 przekraczają maksymalny dopuszczalny próg tętnień przy bezpośrednim zasilaniu szyny analogowej 1V.
Dodanie stabilizatora liniowego LDO ADP1764 do LTM8024 zmniejsza szum 1/f i tętnienie napięcia oraz jego harmoniczne do maksymalnego dopuszczalnego progu tętnienia, co pokazano również na rysunku 3. Na wejściu stabilizatora liniowego wymagane jest napięcie wyższe od wyjścia. W tym przypadku wyjście 1,3V jest używane z LTM8024 do stabilizacji napięcia 1V. Te 300 mV zaspokaja zalecaną specyfikację spadku napięcia w układzie LDO, jednocześnie minimalizując straty mocy w nim; jest to nieco mniejszy zapas napięcia niż 500 mV, jakie wykorzystane jest w standardowym rozwiązaniu ewaluacyjnym.
Optymalizacja szyn 2V: Rysunek 4 przedstawia widmo wyjściowe stabilizatora LTM8074 µModule (z filtrem LC i bez niego). Pokazany jest również maksymalny dopuszczalny próg tętnienia napięcia. Ten próg reprezentuje poziom tętnienia zasilania, przy którym wstęgi pasma bocznego w sygnale nośnym ADC pojawiają się powyżej założonego poziomu szumów -98 dBFS w widmie wyjściowym przetwornika AD9213. Tutaj podobnie, jak w przypadku szyny analogowej 1V, wstęgi pochodzące z kluczowania stabilizatora impulsowego przekraczają maksymalny dopuszczalny próg tętnień przy bezpośrednim zasilaniu szyny analogowej 2V ze stabilizatora impulsowego. Jednakże w tym wypadku stabilizator LDO nie jest wymagany. Zamiast tego wystarczający jest filtr LC na wyjściu LTM8074, który zmniejsza tętnienia przełączania poniżej maksymalnego dopuszczalnego progu tętnienia.
Wyniki: zoptymalizowany PDN
Rysunek 5 przedstawia zoptymalizowaną sieć dystrybucji energii wynikającą z rezultatu oceny czułości zasilania. Podobnie, jak standardowe rozwiązanie, wykorzystano tu trzy układy scalone mocy; w tym przypadku LTM8024, LTM8074 i ADP1764. W tym rozwiązaniu stabilizator LTM8024 z rodziny µModule VOUT1 jest dodatkowo regulowany przez LDO ADP1764 w celu zasilania stosunkowo czułej szyny analogowej 1V. Szyna cyfrowa 1V jest napędzana bezpośrednio z VOUT2 układu LTM8024. Podobnie, jak w przypadku DAC AD9175 z poprzedniej części artykułu, cyfrowe linie zasilania AD9213 są mniej wrażliwe na szumy, więc bezpośrednie zasilanie tych szyn jest możliwe bez pogorszenia dynamiki ADC. LTM8074 z filtrem LC zasila szyny analogowe 2V i cyfrowe 2V.
W tabeli 1 porównano parametry zoptymalizowanej sieci PDN ze standardową siecią PDN z płytki ewaluacyjnej. Jak pokazano na rysunku 1 standardowy PDN wykorzystuje stabilizator impulsowy z czterema wyjściami z dwoma stabilizatorami LDO. Zmniejszenie powierzchni komponentów wynosi 15,4%, a wydajność wzrosła do 73,5% (z 63,1%) przy ogólnej oszczędności energii na poziomie około 1,0 W.
Tab.1. Zoptymalizowany a standardowy PDN dla AD9213.
| Standardowy PDN (Rys.1.) | Zoptymalizowany PDN (Rys.5.) | Poprawa względem standardowego rozwiązania | Pole powierzchni | 153.0 mm2 | 129.5 mm2 | 15.4% | Całkowita sprawność | 63.1% | 73.5% | 10.4% | Strata mocy | 2.5 W | 1.5 W | 1.0 W |
Aby zweryfikować parametry zoptymalizowanej sieci PDN, AD9213 jest badany pod względem SFDR i SNR oraz poprzez inspekcję wyjściowego widma FFT wstęgi bocznej wokół nośnej. Pomiary SNR i SFDR pokazują wyniki, które mieszczą się w granicach specyfikacji arkusza danych, jak pokazano to w Tabeli 2. Rysunek 6 obrazuje widmo wyjściowe FFT AD9213, które charakteryzuje się czystą częstotliwością nośną bez widocznych zakłóceń wstęgi bocznej.
Tab.2. Dynamiczne parametry AD9213 dla nośnej 2,6 GHz przy użyciu zoptymalizowanego PDN z rysunku 5.
| Parametr ADC | Zmierzona wartość | Teoretyczne minimum | Typowa wartość | SNR (dBFS) | 52.6 | 50.1 | 52.3 | SFDR (dBFS) | 72.0 | 60.0 | 76.0 |
Rys.6. Widmo FFT dla AD9213 (przy 2,6 GHz, nośna –1 dBFS) przy użyciu zoptymalizowanego PDN z rysunku 5.
Podsumowanie
Gotowe płytki ewaluacyjne wysokowydajnych konwerterów danych są wyposażone w sieci dystrybucji zasilania i są zaprojektowane tak, aby spełniały wymagania dotyczące szumów tych układów przetwarzania sygnałów. Nawet przy starannych rozważaniach poczynionych przy projektowaniu płytki ewaluacyjnej zawsze jest miejsce na ulepszenie sieci dystrybucji energii. W tej i poprzedniej części zbadaliśmy dwa PDN: jeden dla szybkiego przetwornika DAC i jeden dla szybkiego przetwornika ADC. Udało się poprawić zajmowaną na PCB przestrzeń, wydajność energetyczną i szczególnie ważną sprawność cieplną w porównaniu ze standardowymi sieciami PDN. Dalsze ulepszenia można by wprowadzić w niektórych parametrach przy użyciu alternatywnych projektów lub obecnie niedostępnych urządzeń.
Źródło: https://www.analog.com/en/analog-dialogue/articles/optimizing-power-systems-for-the-signal-chain-part-2.html[/quote]]Link[/url]
Fajne? Ranking DIY
