logo elektroda
logo elektroda
X
logo elektroda
REKLAMA
REKLAMA
Adblock/uBlockOrigin/AdGuard mogą powodować znikanie niektórych postów z powodu nowej reguły.

Nissan Qashqai 1,6 dci - Sterowanie przekaźnikami grzałek nurnikowych

xaw 30 Gru 2021 11:50 4824 21
REKLAMA
  • #1 19789907
    xaw
    Poziom 13  
    Witam wszystkich.
    Mam problem z Nissanem Qashqai 1,6 dCi R9M z 2013 roku.
    Mam błąd sterowania przekaźnikami grzałek nurnikowych, nr 1,2 i 3.
    Znalazłem przekaźnik nr 1 i 3 ( skrzynka obok akumulatora PTC1 i PTC3), oba sprawne. Dwa bezpieczniki nad przekaźnikami PTC 30A sprawne. Zasilanie przekaznikow jest na nogach 2 i 3. Noga nr 5 piszczy z masą ale przejścia z niej na zasilanie grzałek nie ma.
    Ewidentnie brak sterowania przekaznikow.
    Czy ktoś orientuje się co inicjuje grzanie czyli wysterowuje przekaźniki ?
    Dodam że silnik miał poważny remont, i praktycznie wszystkie kable i kostki na górze były odłączone.
    Nie mam schematu elektryki i pojęcia nie mam gdzie szukać czujnika lub innego elementu przed przekaznikami.
    Drugie pytanie, gdzie jest przekaźnik nr 2 i bezpiecznik do niego ?
    Pozdrawiam

    Aktualizacja: przekaźnik nr 2 jest za nadkolem w mniejszej skrzynce natomiast bezpiecznik 40A do niego w puszce większej. Sytuacja identyczna jak z 1 i 3.

    Jakieś pomysły ?
  • REKLAMA
  • #2 19789971
    ladamaniac
    Poziom 40  
    Przekaźniki i bezpieczniki PTC to raczej masz do elektrycznej nagrzewnicy wnętrza. Świecami nurnikowymi steruje Moduł podobny do sterownika świeć żarowych. on zaś sterowanie dostaje z komputera silnika. Powinien być z przodu koło lewej lampy, w pobliżu sterownika silnika i sterownika świeć żarowych.
  • #3 19790783
    xaw
    Poziom 13  
    Znalazłem przekaźnik, jest obok przekaźnika świec żarowych. Przejście na grzałki jest. Może jest ktoś kto ma schemat elektryczny dużej kostki tego przekaźnika do ECU i innych elementów.
    Nissan Qashqai 1,6 dci - Sterowanie przekaźnikami grzałek nurnikowych

    Dodano po 5 [minuty]:

    Znalazłem przejścia z przekaźnika do ECU, wszystkie są.
    Może ktoś będzie kiedyś szukał to podaje :)

    Przekaźnik wtyczka zielona - ECU wtyczka środkowa

    Pin 1 kabel brązowy - B1
    Pin 2 kabel niebieski - D3
    Pin 3 kabel żółty - F2
    Pin 7 kabel zielony - G3
    Pin 8 kabel czerwony - E2

    Tylko nic mi to nie daje, ktoś podpowie gdzie szukać ? ECU czy przekaźnik rozklejać ? Schematów sterownika ani przekaźnika nie udało mi się znaleźć.
  • #5 19791810
    xaw
    Poziom 13  
    Błąd da się skasować.
    Powraca po teście grzałek CDIF lub po przejechaniu kawałka trasy, czasem zaraz po odpaleniu
    Odczucia, ciężko określić ponieważ zatarła się jeszcze przepustnica wydechu, właśnie kończę jej montaż po czyszczeniu i smarowaniu, zrobię adaptacje przepustnicy i się okaże.
    Ale raczej strikte z grzałkami nie było nic związane.
    Wczoraj rozebrałem ECU i przekaźnik. W przekaźniku wszystkie przewody stykają, żaden się nie przepalił ani nie odszedł od pinów.
    ECU miał robiony program w związku z dpf jakieś trzy lata temu, widać, że były robiony direct.
    Połączenia na wtyczce do płyty ECU są.
    Wyczyściłem ECU, złożyłem, skończę przepustnice i zobaczymy. Ale raczej uszkodzone ECU, bez schematu będzie ciężko.

    Dodano po 35 [sekundy]:

    Błędy pojawiają się od razu na trzech przekaznikach
  • #6 19802385
    genek1000
    Poziom 35  
    xaw napisał:
    ECU miał robiony program w związku z dpf jakieś trzy lata temu

    No to raczej grzałki już ci nie potrzebne . W większości przypadków są potrzebne do prawidłowego działania DPF.
    Duuuże prawdopodobieństwo że zostały wyłączone razem z DPF
    Czy grzałki posiadają prawidłową masę do obudowy ?
    Czy na grubych konektorach przekaźnika grzałek masz 12 V ?
    Jak to jest to albo uwalony przekaźnik grzałek albo ECU silnika
  • REKLAMA
  • #7 20841092
    mc5
    Poziom 11  
    Przez ostatnie dni na mrozie auto z rana ciężko odpala, podpiąłem Launch aby sprawdzić czy jest jakiś błąd świec żarowych a okazuje się że jest błąd ale ten sam co w poście - 1,2 i 3 grzałki nurnikowe (Qashqai 1,6 dci , automat, 2014 rok) . Zadzwoniłem do aso , podałem nr nadwozia i zapytałem o grzałki nurnikowe - powiedziano mi że mój model ich nie ma ??? Auto mam od kilkunastu lat , znam historię od początku , nigdy nic nie było grzebane. Nie mierzyłem świec żarowych czy sprawne, ale chciałem zapytać czy uszkodzone świece żarowe komunikują jakiś kod błędu na testerze ( a może Launch tak wyświetla błąd świec żarowych sam nie wiem dlatego Was pytam) ? Nie mam żadnych innych błędów, samochód zachowuje się normalnie.
  • #9 20842149
    mc5
    Poziom 11  
    @Strumien swiadomosci swia
    piszesz o grzałkach nurnikowych ?
    One są widoczne pod maską czy przy nagrzewnicy wewnątrz kabiny ?
  • #12 20850210
    mc5
    Poziom 11  

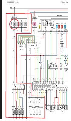
    Dzięki za schemat @mrucze.

    Okazuje się, że świece żarowe oraz grzałki nurnikowe są podłączone do akumulatora na tej samej linii, a tam właśnie przy klemie przepalił się bezpiecznik (zintegrowany z klemą). Czy dobrze odczytuję ze schematu, że to 100A bezpieczniki są zaznaczone w kółku?

    Nissan Qashqai 1,6 dci - Sterowanie przekaźnikami grzałek nurnikowych
  • REKLAMA
  • #14 20895579
    dailydrivepl
    Poziom 3  
    Potrzebował bym pomocy chce zamontować taki podgrzewacz płynu jak w temacie i nie wiem jak go wysterować, wiem że w tej kostce żółto niebieskiej dwa srodkowe piny to stałe plusy a na jakie piny podać prąd żeby uruchomić podgrzewanie najlepiej przydał by mi się opis tej kostki.
  • #16 20895689
    dailydrivepl
    Poziom 3  
    W innym aucie dokładnie to w audi chce żeby szybciej się dogrzewało.
  • REKLAMA
  • #18 20895789
    dailydrivepl
    Poziom 3  
    Mam alternator 240 A, ponieważ auto posiada system start-stop. Akumulator mam 105 Ah AGM.
  • #20 20895941
    dailydrivepl
    Poziom 3  
    Ja potrzebuje tylko opis tej kostki w jakie piny się podpiąć żeby sobie ten dogrzewacz zamontować a nie porady czy mogę go zamontować itp..
    Będę montował go do audi a5 z 2.0 tdi ponieważ usówam zawór egr który posiada chłodnicze spalin która dogrzewa płyn na zimnym silniku. I w miejsce hłodniczki montuje tem ogrzewacz.
  • #21 20897746
    Strumien swiadomosci swia
    Poziom 43  
    dailydrivepl napisał:
    Ja potrzebuje tylko opis tej kostki w jakie piny się podpiąć żeby sobie ten dogrzewacz zamontować a nie porady czy mogę go zamontować itp..

    dailydrivepl napisał:
    Ja potrzebuje tylko opis tej kostki w jakie piny się podpiąć żeby sobie ten dogrzewacz zamontować

    Tam wszystko widać po kolorach.

Podsumowanie tematu

Użytkownik zgłasza problem z Nissanem Qashqai 1,6 dCi z 2013 roku, związany z błędem sterowania przekaźnikami grzałek nurnikowych. Po sprawdzeniu przekaźników i bezpieczników, użytkownik stwierdza brak zasilania na nogach przekaźników. Wskazano, że grzałkami steruje moduł podobny do sterownika świec żarowych, który otrzymuje sygnał z ECU. Użytkownik zidentyfikował przekaźnik obok przekaźnika świec żarowych, ale nadal nie ma pełnej pewności co do źródła problemu. Inni uczestnicy dyskusji sugerują sprawdzenie masy grzałek oraz ewentualne uszkodzenie ECU. Pojawiają się również pytania o schematy elektryczne oraz lokalizację przekaźników i bezpieczników. W końcu, użytkownik odkrywa, że grzałki nurnikowe i świece żarowe są podłączone do akumulatora na tej samej linii, co może wskazywać na problem z bezpiecznikiem.
Podsumowanie wygenerowane przez model językowy.
REKLAMA