logo elektroda
logo elektroda
X
logo elektroda
REKLAMA
REKLAMA
Adblock/uBlockOrigin/AdGuard mogą powodować znikanie niektórych postów z powodu nowej reguły.

Megane 3 2014r. 1.6 16V Polift - Szukam schematu czujnika poziomu paliwa

waski821 31 Gru 2021 12:26 477 7
REKLAMA
  • #1 19792079
    waski821
    Poziom 17  
    Witam. Poszukuje schematu obwodu czujnika poziomu paliwa do megane 3 2014r. 1.6 16v. Poliftowy. Z góry dzięki.
  • REKLAMA
  • #2 19792159
    Konto nie istnieje
    Poziom 1  
  • REKLAMA
  • #3 19792243
    Konto nie istnieje
    Poziom 1  
  • REKLAMA
  • #4 19792455
    waski821
    Poziom 17  
    Chodzi o obwód pływaka w zbiorniku paliwa. Które to piny w liczniku.
  • #5 19792472
    andrzej20001
    Poziom 43  
    Jesli can to nie ma czegoś takiego
  • REKLAMA
  • Pomocny post
    #6 19792510
    milejow
    Poziom 43  
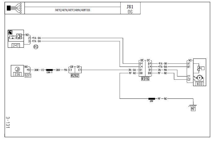
    Megane 3 2014r. 1.6 16V Polift - Szukam schematu czujnika poziomu paliwa
  • #7 19792562
    waski821
    Poziom 17  
    Milejow czy jesteś pewny tego schematu? Mój silnik to k4m. Wychodzi że to piny 2 i 3 i na schemacie mają to samo oznaczenie koloru a u mnie 2 i 3 mają różne kolory.
  • #8 19792566
    milejow
    Poziom 43  
    To schemat meganki z 2009 i silnikiem f4r. Możesz mieć inne kolory kabli ale pinologia będzie ta sama
REKLAMA