Witam,
Do budowanych urządzeń potrzebuję płytkę PCB pod przekaźniki i elementy pomocnicze.
Sam nie jestem elektronikiem i mam w obszarze wykonania PCB bardzo małe doświadczenie.
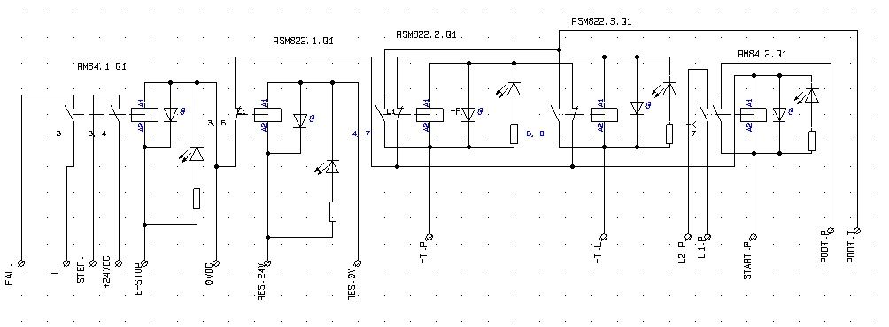
Płytka ma być jednostronna, 70x72mm. Na płytce 2 przekaźniki RM84 Relpol, 3 przekaźniki RSM822 Relpol, 5diod led z rezystorem ograniczającym prąd diody dla 24VDC i dla każdego przekaźnika dioda przeciwprzepięciowa w obwodzie cewki. Na płytce zamontowana też listwa złączy śrubowych 15 pół.
Proszę teraz o podpowiedź:
1) Jaki powinien być koszt wykonania projektu?
2) Jaki jest koszt wykonania partii próbnej 10 szt.
Schemat układu mogę wrzucić przy najbliższej okazji.
Z góry dziękuję za wszystkie podpowiedzi
Do budowanych urządzeń potrzebuję płytkę PCB pod przekaźniki i elementy pomocnicze.
Sam nie jestem elektronikiem i mam w obszarze wykonania PCB bardzo małe doświadczenie.
Płytka ma być jednostronna, 70x72mm. Na płytce 2 przekaźniki RM84 Relpol, 3 przekaźniki RSM822 Relpol, 5diod led z rezystorem ograniczającym prąd diody dla 24VDC i dla każdego przekaźnika dioda przeciwprzepięciowa w obwodzie cewki. Na płytce zamontowana też listwa złączy śrubowych 15 pół.
Proszę teraz o podpowiedź:
1) Jaki powinien być koszt wykonania projektu?
2) Jaki jest koszt wykonania partii próbnej 10 szt.
Schemat układu mogę wrzucić przy najbliższej okazji.
Z góry dziękuję za wszystkie podpowiedzi
