logo elektroda
logo elektroda
X
logo elektroda
REKLAMA
REKLAMA
Adblock/uBlockOrigin/AdGuard mogą powodować znikanie niektórych postów z powodu nowej reguły.

Ford Focus C-Max - U2516-60 Błąd magistrali komunikacyjnej CAN i sterowanie szybami

ociz 06 Sty 2022 19:16 1527 8
REKLAMA
  • #1 19804475
    ociz
    VIP Zasłużony dla elektroda
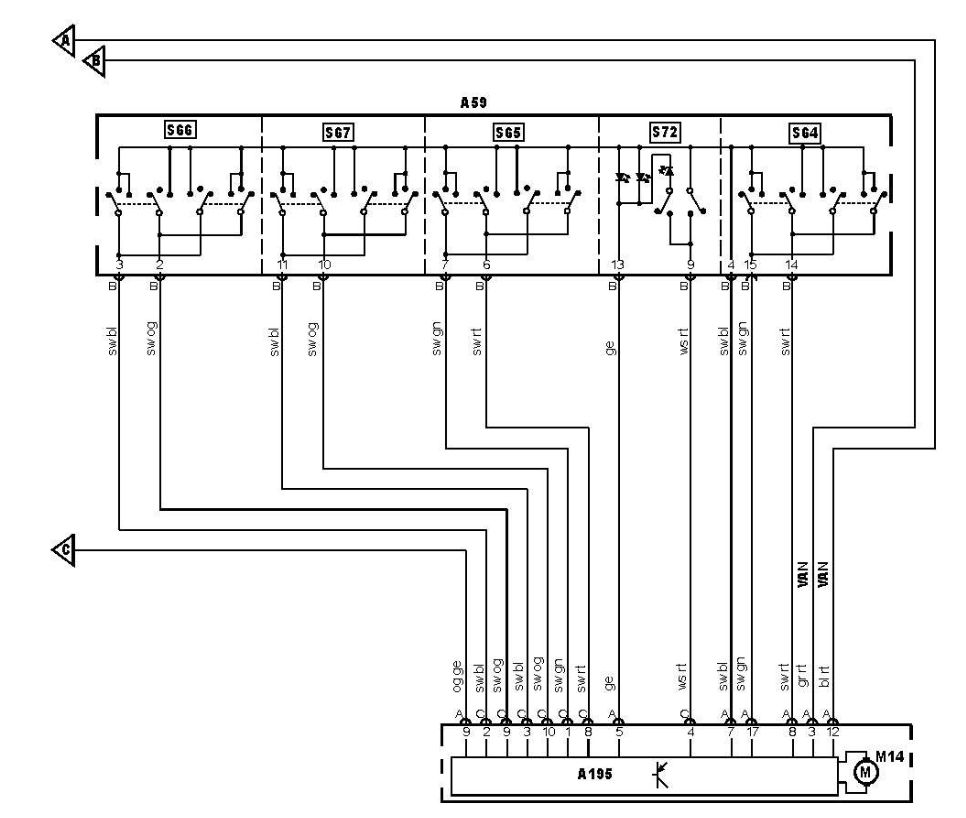
    Sytuacja taka że sterowanie szybami w drzwiach kierowcy działa sobie jak chce, raz w ogóle, raz nie w tą stronę co trzeba, podejrzewam uszkodzenie modułu w drzwiach bo jest stały "U2516-60 Błąd magistrali komunikacyjnej CAN" i przez to CAN się nawet uśpić nie chce, nie gaśnie wyświetlacz na zegarach jak jest podpięty. Ale, zajrzałem też do panelu i trochę dziwnie to jest rozwiązane, styki sterowania w górę i w dół są połączone równolegle, rezystancji nawet nie ma miedzy nimi.
    Ford Focus C-Max - U2516-60 Błąd magistrali komunikacyjnej CAN i sterowanie szybami
    Ktoś wie jak to działa, bo nie daje mi to teraz spokoju?
  • REKLAMA
  • #3 19804919
    ociz
    VIP Zasłużony dla elektroda
    Nie ma nic, zwykłe gumki jak w pilocie od telewizora. Ta Fiesta to nie ta epoka. Ale chociaż mi podsunąłeś żeby na schemat spojrzeć, teraz mam tylko dostęp do schematu Focusa MK2 i tam jest chyba tak samo zrobione, ale jutro sprawdzę do tego konkretnego auta i mu się przyjrzę.
  • REKLAMA
  • #4 19806130
    Konto nie istnieje
    Poziom 1  
  • REKLAMA
  • #5 19806649
    ociz
    VIP Zasłużony dla elektroda
    Ze schematu dowiedziałem się tyle co i widać, styki góra i dół są połączone równolegle, wciąż nie mam pojęcia jak to działa, Co do uszkodzenia modułu raczej się nie pomyliłem, bo miałem panel na podmianę i zachowuje się tak samo.
  • #6 19806677
    urkotrebor
    Poziom 21  
    A czy możesz podzielić się schematem , może ktoś spojrzy świeżym okiem i coś wymyśli ?
  • REKLAMA
  • #7 19806717
    ociz
    VIP Zasłużony dla elektroda
    Tu mam tylko do zwykłego Focusa, ale C-Max ma tak samo.
    Ford Focus C-Max - U2516-60 Błąd magistrali komunikacyjnej CAN i sterowanie szybami Ford Focus C-Max - U2516-60 Błąd magistrali komunikacyjnej CAN i sterowanie szybami
  • Pomocny post
    #8 19806822
    NIXIE_123
    Poziom 34  
    Ze schematu wynika że przyciski mają dwa kliki.
    Pierwszy klik zwiera jedno pole, drugi klik zwiera oba pola.

    Pierwszy klik szyba w górę(przykład) podaje zasilanie na pierwszą linię
    Drugi klik szyba w górę(przykład) podaje zasilanie na obie linie

    Pierwszy klik szyba w dół(przykład) podaje zasilanie na drugą linię
    Drugi klik szyba w dół(przykład) podaje zasilanie na obie linie

    Czy teraz wszystko jasne?
  • #9 19806851
    ociz
    VIP Zasłużony dla elektroda
    Faktycznie tak może być, że ten 1 klik to po przekątnej. Jeszcze sprawdzę jak zbudowane są mechanicznie przyciski pod gumkami żeby się upewnić, ale to dopiero w poniedziałek. Myślę jednak że masz rację.
REKLAMA