logo elektroda
logo elektroda
X
logo elektroda
REKLAMA
REKLAMA
Adblock/uBlockOrigin/AdGuard mogą powodować znikanie niektórych postów z powodu nowej reguły.

[Rozwiązano] Renault scenic II PH 1 - Elektryczne lusterka, przełącznik st., kostka z kablami

wojtek1234321 07 Sty 2022 10:26 2352 13
REKLAMA
  • #1 19805392
    wojtek1234321
    Poziom 36  
    Renault Scenic II PH 1, 2005 r.
    Taka dziwna sprawa.
    W czasie obfitego deszczu (najprawdopodobniej tak było) gdy były otwarte drzwi podczas wsiadania/wysiadania woda dostała się do środka przełącznika ustawiania lusterek. Po jakimś czasie (nie wiem po jakim, bo to było po zatrzymaniu i postoju po jeździe) lewe lusterko się przestawiło i cały czas buczało. Pierwsza reakcja to poruszać przełącznikiem. Okazało się, że przełącznik jest cały "twardy" i nie można nim poruszać, a lusterko cały czas "buczy". Po wyjęciu przełącznika cały był prawie stopiony, nie można było wypiąć kostki i przełącznik i kostka się "rozpadły". Nikt nie myślał w tym czasie aby patrzeć gdzie jakie kable itp. bo chodziło o to, aby coś więcej się nie popaliło.
    I teraz taka kwestia - jaka tam jest kostka na tych kablach, jak to połączyć (pinout i kolory kabli) do nowej, gdzie kupić taką kostkę i jak to połączyć do przełącznika. Przełącznik chyba 8-pinowy, bo dochodziło 7 kabli lusterka bez składania, tylko jak były podłączone, na które miejsca. Najbardziej "zgrzała" się ta płytka przełącznika i stopiła, wygrzała całą resztę, aż kostki skruszały i przy próbie demontażu się rozpadły (dobrze, że nie doszło do pożaru, być może dlatego nie doszło do zapalenia bo jeden silniczek pracował i "odbierał prądy". Chyba nic więcej się nie uszkodziło bo kable biegnące od przełącznika się nie potopiły. Kompletnie nie wiem jak to naprawić, może gdzieś skombinować używaną kostkę z kawałkami kabli i połączyć kolorami, tylko czy zawsze te kolory były zgodne, takie same. Nie wiem jak to zrobić.
    Może ktoś posiada fragment schematu jak podłączyć ten przełącznik, położenie kabli na pinach przełącznika (kolory kabli).
    Kombinuje może gdzieś wydłubać taką kostkę z jakiejś używki razem z kablami i połączyć z tym co zostało, dało by to radę, tylko pytanie czy kolory kabli będą się zgadzały. Doradzicie coś?
  • REKLAMA
  • #2 19805512
    sanfran
    Specjalista Sieci, Internet
    Dokładnie, idź na złom i wydłub przełącznik z podłączonymi kostkami. Poproś aby przy kostkach było najwięcej kabli ile się da. Kolory powinny się zgadzać, nawet jeśli nie będzie ze zbliżonej daty produkcji. W Scenicach 2 zaczęli już oszczędzać na maxa i kable są bardzo cienkie a przełączniki tandetne. Uwaga, kable lubią się łamać i nie stykać.
  • #3 19807188
    wojtek1234321
    Poziom 36  
    Nie ma chętnego do podzielenia się schematem, to może znajdzie się ktoś, kto użytkuje podobnego. Przełącznik bardzo łatwo się wyjmuje, może ktoś by wyciągnął i zrobił dokładne fotografie z kolorami jakie kable na jakie miejsca w przełączniku. Na pewno by pomogło...
  • Pomocny post
    #4 19807443
    sanfran
    Specjalista Sieci, Internet
    Mój scenik od 2017 na złomowisku już jest. Ale mam rozwiązanie.
    Zaloguj się na portal megane i pod poniższym linkiem znajdziesz schematy meganek i scenikow z rożnych lat produkcji.
    https://megane.com.pl/files/file/174-schematy-elektryczne-megane-i-scenic/
  • REKLAMA
  • #5 19807649
    wojtek1234321
    Poziom 36  
    Dzięki, schemat jest, ale wcześniej ściągałem z innych miejsc niby to samo, ale coś nie wyszukiwało odpowiednich schematów. Tylko doradzicie może jeszcze gdzie i jak w tym programie ze schematami (VISU-Schéma) znaleźć stronkę z jakimiś opisami tych schematów (kolory kabli, itp), bo jakoś sobie nie radzę z jego obsługą. Schemat jest, ale bez opisu jakoś trudno.

    Renault scenic II PH 1 - Elektryczne lusterka, przełącznik st., kostka z kablami


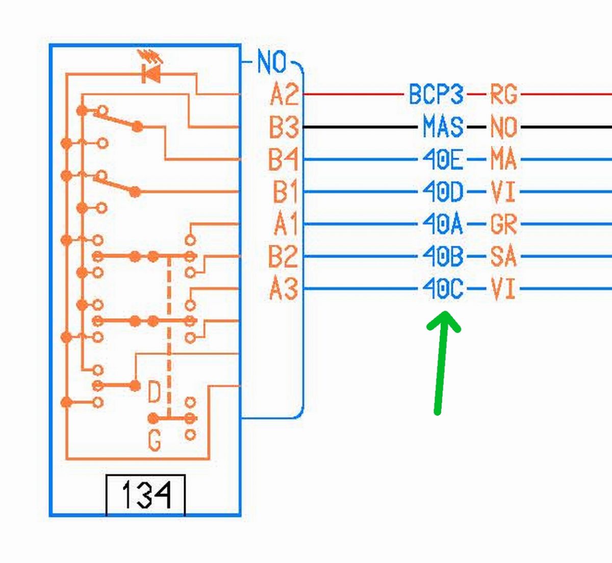
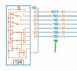
    Element 134 to będzie przełącznik, tylko teraz kolory kabli...
  • #7 19808189
    wojtek1234321
    Poziom 36  
    sanfran napisał:
    Podejrzewam, że są na rysunku jako dwuznakowe kody. Zdaje się po francusku.
    To ja wiem, że oznaczenia RG, NO, MA, VI, GR, SA, VI to skróty/kody kolorów, ale jak to będzie "po naszemu", czy te kody to "angliki" czy "francuzy". Można przypuszczać że np. kod RG to jest związany z kablem czerwonym (RG = R - Red, G - Gray) gdyby to było po angielsku, "to po naszemu" czerwony z szarym paskiem. Gdyby po francusku to RG było by to samo R - Rouge lub Rose = czerwony lub różowy, G - Gris = szary (też podobnie jak anglik), tylko teraz trzeba szukać reszty, np. V to może być Violet - fioletowy i to by się zgadzało z kolorami występującymi we wiązce, takie liche zdjęcie.

    Renault scenic II PH 1 - Elektryczne lusterka, przełącznik st., kostka z kablami


    Jednak chyba te skróty/kody kolorów są "z francuza", tak sądzę po kolorze czarnym N - Noir, a anglik to Black. Więc trzeba szukać francuskich nazw kolorów i porównywać skróty i kolory we wiązce i pomalutku się "dojdzie", tylko jeszcze trzeba znaleźć gdzieś pinoutu/oznaczenia pinów w tym przełączniku (gdzie który się mieści, bo "pinologia" (A2, B3, B4, B1, A1, B2, A3) jest na tym schemacie, tylko który jest który na przełączniku...
  • REKLAMA
  • #8 19808555
    milejow
    Poziom 43  
    Obok ikony w którą kliknąłeś żeby wyświetlić schemat jest ikona widoku złączy elektrycznych, kolejne ikony to min. opis skrótów na schematach i oznaczenie kolorów kabli
  • #9 19808652
    wojtek1234321
    Poziom 36  
    Tak, ale to już było próbowane nie raz, widocznie to co mam jest jakieś okrojone, zmodyfikowane, niepełne. Bo oprócz schematów nie ma żadnych innych informacji. Tak, że to VISU jest jakieś niepełne, pobierane z linku który jest kilka postów wyżej. Albo moja przeglądarka po prostu tego nie obsługuje, tak jak trzeba...
    Przeglądarka Firefox Windows 7.
  • #10 19808680
    sanfran
    Specjalista Sieci, Internet
    Ale po co są tobie potrzebne kody kolorów? Teraz to łatwo wszystko połapać. Jest tylko jedno zasilanie i jedna masa- łatwe do wykrycia. Reszta - 5 przewodów - to sterowanie silniczkami, można na nie spokojnie podać 12V i obserwować które lusterko w którą stronę się przestawia.

    Przy okazji, podobny manipulator lusterek był stosowany w samochodzie Ford Escort - ostatnia wersja, więc może i kostka się zgodzi.
  • #11 19808711
    wojtek1234321
    Poziom 36  
    sanfran napisał:
    Ale po co są tobie potrzebne kody kolorów? Teraz to łatwo wszystko połapać.
    Z tym to sobie dam radę, ważniejsze jest pod który styk regulatora/przełącznika podłączyć który kabel, bo nie wiem czy piny są na przełączniku ponumerowane czy nie, bo na schemacie są numerki, ale czy na przełączniku też, czy trzeba je rozszyfrować z jakiejś "rozpiski"...
    No i chyba sprawa rozwiązana"znalazło się", pinout zgadza się ze schematem. :D

    Tak dla ścisłości.
    Renault scenic II PH 1 - Elektryczne lusterka, przełącznik st., kostka z kablami Renault scenic II PH 1 - Elektryczne lusterka, przełącznik st., kostka z kablami
  • REKLAMA
  • #12 19808762
    sanfran
    Specjalista Sieci, Internet
    wojtek1234321 napisał:
    ważniejsze jest pod który styk regulatora/przełącznika podłączyć który kabel, bo nie wiem czy piny są na przełączniku ponumerowane czy nie


    To nie ma znaczenia. Przecież masz zepsuty manipulator i spaloną kostkę. I tak musisz kupić manipulator z kostką i najlepiej jeszcze gdyby z kostki wychodziło ze 20cm przewodów.
    Według schematu jest 7 przewodów: masa, zasilanie, cztery zasilania silników i ich wspólny powrotny. Jednorazowo sterujesz tylko jednym silnikiem. Po wypróbowaniu wszystkich pozycji na powrotnym pojawi się cztery razy plus i cztery razy minus. Na sterowniczych raz będzie plus i raz minus. Wystarczy tylko „przedzwonić” przewody w każdej z ośmiu pozycji i przełącznik będzie rozkminiony.
    Samochód podaje masę, i zasilanie (scenic chyba zawsze) - to wyczaisz woltomierzem. Reszta przewodów po zbadaniu omomierzem podpiętym do masy wykaże przerwę. Podając na nie 12V będzie wiadomo jakie przewody są zasilone.
    Teraz łączysz przewody, izolujesz i gotowe.
  • #13 19808809
    wojtek1234321
    Poziom 36  
    sanfran napisał:
    Przecież masz zepsuty manipulator i spaloną kostkę.
    No tak, masz rację, ale być może, jak pisali na forum Renault, z kostką mogą być małe trudności, manipulator łatwiej dostępny. Na kablach zostały wsuwki co były w kostce. Pomyślałem, że jak nie dostanę kostki, to po odczyszczeniu i zaizolowaniu końcówek kabli (termokurczki?) można je będzie wsunąć na piny przełącznika "ręcznie" i coś się "wyrzeźbi", gdybym nie zdobył kostki...
    Wyżej w poście pisałem że sprawa się rozwiązała (chyba) znalazłem potrzebne informacje i być może coś się zrobi.
  • #14 20047863
    wojtek1234321
    Poziom 36  
    Znalazłem schemat i wymieniony wyłącznik, opisane w postach wyżej

Podsumowanie tematu

Użytkownik Renault Scenic II PH 1 z 2005 roku zgłosił problem z elektrycznym lusterkiem, które przestało działać po zalaniu przełącznika ustawiania lusterek wodą. Po usunięciu uszkodzonego przełącznika, okazało się, że jest on stopiony, a kostka z kablami uległa zniszczeniu. Uczestnicy dyskusji sugerowali, aby poszukać zamiennika przełącznika na złomowisku, zwracając uwagę na konieczność zachowania odpowiednich kolorów kabli. Podano również link do schematów elektrycznych dla Renault Megane i Scenic, które mogą pomóc w identyfikacji pinów i kolorów kabli. Użytkownik znalazł schemat, który pomógł w wymianie przełącznika, a także omówiono metody testowania przewodów oraz podłączania ich do nowego przełącznika.
Podsumowanie wygenerowane przez model językowy.
REKLAMA