logo elektroda
logo elektroda
X
logo elektroda
REKLAMA
REKLAMA
Adblock/uBlockOrigin/AdGuard mogą powodować znikanie niektórych postów z powodu nowej reguły.

Podłączenie kolumn Tonsil Fenix I 8Ohm i Tonsil Zeus 4Ohm do wzmacniacza Yamaha A-960 II

Mitura89 10 Sty 2022 02:06 990 37
REKLAMA
  • #1 19811138
    Mitura89
    Poziom 5  
    Witam.
    Krótko i na temat bo nie mogę doczytać.
    Czy mogę podłączyć do wzmacniacza Yamaha A-960 II 2x Tonsil Fenix I 8Ohm (kolumny podłogowe) równolegle pod jeden kanał, a pod drugi Tonsil Zeus 4Ohm
    Czy lepszym rozwiązaniem będzie podpięcie ich pod jeden kanał ale Fenixy w lewe złącze a Zeusa pod prawe.
  • REKLAMA
  • Pomocny post
    #2 19811322
    viayner
    Poziom 43  
    Witam,
    z tego co znalazlem to wzmacniacz teoretycznie oddaje 100/8hm, nie znalazlem wzmianki jak wspolpracuje przy nizszej impedancji. Skoro tego nie podaja nalezy uznac ze nie jest to zalecane.
    2x Fenix rownolegle da 4 ohmy, a drugi kanal to pojedynczy Zeus ? tu tez masz 4 ohm. Wiekszosc wzmacniaczy toleruje nizsza impedancje z pewnymi ograniczeniami, na pewno nie mozesz oczekiwac pelnej mocy/wysterowania.
    Czemu chcesz miec taka hybryde? podlacz normalnie Fenix pod lewy i prawy kanal i zapomnij o Zeusie.
    Dostosuj moc do kolumn.
    Pozdrawiam
  • Pomocny post
    #3 19811341
    md
    Poziom 41  
    Nic tutaj do siebie nie pasuje. Feniksy cienizna, bez subwoofera nie mają racji bytu, a Zeus nie pasuje ze względu na impedancję 4Ω. Jeżeli już na siłę chcesz podłączyć wszystkie głośniki, to wyłącznie tak, że jeden Fenix do jednego kanału, a drugi feniks z Zeusem połączone szeregowo do drugiego. Suma impedancji 12Ω będzie bezpieczniejsza niż 4Ω.
    Podłączając te trzy kolumny do jednego wzmacniacza psujesz sobie odsłuch.
  • #4 19811443
    Mitura89
    Poziom 5  
    Rozumiem
    Ale cały czas mi w głowie siedzi że jak podłącze Feniksy równolegle to uzyskam 4Ohm i czy wtedy mogę podłączyć je do jednego kanału lewego a Zeusa do prawego, czy ma to racje bytu?
  • Pomocny post
    #5 19811484
    kazikszach
    Poziom 38  
    Wzmacniacz ma chyba wyjście o minimalnej obciążalności 8Ω, więc twoje podłączenie spowoduje przeciążenie końcówek, jest też bez sensu akustycznie.
    Dla pewności podaj opis przy zaciskach do podłączenia kolumn lub dokładne zdjęcie tych zacisków.
  • #6 19811533
    Mitura89
    Poziom 5  
    Podłączenie kolumn Tonsil Fenix I 8Ohm i Tonsil Zeus 4Ohm do wzmacniacza Yamaha A-960 II

    Dodano po 1 [minuty]:

    Kazikszach masz niestety rację, ale bardzo chce mieć mocne dupniecie, czy zostaje mi tylko altus 300 jeżeli chodzi o polską firmę?
  • REKLAMA
  • Pomocny post
    #7 19811566
    Cowboy zagrabie
    Poziom 31  
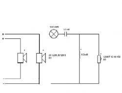
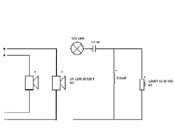
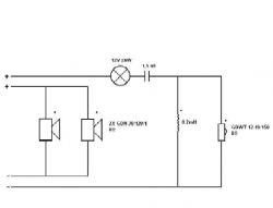
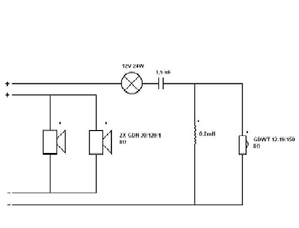
    Jeżeli masz tylko jednego Zeusa to go rozdziel elektrycznie, siedzą w nim 2x GDN 30/120 8Ω oraz
    GDWT 12-19/150 8Ω.
    Świerszscza odepnij a a patelnie podłącz po jednym na kanał w linii B. Feniksy standardowo do linii A.
  • Pomocny post
    #8 19811580
    Mobali
    Poziom 43  
    Mitura89 napisał:
    ...ale bardzo chce mieć mocne dupniecie
    Po podłączeniu zestawu kolumn o znacznie mniejszej niż zalecana impedancji faktycznie możesz uzyskać "dupnięcie", ale... Przeciążonej krytycznie końcówki mocy. Poza tym z punktu widzenia akustyki to zupełnie bezsensowne rozwiązanie! Sumując większą ilość słabych kolumn niczego innego poza dalszym obniżaniem jakości odsłuchu nie osiągniesz. Równie opłakane skutki dla odsłuchu będzie miało także podłączenie zupełnie odmiennych akustycznie zestawów głośnikowych pod kanały stereo Twojego wzmacniacza. Jeśli chcesz uzyskać dobre efekty podłącz do wzmacniacza stereo tylko dwie, ale za to dobrze dopasowane kolumny. Weź pod uwagę nie tylko dopasowanie parametrów fizycznych, ale także własne preferencje dotyczące odsłuchu i akustykę pomieszczenia odsłuchowego.
    Mitura89 napisał:
    ...czy zostaje mi tylko altus 300
    Wątpię czy to będzie akurat dobry wybór - moim zdaniem jeden z najgorszych możliwych. Poza dyskusyjnymi walorami Altusów, te kolumny po prostu fatalnie grają z Yamahą. Tym bardziej, że szczególnie te Yamahy dość ostro eksponują wysokie tony, co w połączeniu z ostro strojonymi Altusami może być trudne do zniesienia. I problem bynajmniej nie leży po stronie Yamahy, bo to stary i zacnie grający wzmacniacz (w tej cenie, oczywiście). W dodatku wzmacniacz pochodzący z czasów, gdy przy sprzęcie pracowali jeszcze głównie akustycy i inżynierowie, a nie księgowi i specjaliści od marketingu.
    Pomogłem? Kup mi kawę.
  • #9 19811608
    Mitura89
    Poziom 5  
    Mobali dziękuję za tak wyczerpujący wpis, doceniam to, jednak jestem uparty jak osioł i jeżeli będę mógł podłączyć tego Zeusa tak aby nie uszkodzić wzmacniacza to linczujcie mnie za to, ale to zrobię, pytanie tylko czy tak jak napisał kolega wyżej mogę bezpiecznie podpiąć Zeusa pod lewy i prawy kanał "rozdzielając" go i czy muszę odpinać świerszcza, w może po prostu mogę podłączyć lewy i prawy bez ingerencji w niego, tak jak na obrazku usuwając oczywiście zworkę. Podłączenie kolumn Tonsil Fenix I 8Ohm i Tonsil Zeus 4Ohm do wzmacniacza Yamaha A-960 II

    Dodano po 3 [minuty]:

    Rozwiązanie cowboy-a bardzo mi się podoba.
  • Pomocny post
    #10 19811654
    Cowboy zagrabie
    Poziom 31  
    Podłączenie kolumn Tonsil Fenix I 8Ohm i Tonsil Zeus 4Ohm do wzmacniacza Yamaha A-960 II
    Głośninik wysokotonowy masz jeden , nie do pary więc lepiej całkowicie go pominąć, wysokie tony będziesz miał z fenix`ów. Musisz pominąć zwrotnice i oczywiście możesz po usunięciu zworek wyprowadzić na piny terminala odpowiednio opisując markerem wprowadzone modyfikacje.
  • #11 19811764
    Mitura89
    Poziom 5  
    Cowboy czy mogę po prostu odlutowac gwizdek i na tym zakończyć, czy konieczne jest jednak odseparowanie zwrotnicy od głośników zabieg ten rozumiem jako że będę musiał po prostu podłączyć bezpośrednio + - glosnika z kanałem we wzmacniaczu.
  • REKLAMA
  • Pomocny post
    #12 19811812
    Cowboy zagrabie
    Poziom 31  
    Tak jak widać na schemacie, gwizdek jest pod jedną parą pinów, a GDN połączone równolegle pod drugą parą, wszystko na zewnątrz spięte mostkiem. docelowo ma to wyglądać tak:
    Podłączenie kolumn Tonsil Fenix I 8Ohm i Tonsil Zeus 4Ohm do wzmacniacza Yamaha A-960 II
    Oczywiście gwizdka ani jego zwrotnicy fizycznie nie musisz usuwać, pozwoli to na przywrócenie do stanu pierwotnego gdybyś znalazł drugą taką kolumnę.
  • REKLAMA
  • #13 19812237
    majkel3d
    Poziom 16  
    Mitura89 napisał:
    Witam.
    Krótko i na temat bo nie mogę doczytać.
    Czy mogę podłączyć do wzmacniacza Yamaha A-960 II 2x Tonsil Fenix I 8Ohm (kolumny podłogowe) równolegle pod jeden kanał, a pod drugi Tonsil Zeus 4Ohm
    Czy lepszym rozwiązaniem będzie podpięcie ich pod jeden kanał ale Fenixy w lewe złącze a Zeusa pod prawe.


    Mam pytanie: Po co? Co chcesz uzyskać? Jakość dźwięku, stereofonia, będą fatalne. Lepiej podłącz same Fenixy, super nie będzie, ale i tak lepiej niż to co chcesz podłączyć.
  • #14 19812366
    Mitura89
    Poziom 5  
    Po to żeby zdjąć dach z domu, a tak na poważnie same fenixy mi nie wystarczają lubię czuć bass całym ciałem a póki co moge tylko kombinować, nie jestem audiofilski słucham disco polo w dużej mierze ale i szeroko inne rodzaje muzyki, a ubzdurałem sobie że będę miał Zeusy i do tego zmierzam, ewentualnie altusy 300 bo nie znalazłem nic innego co by tak waliło jak te kolumny, chciałem kupić cervin vega ale nigdzie ich niema a jeżeli nawet się pojawią to ceny z kosmosu, chyba że ma ktoś do zaproponowania inne kolumny o podobnej mocy destrukcyjnej.
  • #15 19812413
    md
    Poziom 41  
    W takim razie pomyśl o subwooferze do Twoich Fenixów. Fenixy będą grały swoje od 70 Hz w górę (według papierów), a subwoofer aktywny da bas, a jako oddzielna kolumna pozwoli na to, by go ustawić w takim miejscu w pokoju i tak skierować, aby uzyskać najlepszy bas.
  • #16 19813103
    Mitura89
    Poziom 5  
    Dziękuję wszystkim za pomoc a zwłaszcza cowboyowi, jeszcze chwilę zostawię temat otwarty gdybym coś spierd...... I potrzebna była by mi pomoc, jeszcze raz Bardzo Wam dziękuję.
  • #17 19813233
    md
    Poziom 41  
    Pomysł z elektrycznym rozdzieleniem głośników w Zeusie ma jedną zasadniczą wadę. Głośniki będą oddzielone elektrycznie ale nie akustycznie. Masz dwa kanały (stereo) w jednej obudowie.
  • Pomocny post
    #18 19813277
    stachu_l
    Poziom 37  
    Na bazie opisu wyjść wzmacniacza pomysł łączenia dodatkowych głośników (jakichkolwiek na zestaw B) gdy do A są podłączone głośniki Fenix 8ohm nie pozwala na ich jednoczesna pracę.
    Głośniki mogą być 8-16ohm dla zestawu A albo B ale musza być przynajmniej 16ohm dla pracy A+B - tak jest napisane.
    Tak więc albo używasz tylko dwóch 8ohm (w danej chwili) albo możesz mieć 4 po 16ohm podłączone parami do A, B i używać razem albo oddzielnie.
  • #19 19813291
    Mitura89
    Poziom 5  
    Racja
    No to kupuję dwa altusy 300
  • #20 19813472
    Mobali
    Poziom 43  
    Mitura89 napisał:
    jednak jestem uparty jak osioł i jeżeli będę mógł podłączyć tego Zeusa tak aby nie uszkodzić wzmacniacza to linczujcie mnie za to, ale to zrobię
    Pewnie, to wciąż jeszcze wolny kraj, wiec próbuj.
    :-)
    Mitura89 napisał:
    No to kupuję dwa altusy 300
    ...i każdy ma prawo uczyć się oraz wyciągać wnioski. Tylko dlaczego na własnych błędach?
    ;-)
    Pomogłem? Kup mi kawę.
  • #21 19814219
    majkel3d
    Poziom 16  
    Mitura89 napisał:
    Po to żeby zdjąć dach z domu, a tak na poważnie same fenixy mi nie wystarczają lubię czuć bass całym ciałem a póki co moge tylko kombinować, nie jestem audiofilski słucham disco polo w dużej mierze ale i szeroko inne rodzaje muzyki, a ubzdurałem sobie że będę miał Zeusy i do tego zmierzam, ewentualnie altusy 300 bo nie znalazłem nic innego co by tak waliło jak te kolumny, chciałem kupić cervin vega ale nigdzie ich niema a jeżeli nawet się pojawią to ceny z kosmosu, chyba że ma ktoś do zaproponowania inne kolumny o podobnej mocy destrukcyjnej.


    Jak słuchasz disco polo, zależy ci tylko na "zdjęci dachu", czuciu basu całym ciałem, to kup największy subwoofer jaki znajdziesz i na jaki Cię stać. Resztę głośników olej. Wielki sub to wszystko czego potrzebujesz. Jakość dźwięku będzie żadna, stereofonii brak całkowicie, bass tak jak lubisz. No i dodatkowy profit, tekst disco polo będzie praktycznie nie zrozumiały, albo nawet niesłyszalny, bo ci "artyści" śpiewają falsetem.
    Słuchu nie stracisz, bo pewnie i tak już mało słyszysz, za to przekaz "artystyczny" ci nie zaszkodzi.
  • #22 19814935
    Mitura89
    Poziom 5  
    Majkel naprawdę nie wiem co twój post miałby wnieść do tej dyskusji oprócz chęci przyczepienia się, hejtu na altusach czy po prostu żona Ci nie dała, jeżeli nie rozumiesz treści moich wypowiedzi i żartu w nich zawartych to nie pisz postów na siłę aby tylko coś napisać, forum służy do pomocy a nie uszczypliwości, na szczęście oprócz Ciebie napisało pod tym postem kilka osób które chciały pomóc i podzielić się swoją wiedzą, a to że ja lubię disco polo to moja sprawa i nie musisz krytykować tego rodzaju muzyki bo nie to było powodem rozpoczęcia tematu i nigdzie nie napisałem że zależy mi tylko i wyłącznie na niskich głęboko schodzących uderzeniach bassu.
  • #23 19816716
    majkel3d
    Poziom 16  
    Mitura89 przepraszam, jeśli poczułeś się urażony moim wpisem. Serio nie miałem takiego zamiaru. Miało być trochę ironicznie, ale w żadnym razie nie złośliwie. Twoja odpowiedź też nie jest specjalnie miła...
    A tak serio, jeśli chcesz mocnego basu, takiego co dach zrywa, to subwoofer jest dobrym pomysłem, oczywiście razem z jakimiś głośnikami stereo. Fenixy wystarczą na początek jeśli nie masz dużych wymagań. Altuss 300 ma głośny bas, ale wcale jakoś nisko nie schodzi, nie jest dobrej jakości. Kolumny stereo z na prawdę dobrym niskim basem, niestety kosztują sporo... Nie wiem jaki masz budżet, jeśli duży, warto rozpatrzeć inne opcje.
  • #24 19817263
    viayner
    Poziom 43  
    Witam,
    panowie moze taka uwaga:
    mocny bas nie ma nic wspolnego ze "zrywaniem dachu" jak to bylo wspomniane. To drugie zjawisko jest raczej wspolne z duzym cisnieniem akustycznym.
    Moze niech autor sie zdecyduje czy ma byc glosno czy "basowo", przepraszam ze wracam do tematu disopolo ale muzyka tego typu (jak i wiele innych wspolczesnych) nie ma wiele wspolnego z basami, wiec chyba raczej chodzi o duza glosnosc.
    Pozdrawiam
  • #27 19817384
    Mobali
    Poziom 43  
    viayner napisał:
    Wiekszość nie zdaje sobie sprawy co to znaczy np. prawdziwe 40Hz.
    Dokładnie! Bo nawet nie słyszy, a raczej czuje. Podobnie zresztą jest z górą. Mnóstwo ludzi kieruje absurdalnymi parametrami sprzętu bez świadomości, że większość z nas właściwie nie słyszy nic powyżej "zaledwie" 13kHz.
    Pomogłem? Kup mi kawę.
  • #28 19817607
    Mitura89
    Poziom 5  
    No dobra
    Daliście mi do myślenia, jeżeli zdecydował bym się na subwoofer taki aby grał z moimi fenixami i żeby schodził bardzo nisko to jaki model? Jaka firma? Ile Wat? Budżet myślę że 1200zl chyba że jest coś naprawdę dobrego to będzie i 1500zl

    Dodano po 16 [minuty]:

    Czy model ws-12 kali to dobry sprzęt?
  • Pomocny post
    #29 19817634
    Mobali
    Poziom 43  
    Pytanie "jaki model" jest chyba źle postawione, bo ogromne znaczenie w tej kwestii mają jednak właściwości akustyczne pomieszczenia odsłuchowego, ustawienie sprzętu oraz wszelkie inne czynniki wpływające na rozchodzenie się fali dźwiękowej. Zwykle to one w największym stopniu decydują więc o sukcesie, a nie firma czy model konkretnego sprzętu. Reasumując, błędy ustawienia czy fatalnie urządzony pokój odsłuchowy usłyszysz na pewno. Natomiast jednoznaczne i istotne różnice pomiędzy modelami sprzętu... To już niekoniecznie, szczególnie w ślepym teście! Dlatego nikt rozsądny i odpowiedzialny nie wskaże tu konkretnej firmy i modelu z gwarancją, że akurat u Ciebie ten zestaw zagra przynajmniej przyzwoicie. Jedyną radą w tym wypadku jest jednak samodzielny odsłuch i porównanie w tych warunkach kilku produktów, a następnie wybór tego, którego brzmienie najbardziej odpowiada Tobie.
    Pomogłem? Kup mi kawę.
  • #30 19817954
    viayner
    Poziom 43  
    Witam,
    ja bym uzupelnil wypowiedz kolegi o fakt ze to co sie moze podobac autorowi nie musi odpowiadac komus innemu a to ma odpowiadac autorowi.
    Dlatego przesluchanie przez autora najlepiej w warunkach przeznaczenia byloby najlepszym rozwiazaniem.
    Pozdrawiam

Podsumowanie tematu

Użytkownik pyta o możliwość podłączenia kolumn Tonsil Fenix I 8Ohm i Tonsil Zeus 4Ohm do wzmacniacza Yamaha A-960 II. Odpowiedzi wskazują, że podłączenie równoległe Fenixów do jednego kanału (co daje 4Ohm) oraz Zeusa do drugiego kanału również skutkuje obciążeniem 4Ohm, co może prowadzić do przeciążenia wzmacniacza, który ma minimalną obciążalność 8Ohm. Użytkownicy sugerują, aby podłączyć Fenixy do obu kanałów, a Zeusa rozdzielić elektrycznie, co może być bardziej bezpieczne. Wiele odpowiedzi podkreśla, że lepszym rozwiązaniem byłoby użycie subwoofera, aby uzyskać pożądany bas, zamiast łączenia różnych kolumn, co może pogorszyć jakość dźwięku. Użytkownik rozważa zakup Altusów 300 lub subwoofera, aby poprawić doznania akustyczne.
Podsumowanie wygenerowane przez model językowy.
REKLAMA