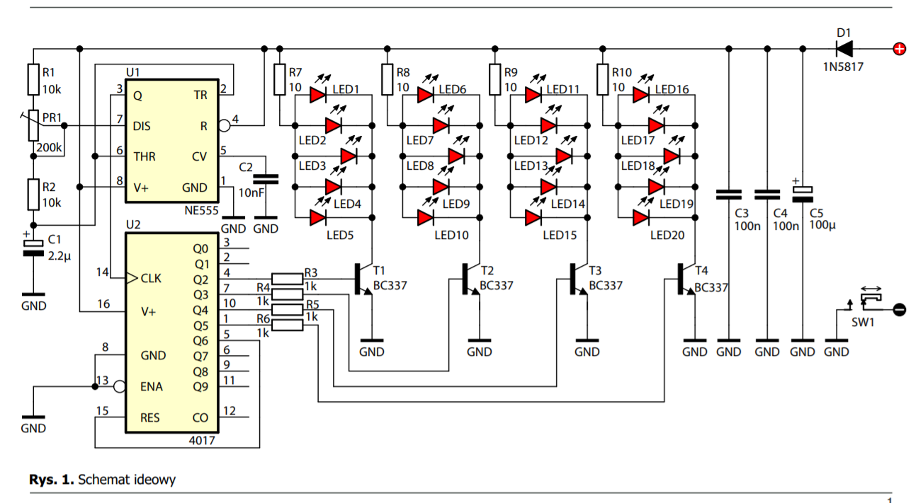
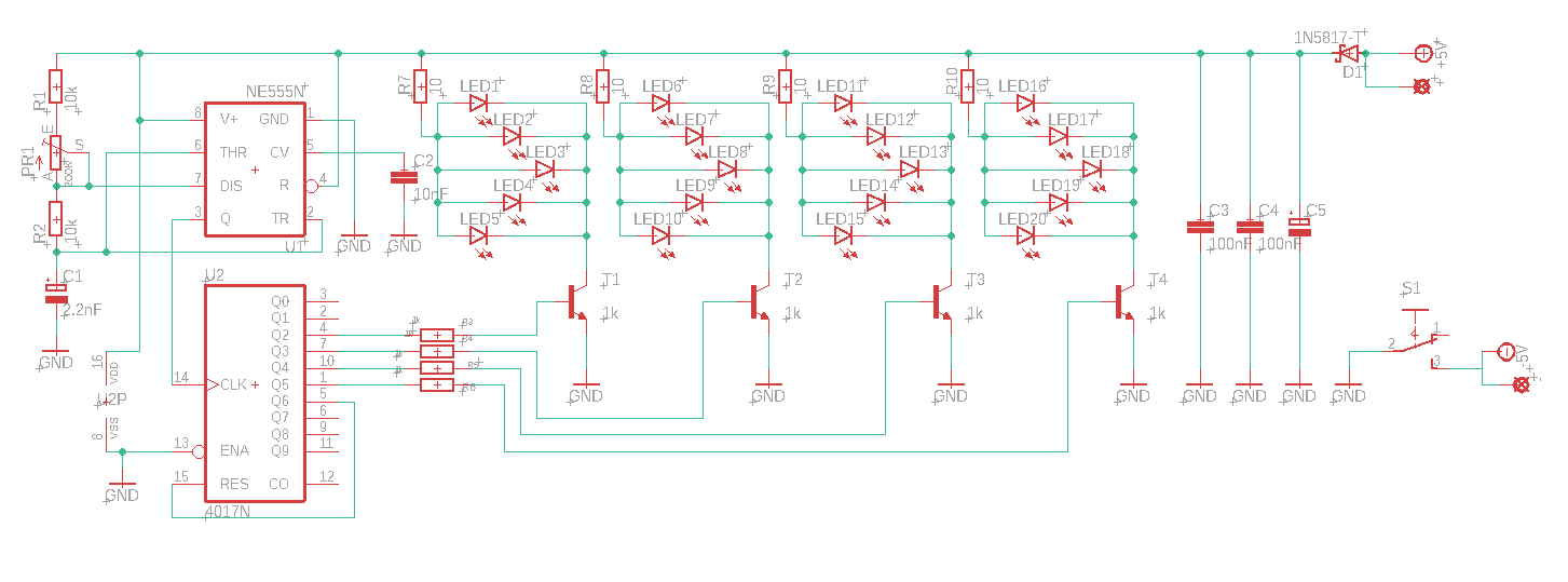
Hej, jestem początkująca w temacie robienia schematów. Mam zadanie na studiach, żeby zrobić własną płytke (wytrawić i polutować) wzorując sie na gotowej. Czy ktoś mógłby potwierdzić, że mój schemat jest ok, bo część elementów przedstawia sie nieco inaczej (przede wszystkim nie jestem pewna przełącznika oraz czy zasilanie jest dobrze podpiete przy układzie scalonym 4017N )? Przesyłam mój schemat z Eagle oraz ideowy na którym sie wzorowałam. Napięcie zasilania wynosi 5VDC (3 x baterie R6/AA).
Z góry dzięki za pomoc.

Z góry dzięki za pomoc.
