logo elektroda
logo elektroda
X
logo elektroda
REKLAMA
REKLAMA
Adblock/uBlockOrigin/AdGuard mogą powodować znikanie niektórych postów z powodu nowej reguły.

Citroen Berlingo 1.8i LFX - Nie odpala i brak komunikacji z ECU

Ar2d2official 16 Sty 2022 13:10 726 7
REKLAMA
  • #1 19823506
    Ar2d2official
    Poziom 2  
    Witam. Mam problem z Citroenem Berlingo 1 1.8i kod silnika LFX sterownik silnika Magneti Marreli 1ap20 mianowicie auto raz odpala raz nie, często przy tym gdy nie odpala to mruga kontrolka immo. Po którejś próbie kręcenia kluczykiem jest już okey i auto odpali. Potrafi tak odpalać normalnie np tydzień czasu a potem znów 3 dni jest problem. Chciałem podłączyć interfejs i sprawdzić błędy lecz niestety nie mogę się połączyć z żadnym modułem w aucie w żaden sposób. Próbowałem nie jednym interfejsem i niestety nie chce się połączyć. (Próbowałem elm327, i kilkoma ds150e) Wiązka pod maską wygląda okey, wtyczka do ECU wygląda okey.
    Aktualnie dobieram sie do skrzynki bezpiecznikami i przekaźnikami w kabinie ale do tego muszę zdjąć deskę aby ocenić stan przewodów. Ale może miał ktoś z was podobny przypadek? Może ktoś coś z was mógłbym doradzić ?
    Dzięki za pomoc i pozdrawiam!
  • REKLAMA
  • #2 19823698
    Konto nie istnieje
    Poziom 1  
  • REKLAMA
  • #3 19823704
    kamyczek
    Poziom 38  
    Jaki sprzęt taka diagnostyka ... Magneti Marrelli 1ap20 i podobne są kapryśne w diagnostyce nawet z oryginalnym testerem , a już z pewnością nie połączy się z nim byle jaka kostka z allegro . Pozostaje zrobić diagnostykę porządnym sprzętem a potem naprawić auto .
  • REKLAMA
  • #4 19823730
    Ar2d2official
    Poziom 2  
    koleś kit napisał:
    Sprawdź przekaźnik główny silnika. To wygląda na problemy z zasilaniem albo masą .

    Dwuprzekaźnik główny silnika bitron 240107 był podmieniany na nowe jak i używane i nie pomaga to nic. Zmostkowanie zawartych w nim przekaźników uruchamia silnika i pozwala mu normalnie pracować.

    Dodano po 2 [minuty]:

    kamyczek napisał:
    Jaki sprzęt taka diagnostyka ... Magneti Marrelli 1ap20 i podobne są kapryśne w diagnostyce nawet z oryginalnym testerem , a już z pewnością nie połączy się z nim byle jaka kostka z allegro . Pozostaje zrobić diagnostykę porządnym sprzętem a potem naprawić auto .

    Nie wiem czemu sprzęt Delphi ds150e nazywasz byle jakim testerem. Niestety nie dysponuje niczym innym jak i nikt z znajomych nie posiada KTS czy oryginalnej lexii do francuskich aut marki Peugeot i Citroen. Czym mogę tym diagnozuje i naprawiam. Dzięki za informacje że sterownik ten jest kapryśny.
  • REKLAMA
  • #5 19824050
    Konto nie istnieje
    Poziom 1  
  • #6 19824084
    Ar2d2official
    Poziom 2  
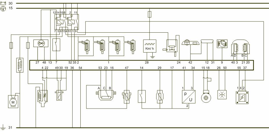
    Wyłącznik wstrząsowy sprawdzony i podmieniony na sprawny, poprawy brak. Pomiary wykonałem, napięcie 12v jest, masa jest ( nawet zostały dołożone dodatkowe przewody masowe do silnika i karoserii) po rozebraniu dwuprzekaźnika bitron 240107 i zwarciu w środku obu przekaźników auto odpala i pracuje normalnie. Wydaje mi się że gdzieś jest problem z sterowaniem tym przekaźnikiem. Ale nie mogę się podłączyć do auta interfejsem diagnostycznym żeby cokolwiek sprawdzić. Dopiero dobieram się do instalacji wewnątrz auta żeby zobaczyć czy gdzieś nie są uszkodzone połączenia czy przewody.
  • Pomocny post
    #7 19824112
    Konto nie istnieje
    Poziom 1  
  • #8 19824217
    Ar2d2official
    Poziom 2  
    koleś kit napisał:
    Masz ,działaj.


    Dzięki! Jutro zabieram się sprawdzanie i szukanie przerw w wiązce czy uszkodzonych połączeń, styków itp. Na bieżąco będę informował o postępach.
REKLAMA