logo elektroda
logo elektroda
X
logo elektroda
REKLAMA
REKLAMA
Adblock/uBlockOrigin/AdGuard mogą powodować znikanie niektórych postów z powodu nowej reguły.

Identyfikacja elementów przy microzłączu kontrolera Xbox 1708

V01115635 20 Sty 2022 21:42 477 3
REKLAMA
  • #1 19832898
    V01115635
    Poziom 7  
    Witam.
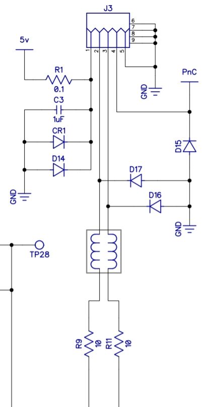
    Proszę o identyfikacje elementów przy microzłączu. Dziękuję.
    Identyfikacja elementów przy microzłączu kontrolera Xbox 1708
  • REKLAMA
  • #2 19833011
    oun
    Poziom 21  
    CR1 to dioda Schottky'ego do zabezpieczenia przed odwrotną polaryzacją 5V.
    Identyfikacja elementów przy microzłączu kontrolera Xbox 1708
  • REKLAMA
  • #3 19833026
    V01115635
    Poziom 7  
    Ok, dziękuje, a czy ten drugi element zaznaczony na czerwono to także dioda tylko w innej obudowie ? Czym kierować się przy doborze ?
  • #4 19833184
    oun
    Poziom 21  
    Od biedy diodę CR1 możesz pominąć, a drugi element nie jest diodą i bardziej mi to wygląda na dławik SMD.
REKLAMA