logo elektroda
logo elektroda
X
logo elektroda
REKLAMA
REKLAMA
Adblock/uBlockOrigin/AdGuard mogą powodować znikanie niektórych postów z powodu nowej reguły.

Bose Alfa 147 - niska głośność dwucewkowego subwoofera po podłączeniu do wzmacniacza

kamil220288 16 Lut 2022 21:07 1083 19
REKLAMA
  • #1 19888551
    kamil220288
    Poziom 9  
    Witam. Podłączyłem wzmacniacz Bose do Alfy 147. Wszystko działa, ale mam pewien problem.
    Jest to wzmacniacz 6 kanałowy ( 2x przód, 2x Tył, plus dwucewkowy głośnik basowy w bagażniku).
    Problem jest z subem. Mam wyjścia na dwa suby( dwu cewkowy głośnik siedzi w tubie). Jak podłączam obie cewki gra bardzo cicho. Pojedyncze grają wpożądku.
    Gdzie szukać przyczyny??
  • REKLAMA
  • #2 19888753
    Tomasz13052016
    Poziom 9  
    Może polaryzacja być odwrotnie na jednej z cewek i działa w przeciwfazie.
  • REKLAMA
  • #4 19892337
    Tomasz13052016
    Poziom 9  
    Oporność nie pokazuje polaryzacji, radzę zwykłą baterią 1,5v sprawdzić, czy po podłączeniu jednej a potem drugiej cewki membrana będzie wypychana, jeśli jedna z cewek będzie wciągana to oznacza odwrotną polaryzację, pozdrawiam.
  • REKLAMA
  • #6 19894649
    Tomasz13052016
    Poziom 9  
    Witam, a głośnik ile ma ohm?
    Pytam dlatego że jakiś czas temu znajomy przyniósł mi taki dwócewkowy do naprawy i w jego przypadku przy podłączeniu obu cewek razem wychodziło 4ohm a przy podłączeniu cewek pojedynczo impedancja wynosiła po 2ohm dla każdej z cewek, może to zaburzać pracę całego zestawu a nawet doprowadzić do przeciążenia, a w następstwie spalenia się wzmacniacza, szkoda że nikt inny nie dołączył się do postu bo ja raczej audio domowe naprawiam a caraudio trochę się różni,mianowicie raczej nie powinno się mieszać impedancji głośników podpiętych do jednego wzmacniacza.
  • #7 19894697
    kamil220288
    Poziom 9  
    Zestaw głośników i sub oryginalny od zestawu Bose od alfa 147. Na magnesach nie ma oznaczeń. Ale one mają chyba po 2 ohmy. Podłączałem według schematu, każda cewkę oddzielnie. Bose Alfa 147 - niska głośność dwucewkowego subwoofera po podłączeniu do wzmacniacza
    P49 sub
    Bose Alfa 147 - niska głośność dwucewkowego subwoofera po podłączeniu do wzmacniacza
    Gra wtedy cicho.
    Pojedynczo ( oba wyjścia na sub) grają właściwie. Podłączałem obie cewki ( szeregowo oraz równolegle) pod pojedyńcze wyjścia, za każdym razem grają okey.
  • #8 19895093
    Tomasz13052016
    Poziom 9  
    Bose Alfa 147 - niska głośność dwucewkowego subwoofera po podłączeniu do wzmacniacza
  • #9 19895094
    Rapi30
    Poziom 7  
    Sub aktywny czy pasywny?
  • #10 19895096
    Tomasz13052016
    Poziom 9  
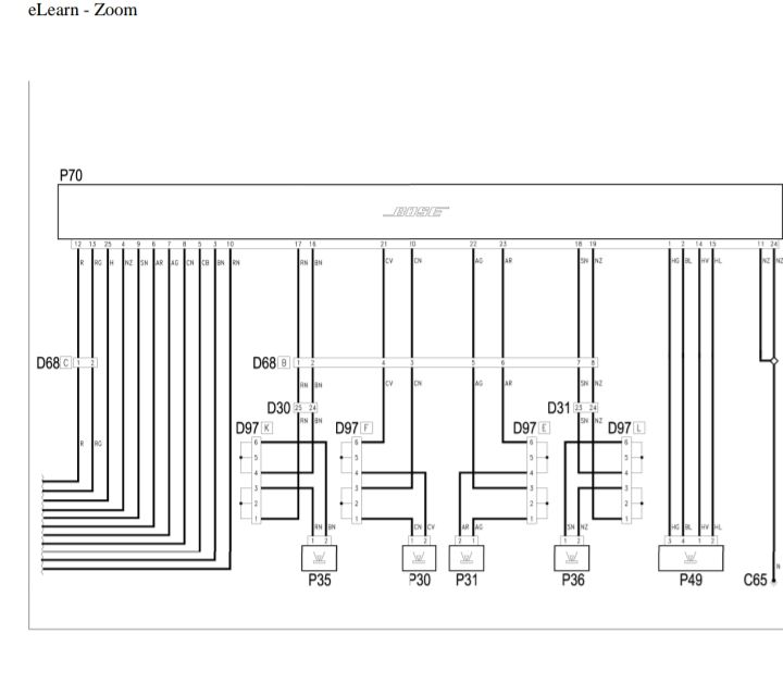
    Tutaj na tym obrazku jest podłączenie z modelu o,którym jest post,mam nadzieję że coś to wyjaśni.
  • #11 19895103
    Rapi30
    Poziom 7  
    Końcówka mocy może być uszkodzona, działa gra cicho dlatego, że tranzystory sterujące go napędzają a tranzystory mocy są uszkodzone.
    Wstaw zdjęcia suba
  • #12 19895528
    kamil220288
    Poziom 9  
    Tomas ten schemat jest w egzemplarzach po lifcie. Ja mam wzmaka przedlift.
    Sub jest aktywny, tylko wyjęty wzmacniacz z obudowy i schowany w schowek.
    Bose Alfa 147 - niska głośność dwucewkowego subwoofera po podłączeniu do wzmacniacza
    Bose Alfa 147 - niska głośność dwucewkowego subwoofera po podłączeniu do wzmacniacza

    Po podłączeniu jednej cewki w odwrotnej polaryzacji, wszystko gra normalnie.
    Chyba że pomyliłem polaryzację, na głośniku sprawdzałem bateria 9 V( plus do plusa minus do minusa). Membrana wychylała się do przodu. A jak to sprawdzić w wyjściach ze wzmacniacza?? Tam jest 24 piny, jeden koło drugiego, więc możliwe że coś pomyliłem podłączając. Bose Alfa 147 - niska głośność dwucewkowego subwoofera po podłączeniu do wzmacniacza
    To nie mój, ale podłączałem też na wsuwki bo nie mam oryginalnej wtyczki.
    Poza tym subem, wszystko gra, działa sterowanie z kierownicy.
    Tak jak wspomniałem, jedną cewkę podłączyłem teraz w "odwrotnej" polaryzacji i sub zaczął grać. Podejrzewam przy "sztukowaniu" wyjść mogłem pomylić polaryzację. Jak w takim wzmacniaczu to sprawdzić?? Licząc piny już nie dam rady bo zalałem wszystko żywica w celu unieruchomienia przewodów.
  • #13 19897887
    Tomasz13052016
    Poziom 9  
    W zasadzie nie masz potrzeby tego teraz sprawdzać skoro działa prawidłowo, ale najprawdopodobniej możliwe jest sprawdzenie tego, podając na wejście wzmacniacza sygnał o określonej amplitudzie z generatora i oscyloskop na wyjściu, tak mi się wydaje, sam jeszcze tak nie praktykowałem.
  • #14 19897917
    kamil220288
    Poziom 9  
    Tak po zmianie polaryzacji grają obie cewki.
    Swoją drogą, czy to tego radia( fabryczne) podłącze inny wzmacniacz niż ten bose??
    Ten Bose podłącza się pod wyjścia głośnikowe radia fabrycznego. W radiu do pinu nr 2 podłącza sie 12 V i radio informowane jest że jest podłączony wzmacniacz Bose i z wyjść głośnikowych wychodzi wtedy niby sygnał low output.
    Czy mogę zwykłym miernikiem zmierzyć czy to napewno taki sam sygnał jak przez RCA?? I jak to zmierzyć. Podłączyłem głośniki pod wyjścia radia i w radiu dałem 12 V na ten pin nr 2. Rzeczywiście sygnał jest słabszy ( głośniki grały o połowę ciszej).
  • REKLAMA
  • #15 19898826
    Tomasz13052016
    Poziom 9  
    Miernikiem raczej tego nie zmierzysz, do takich pomiarów potrzebujesz oscyloskop i generator. Pozdrawiam Łukasz.
  • #17 19899249
    Tomasz13052016
    Poziom 9  
    Powinien być, dla prub można użyć słuchawek.
  • #19 19904238
    Tomasz13052016
    Poziom 9  
    Tak dokładnie, będzie można usłyszeć sygnał i w razie problemów nic się nie stanie.

    Dodano po 1 [minuty]:

    Z tym "na full" to bym nie przesadzał 😅
  • #20 19904274
    kamil220288
    Poziom 9  
    No to chyba jest okey.
    Słuchawki grały przez 20 minut na 60( skala do 66).
    Wieczorem podłącze inny wzmacniacz na próbę.
    Docelowo chce zostawić ten wzmacniacz Bose i dać dodatkowy tylko na suba.
    Skąd wziąć wtedy sygnał dla suba??
    Rozumiem że będę musiał rozdzielić sygnał na dwa wzmacniacze.
    Do tego Bose daje 4 kanał ( 2xprzod, 2xtyl). Przód rozdzielam i daje na suba.

Podsumowanie tematu

Użytkownik podłączył wzmacniacz Bose do subwoofera dwucewkowego w Alfie 147, jednak napotkał problem z niską głośnością suba przy podłączeniu obu cewek. Po sprawdzeniu polaryzacji cewek, która okazała się prawidłowa, użytkownik rozważał inne przyczyny, takie jak impedancja głośnika. Wskazano, że podłączenie obu cewek może prowadzić do przeciążenia wzmacniacza, jeśli impedancja nie jest zgodna. Użytkownik potwierdził, że sub jest aktywny i po zmianie polaryzacji jednej z cewek, dźwięk stał się normalny. Dyskutowano również o możliwościach podłączenia innego wzmacniacza oraz o pomiarach sygnału wyjściowego.
Podsumowanie wygenerowane przez model językowy.
REKLAMA