logo elektroda
logo elektroda
X
logo elektroda
REKLAMA
REKLAMA
Adblock/uBlockOrigin/AdGuard mogą powodować znikanie niektórych postów z powodu nowej reguły.

[Rozwiązano] Citroen Xsara Picasso 2.0 HDi - Problem z przepływomierzem/instalacją.

kazektr 05 Mar 2022 19:31 1335 3
REKLAMA
  • #1 19916667
    kazektr
    Poziom 10  
    Cześć,

    Citroen Xsara Picasso 2.0 HDI 66kW 2003 rok
    ECU: EDC15C2 (wersja 3 osobne wtyki)

    Występuje błąd przepływomierza P0100 (obecny przepływomierz zamiennik QAP, wskazanie z kompa 506mg/impuls wolne obroty). Po wymianie na inny przepływomierz (używany oryginał Siemens 5WK9 623 oraz nowy zamiennik NGK/NTK 91200) pojawia sie 7 błedów m. in.: przepływomierza, temperatury zasysanego powietrza, temperatury paliwa, ciśnienia paliwa oraz pedału gazu - auto nie reaguje na gaz.
    Po wymianie na stary przepływomierz i usunięciu błędów sytuacja zatacza koło, tj. pozostaje błąd P0100. Przy starym przepływomierzu brak konkretnych objawów poza podwyższonym spalaniem.
    Pomiar napięć przy podpietym przepływomierzu QAP: piny 1 i 3= ~5V oraz piny 2 i 6= ~12V czyli niby ok, przy innych przepływomierzach wartości są inne.
    Będę wdzięczny za porady co mógłbym dalej z tym zrobić.
  • REKLAMA
  • #2 19916733
    piotrekwoj1
    Poziom 42  
    Zmierz napięcia we wtyczce na odpiętym przepływomierzu.
  • REKLAMA
  • #3 19916787
    kazektr
    Poziom 10  
    piotrekwoj1 napisał:
    Zmierz napięcia we wtyczce na odpiętym przepływomierzu.


    Na odpiętym piny 1 i 3= 5V 2 i 6= 7V. Pin 2 i minus do masy = 12V i pin 6 do plusa też 12V, ale nie jestem na 100% pewien.

    EDIT:
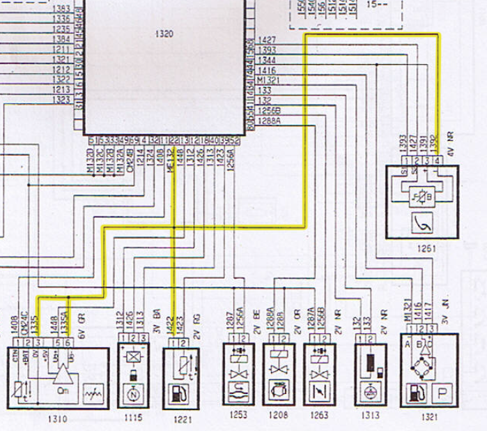
    Jeden ze schamatów zgodny z numerem OPR wskazuje na zależnosć między pinem 6 a innymi czujnikami, z których pochodzą błędy przy zmianie przepływomierza
    Citroen Xsara Picasso 2.0 HDi - Problem z przepływomierzem/instalacją.
  • #4 19941812
    kazektr
    Poziom 10  
    Problem teoretycznie rozwiązany:
    Zaznaczony na schemacie (-) z pinu nr. 6 był słusznym tropem. Choć od wtyku przepływomierza aż do wtyku wchodzącego w ECU nie łączy się z innymi przewodami (jak jest to pokazane na schemacie powyżej) to połaczenie go z dołożonym kablem robiacym za dodatkowa masę (połączenie z punktem masowym przy podłużnicy) póki co rozwiązało problem. Możliwe, że zanik masy z pinu nr. 6 występuje w samym ECU, ale w tej chwili nie jest to najistotniejesze.
REKLAMA