Cześć!
Od jakiegoś czasu walczę z kulturą pracy silnika oraz ostatnio problemem z uruchomieniem silnika. Aktualnie silnik kręci, jest o krok od odpalenia ale coś mu brakuje.
Pozmieniałem świece, kable cewkę, ale nie ma żadnej poprawy.
Zrobiłem diagnostykę komputerową - wyskoczył problem sporadyczny czujnika wału - pojawia się ponownie po usunięciu i próbie uruchomienia samochodu.
Czujnik wału wymieniany kilkukrotnie, nawet z innego w 100% samochodu - to nie jego wina.
Wiązka sprawdzona, jest przejście, brak zwarcia.
ECU..
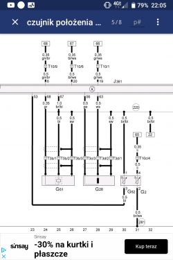
i tu mam problem - są 3 piny, według schematu pin 1 to masa, pin 2 i 3 to połączenie z pinami w ECU.
W pinie 2 mam zwarcie do masy w ECU - po prostu pin zwiera do obudowy.
Wstawiam zdjęcia płyty ECU - podpowiedziałby ktoś gdzie szukać problemu zwarcia?
Na pierwszym zdjęciu pin który ma zwarcie do masy

Od jakiegoś czasu walczę z kulturą pracy silnika oraz ostatnio problemem z uruchomieniem silnika. Aktualnie silnik kręci, jest o krok od odpalenia ale coś mu brakuje.
Pozmieniałem świece, kable cewkę, ale nie ma żadnej poprawy.
Zrobiłem diagnostykę komputerową - wyskoczył problem sporadyczny czujnika wału - pojawia się ponownie po usunięciu i próbie uruchomienia samochodu.
Czujnik wału wymieniany kilkukrotnie, nawet z innego w 100% samochodu - to nie jego wina.
Wiązka sprawdzona, jest przejście, brak zwarcia.
ECU..
i tu mam problem - są 3 piny, według schematu pin 1 to masa, pin 2 i 3 to połączenie z pinami w ECU.
W pinie 2 mam zwarcie do masy w ECU - po prostu pin zwiera do obudowy.
Wstawiam zdjęcia płyty ECU - podpowiedziałby ktoś gdzie szukać problemu zwarcia?
Na pierwszym zdjęciu pin który ma zwarcie do masy