logo elektroda
logo elektroda
X
logo elektroda
REKLAMA
REKLAMA
Adblock/uBlockOrigin/AdGuard mogą powodować znikanie niektórych postów z powodu nowej reguły.

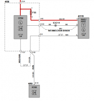
Volvo C30 - Brak reakcji auta na piloty centralnego zamka pomimo sprawnych nadajników

michal19885 17 Kwi 2022 16:19 1959 4
REKLAMA
  • #1 19982240
    michal19885
    Poziom 18  
    Cześć, mam problem z niedziałającymi pilotami w Volvo C30. Auto nie reaguje na żaden przycisk. Piloty zostały sprawdzone w punkcie dorabiania kluczy, oba nadają. Zmieniłem również moduł RRX na drugi i sprawdziłem jego zasilania. Gdzie szukać dalej?
  • REKLAMA
  • #2 19982375
    piotrekwoj1
    Poziom 42  
    A co z próbą kodowania?
  • REKLAMA
  • REKLAMA
  • #4 19996954
    michal19885
    Poziom 18  
    Strumien swiadomosci swia napisał:
    A one sa od tego samochodu wogole? Widziales jak działały kiedykolwiek?


    Od kiedy kupiłem auto piloty nie działają. Oba jednak odpalają auto, są fabryczne i nigdy nie rozbierane, wynika z tego, że są od tego samochodu.

    piotrekwoj1 napisał:
    A co z próbą kodowania?


    Próbowałem TEXĄ i Auto-Comem, żaden z nich tego nie potrafi. Z tego co wyczytałem nawet przy użyciu sprzętu dedykowanego do Volvo potrzebny jest kod serwisowy kluczyka.
  • #5 19996982
    piotrekwoj1
    Poziom 42  
    michal19885 napisał:
    Od kiedy kupiłem auto piloty nie działają. Oba jednak odpalają auto, są fabryczne i nigdy nie rozbierane, wynika z tego, że są od tego samochodu.

    To nic nie znaczy odpalanie auta a centralny zamek to dwie rózne rzeczy.
REKLAMA