Witam,
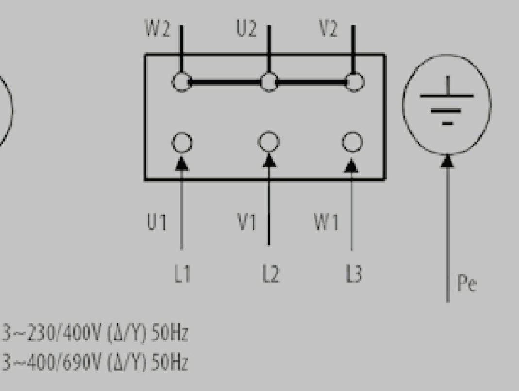
Mam problem ponieważ zastanawiam się przy silniku zasilanym 400/690 (t/g) jak podłączyć falownik. Sam falownik jest trójfazowy 3x400V/3x400V (wej/wyj). Generalnie oznaczenie 400/690 oznacza połączenie przy rozruchu trójkąt/gwiazda. W tym wypadku chce silnik podłączyć poprzez falownik. I tutaj pytanie bo na schemacie połączeń uzwojeń silnika jest:
Wobec tego rozumiem do podłączenia bezpośrednio przez falownik blaszki (które fabrycznie połączone są w gwiazdę) muszę przepiąć w trójkat w poniższy sposób?
Czyli przy takim połączeniu silnik pracował tylko i wyłącznie w trójkącie 400V?
Mam problem ponieważ zastanawiam się przy silniku zasilanym 400/690 (t/g) jak podłączyć falownik. Sam falownik jest trójfazowy 3x400V/3x400V (wej/wyj). Generalnie oznaczenie 400/690 oznacza połączenie przy rozruchu trójkąt/gwiazda. W tym wypadku chce silnik podłączyć poprzez falownik. I tutaj pytanie bo na schemacie połączeń uzwojeń silnika jest:
Wobec tego rozumiem do podłączenia bezpośrednio przez falownik blaszki (które fabrycznie połączone są w gwiazdę) muszę przepiąć w trójkat w poniższy sposób?
Czyli przy takim połączeniu silnik pracował tylko i wyłącznie w trójkącie 400V?