Witam.
Mam problem z hulajnogą Blaupunkt esc808, a dokładniej to z baterią, na wyjściu podaję tylko 14,14V. Kiedy wszystkie ogniwa dają łącznie 42,1V.
Za mosfetami też jest napięcie 14,14V.
Czy ktoś się orientuję czego to może być wina?
Hulajnoga się włącza i pokazuje pełne naładowanie baterii, 3 razy zapiszczy i nie chce w ogóle jechać.
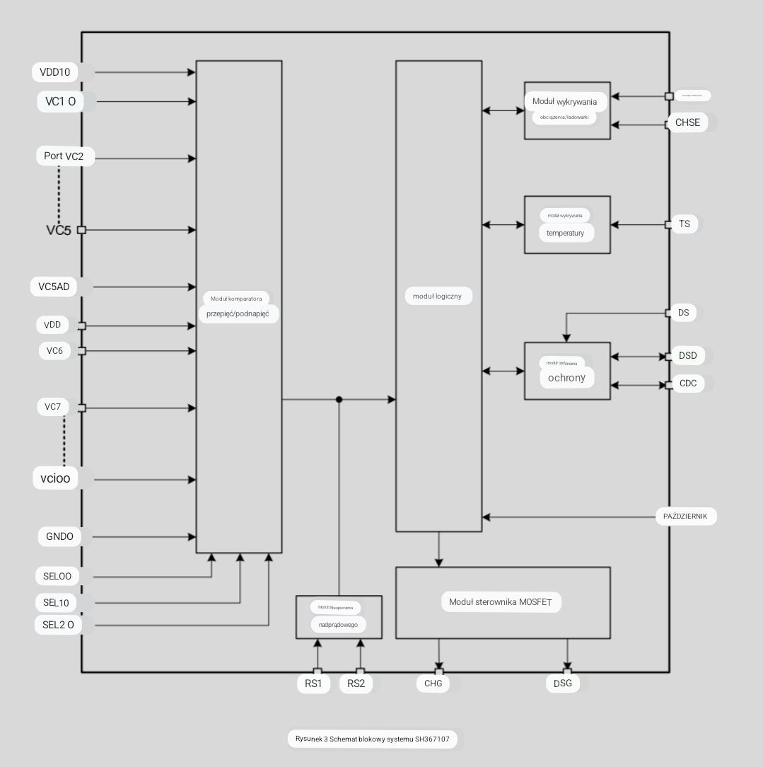
Proszę o pomoc. [img-0]

Mam problem z hulajnogą Blaupunkt esc808, a dokładniej to z baterią, na wyjściu podaję tylko 14,14V. Kiedy wszystkie ogniwa dają łącznie 42,1V.
Za mosfetami też jest napięcie 14,14V.
Czy ktoś się orientuję czego to może być wina?
Hulajnoga się włącza i pokazuje pełne naładowanie baterii, 3 razy zapiszczy i nie chce w ogóle jechać.
Proszę o pomoc. [img-0]