logo elektroda
logo elektroda
X
logo elektroda
REKLAMA
REKLAMA
Adblock/uBlockOrigin/AdGuard mogą powodować znikanie niektórych postów z powodu nowej reguły.

MG ZR 2005 - Monostabilny włącznik świateł awaryjnych - zastosowanie przekaźnika bistabilnego 4WSP

Felipe987 10 Maj 2022 22:10 807 13
REKLAMA
  • #1 20014485
    Felipe987
    Poziom 10  
    Witam,
    Jakiś czas temu w moim samochodzie MG ZR 1,8 polift z 2005 roku zadziały się dziwne rzeczy. Po włączeniu zapłonu automatycznie włączały się światła awaryjne i otwierał centralny zamek. Długo walczyłem z problemem (m.in. sprawdzenie wyłącznika bezwładnościowego, rozłączenie wszystkich możliwych kostek, do których miałem dostęp, podmiana modułu komfortu, wyciąganie po kolei każdego pinu z wtyczek modułu komfortu, weryfikacja instalacji i skrzynek bezpieczników) jednak bez skutku. W końcu zdecydowałem się zrobić obejście. Wykorzystałem przerywacz z VW Polo III i zrobiłem układ kierunkowskazów od podstaw - póki co działa.
    Mam jednak problem z podłączeniem włącznika świateł awaryjnych, ponieważ w wersji poliftowej instalacji jest on monostabilny (światła działałyby tylko w sytuacji, w której włącznik byłby cały czas wciskany). Do głowy przyszło mi wykorzystanie przekaźnika bistabilnego 4WSP, który zmieniałby stan świateł awaryjnych (włączone / wyłączone) przy każdym wciśnięciu przełącznika, jednak do końca nie wiem jak go włączyć w układ. Zależałoby mi na tym, żeby przekaźnik bistabilny, w chwili pierwszego naciśnięcia włącznika awaryjnych dawał stały plus na przerywacz kierunkowskazów i jednocześnie powodował włączenie lewego i prawego kierunkowskazu, a po drugim wciśnięciu rozłączał elementy.
    Z tego co się zdążyłem zorientować to przekaźniki 4WSP występują w wersji 4 pinowej (impuls powoduje zwarcie wejściowego plusa z pinem wyjściowym) oraz 5 pinowej (impuls powoduje zwarcie dwóch pinów niepodłączonych do plusa).
    Najprostszym rozwiązaniem byłoby wykorzystanie włącznika z wersji przedliftowej, ponieważ jest on bistabilny i sam w sobie powoduje zwarcie odpowiednich przewodów. Wolałbym jednak pozostać przy oryginalnym przełączniku i niedodawaniu drugiego w innym miejscu.
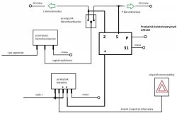
    Proszę o sugestie podłączenia przekaźnika. Załączam schemat, jak to w tej chwili wygląda (mile widziane rozrysowanie podłączenia na schemacie).
    Ewentualnie ktoś może jeszcze ma pomysł co może być przyczyną automatycznego włączania awaryjnych po włączeniu zapłonu.
    MG ZR 2005 - Monostabilny włącznik świateł awaryjnych - zastosowanie przekaźnika bistabilnego 4WSP
  • REKLAMA
  • Pomocny post
    #2 20015312
    mareksquare
    Poziom 8  
    do bistabilnego musisz podać napięcia odwrotnie żeby go przełączyło w drugą stronę raczej robił bym w kierunku "zatrzasku typu D "

    MG ZR 2005 - Monostabilny włącznik świateł awaryjnych - zastosowanie przekaźnika bistabilnego 4WSP
    lub rozejrzeć się za czymś gotowym (jakieś małe płytki ogólnego przeznaczenia ) realizujące tą funkcję

    albo przeć dalej i naprawić oryginalny układ.....
  • Pomocny post
    #3 20015414
    sisko
    Poziom 33  
    Przerobiłeś instalacje. Kontrolki kierunkowskazów w liczniku działają?

    Zainstaluj przerywacz kierunkowskazów fiata 126p APE13B.
    MG ZR 2005 - Monostabilny włącznik świateł awaryjnych - zastosowanie przekaźnika bistabilnego 4WSP
  • #4 20015784
    Felipe987
    Poziom 10  
    mareksquare, dzięki za pomysł, ale chyba mnie to przerasta :) Z opisów przekaźników, które przeglądałem, nie wynikało, że trzeba odwrócić sygnał. Do walki z oryginalnym układem już nie mam pomysłów, zresztą samochód stał dwa tygodnie w warsztacie specjalizującym się w angielskich markach i też do niczego nie doszli.
    Sisko, kontrolki działają, tutaj nawet nie musiałem ingerować, bo sygnał rozdwaja się już za miejscem, w które się wpiąłem i idzie na licznik. Przez chwilę myślałem o drugim przerywaczu, nawet mam kolejny z VW Polo, ale jest on 3 pinowy. Myślę jednak, że jak podłącze obydwa kierunki do pinu wyjściowego, to powinno hulać.
    Jesli nie pojawi się inna propozycja, to tak zrobię.
    Zastanawiam się tylko, co by się stało gdybym przy takim układzie nieopacznie wrzucił kierunek przy włączonych awaryjnych?
  • REKLAMA
  • Pomocny post
    #5 20015812
    mareksquare
    Poziom 8  
    Potrzebujesz albo dwu sekcyjnego przełącznika , albo 2 przekaznikow lub dwusekcyjnego , aby nie zewrzec na stałe prawej i lewej strony , wlaczenie kierunku nic nie zmieni bo i tak beda te punkty schemau polaczone... Przynajmniej tak to pojmuje...

    Dodano po 13 [minuty]:

    Ale czekaj , ciebie ratuje taki modol z przekaznikiem bistabilnym 12v" za 14,85pln z allegro, i dwa zwykle przekazniki samochodiwe :)
  • REKLAMA
  • REKLAMA
  • #7 20015859
    mareksquare
    Poziom 8  
    True :) przynajmniej 2 rozwiazania :)
  • #8 20015879
    Felipe987
    Poziom 10  
    Dzięki Panowie! Myślę, że teraz ogarnę ;) Oczywiście dodatkowy bezpiecznik jest ;)
  • #9 20015885
    sisko
    Poziom 33  
    Albo przez dodatkowy przekaźnik z podwójnymi stykami:
    MG ZR 2005 - Monostabilny włącznik świateł awaryjnych - zastosowanie przekaźnika bistabilnego 4WSP
    MG ZR 2005 - Monostabilny włącznik świateł awaryjnych - zastosowanie przekaźnika bistabilnego 4WSP
  • #10 20095200
    Felipe987
    Poziom 10  
    Witam ponownie :) Zweryfikowałem, że na przewodzie sygnałowym z włącznika awaryjnych mam stały plus, a wciśnięcie włącznika powoduje na nim zanik napięcia (odwrotnie niż zakładałem). Zatem obecnie w mojej instalacji impulsem do zmiany stanu przekaźnika miałby być krótkotrwały zanik napięcia. Czy w takiej sytuacji przekaźnik 4WSP się sprawdzi?
  • Pomocny post
    #11 20095288
    sisko
    Poziom 33  
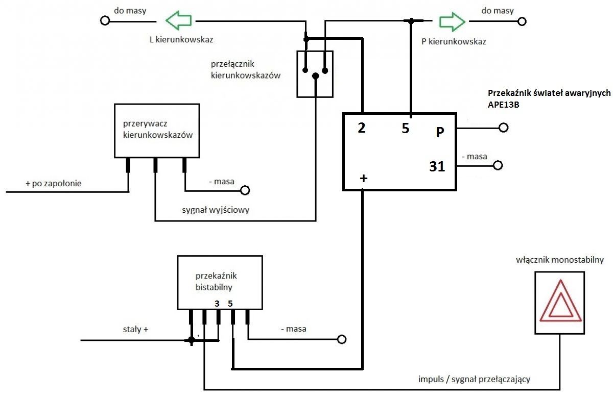
    MG ZR 2005 - Monostabilny włącznik świateł awaryjnych - zastosowanie przekaźnika bistabilnego 4WSP

    O ile schemat , który zamieściłem jest właściwy to, masz trzy opcje.
    1.Odpinasz przewód jasnozielony z brązowym paskiem oraz przewód czarny i zabezpieczasz je aby nie zrobiły zwarcia. W miejsce po przewodzie czarnym, wpinasz przewód czerwony z czarnym paskiem a w miejsce po jasnozielonym z brązowym paskiem, przewód do sterowania przekaźnikiem 4WSP.
    Wada: brak podświetlania przycisku awaryjnego.
    2.Wymieniasz przekaźnik 4WSP na przekaźnik 4WSM. Odpinasz przewód jasnozielony z brązowym paskiem, zabezpieczasz go. W miejsce po nim, podłączasz przewód do sterowania przekaźnikiem 4WSM.
    3. Odpinasz przewód jasnozielony z brązowym paskiem. W jego miejsce podłączmy dodatkowy przekaźnik.
    MG ZR 2005 - Monostabilny włącznik świateł awaryjnych - zastosowanie przekaźnika bistabilnego 4WSP

    lub z dodatkowy tranzystorem PNP, np BC557, BC327.
    MG ZR 2005 - Monostabilny włącznik świateł awaryjnych - zastosowanie przekaźnika bistabilnego 4WSP
  • #12 20106995
    Felipe987
    Poziom 10  
    Dzięki za kilka propozycji rozwiązań! Wybacz głupie pytanie, ale wolę się upewnić :) Jeśli styk sterujący przekaźnika 4WSM połączę impulsowo z masą, to spowoduje to zmianę jego stanu? Tylko to wystarczy?
    Jeszcze tak z ciekawości: skąd wziąłeś schemat? Ja, żeby pozyskać schematy kupiłem oryginalną płytę z GB.
  • #13 20107336
    sisko
    Poziom 33  
    Felipe987 napisał:
    Jeśli styk sterujący przekaźnika 4WSM połączę impulsowo z masą, to spowoduje to zmianę jego stanu?

    Według podawanych informacji przez sprzedawców, tak jest. Ale zawsze można upewnić się, wysyłając im zapytanie.

    MG ZR 2005 - Monostabilny włącznik świateł awaryjnych - zastosowanie przekaźnika bistabilnego 4WSP

    Poniżej na jednym obrazku. przedstawione są obie wersje przekaźnika.

    MG ZR 2005 - Monostabilny włącznik świateł awaryjnych - zastosowanie przekaźnika bistabilnego 4WSP
    Felipe987 napisał:
    Jeszcze tak z ciekawości: skąd wziąłeś schemat?

    Szukałem informacji jak to jest wszystko połączone i pokierowało mnie tutaj Link i tu Link
  • #14 20107347
    Felipe987
    Poziom 10  
    Wszystko jasne, pójdę w przekaźnik 4WSM. Dzięki!

Podsumowanie tematu

W dyskusji poruszono problem z włącznikiem świateł awaryjnych w samochodzie MG ZR 1,8 z 2005 roku, który automatycznie włączał światła awaryjne i centralny zamek po włączeniu zapłonu. Użytkownik próbował różnych rozwiązań, w tym sprawdzenia wyłącznika bezwładnościowego i podmiany modułu komfortu, jednak bez skutku. Ostatecznie zdecydował się na obejście z użyciem przerywacza z VW Polo III. W związku z monostabilnym włącznikiem awaryjnych, zaproponowano zastosowanie przekaźnika bistabilnego 4WSP lub 4WSM, a także dodatkowych diod i przekaźników, aby poprawnie zrealizować funkcję świateł awaryjnych. Użytkownik potwierdził, że kontrolki kierunkowskazów działają, a po dalszych sugestiach zdecydował się na przekaźnik 4WSM, aby zrealizować zamierzony efekt.
Podsumowanie wygenerowane przez model językowy.
REKLAMA