logo elektroda
logo elektroda
X
logo elektroda
REKLAMA
REKLAMA
Adblock/uBlockOrigin/AdGuard mogą powodować znikanie niektórych postów z powodu nowej reguły.

[Rozwiązano] Peugeot Partner 08-17 rok - Pinout czujnika parkowania

darens 20 Maj 2022 14:05 318 3
REKLAMA
  • #1 20026693
    darens
    Poziom 22  
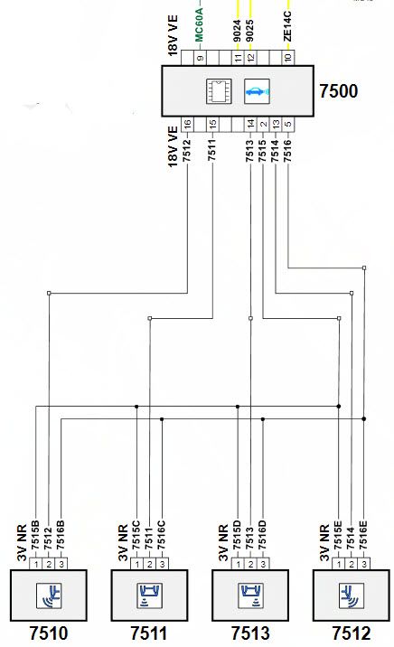
    Dzień dobry, auto jak w temacie. Potrzebuję pinout czujnika parkowania tył, gniazdo trzypinowe. wiem, że pin nr 3 to sygnał, potrzebuję pomocy w określeniu podłączenia biegunów zasilania pod piny 1 i 2. Dziękuję za pomoc. Pozdrawiam.
  • REKLAMA
  • #2 20047144
    artur.heise
    Poziom 27  
    Niestety, ale sygnał to pin 2. 1 to zasilanie, 3 to masa.

    Peugeot Partner 08-17 rok - Pinout czujnika parkowania
  • REKLAMA
  • #3 20048484
    darens
    Poziom 22  
    Dziękuję za odpowiedź, ale w moim przypadku pin 1 to plus, pin dwa to minus i pin 3 sygnał. Złącze czujników w centralce jest 6-pinowe.
  • #4 20048485
    darens
    Poziom 22  
    Dziękuję za odpowiedź, ale w moim przypadku pin 1 to plus, pin dwa to minus i pin 3 sygnał. Złącze czujników w centralce jest 6-pinowe.

    Dodano po 1 [minuty]:

    Jak wyżej.
REKLAMA