logo elektroda
logo elektroda
X
logo elektroda
REKLAMA
REKLAMA
Adblock/uBlockOrigin/AdGuard mogą powodować znikanie niektórych postów z powodu nowej reguły.

1421B - Schemat TV czarno-białego 5,5 z Chin (Budman, Visiolux, First) CD1031CS

trooyniack 24 Maj 2022 21:43 330 1
REKLAMA
  • #1 20032675
    trooyniack
    Poziom 8  
    Szukam schematu do bardzo popularnego tv 5,5 cala z Chin, czarno-biały. Występuje pod wieloma nazwami (u mnie Budman 1421B, gdzie indziej Visiolux, First itp), oparty na ukł. odchylania pionowego CD1031CS.
  • REKLAMA
  • #2 20032948
    aksakal
    Specjalista - urządzenia lampowe
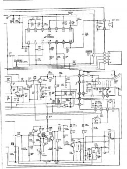
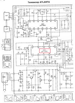
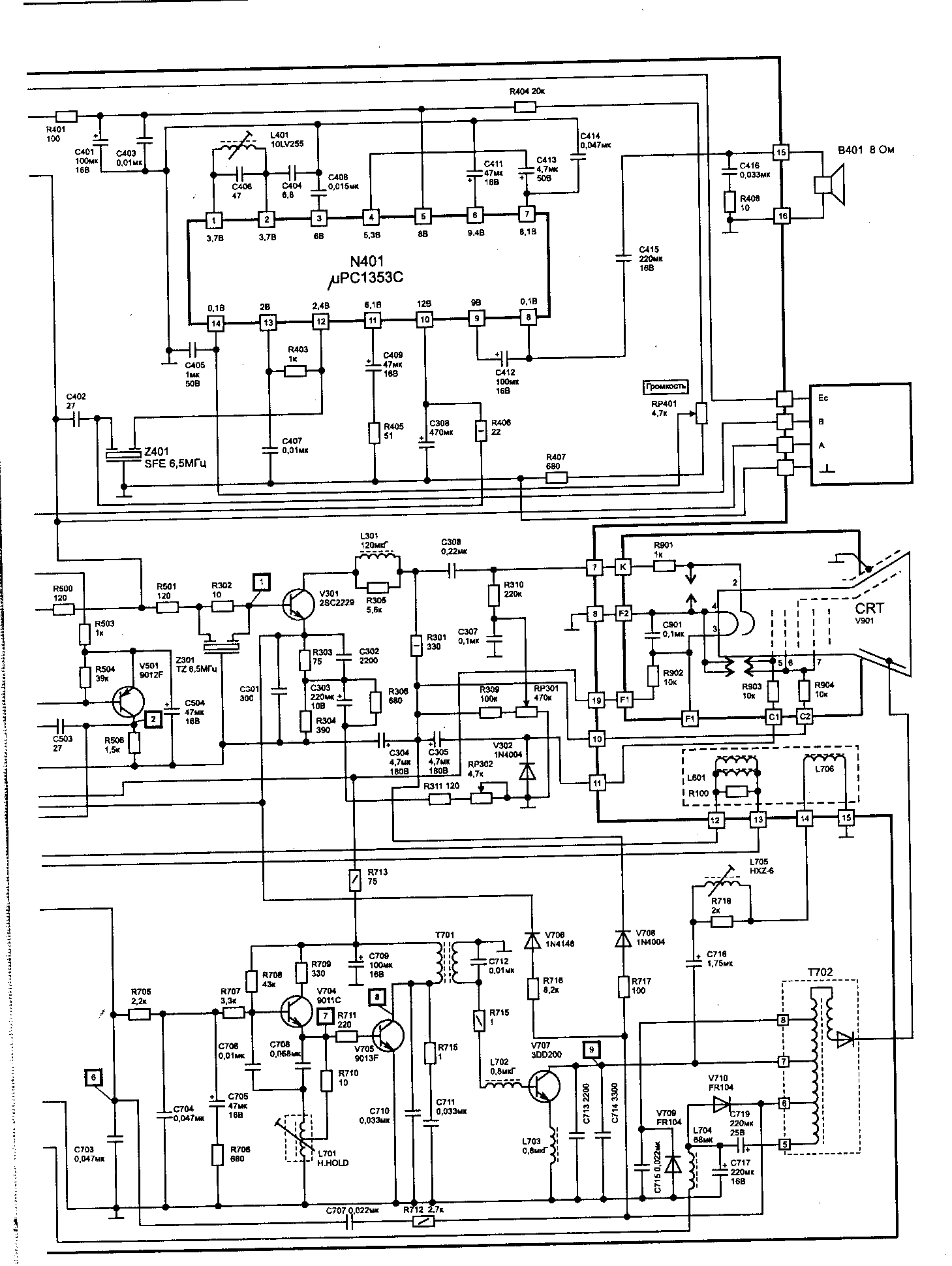
    Schemat chińskiego telewizora,w którym wykorzystuje sie wspomniany układ scalony. 1421B - Schemat TV czarno-białego 5,5 z Chin (Budman, Visiolux, First) CD1031CS 1421B - Schemat TV czarno-białego 5,5 z Chin (Budman, Visiolux, First) CD1031CS
REKLAMA