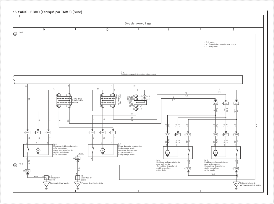
Przewody dochodzące do Pin 15 i Pin 2 fabrycznego sterownika zamka, podłączasz do wyjść przekaźników nowego, uniwersalnego sterownika w konfiguracji do bezpośredniego sterowania siłownikiem - schemat "D".
Nie koniecznie musisz się podłączać do złącza oryginalnego sterownika, możesz się wpiąć (schematem D) w dowolnym miejscu instalacji samochodu (przewody zaznaczone na zielono i niebiesko) gdyż wszystkie siłowniki drzwi są w tym samochodzie połączone równolegle.
Pamiętaj tylko, że przy takim podłączeniu -
fabryczny sterownik należy odłączyć !
