Czy wolisz polską wersję strony elektroda?
Nie, dziękuję Przekieruj mnie tam603mariusz napisał:Czy da się w Presidencie Herbert 1 pod przyciskami:
szyba 9 dorobić +5
szybka 19 dorobić +10
jakie rezystory zastosować itp.
Rezystory dać przy przyciskach czy przy kwarcu.
SP5IT napisał:603mariusz napisał:Czy da się w Presidencie Herbert 1 pod przyciskami:
szyba 9 dorobić +5
szybka 19 dorobić +10
jakie rezystory zastosować itp.
Rezystory dać przy przyciskach czy przy kwarcu.
Da się.
Ale jak pytasz o rezystory to odpuść sobie bo nie masz pojęcia o co chodzi. Daj komuś, kto się zna.
SP5IT napisał:Dławiki też nie. Odpuść.
603mariusz napisał:jak komuś radio chodzi w piątkach wstawia przy kwarcu dławik 6,8 uH i ma zera.
ArturAVS napisał:Z tego co ja pamiętam to: SM5126BP.Nie pamiętam jaka w tym Herbercie jest synteza
ArturAVS napisał:Strojenie w 5 robi się fabrycznym trymerem przy kwarcu,
gumisie napisał:Z tego co ja pamiętam to: SM5126BP.
gumisie napisał:Z tego co mi wiadomo, to "fabryka" nie montowała trymera.
gumisie napisał:Ten schemat, który zamieściłeś dotyczy innej syntezy.
ArturAVS napisał:I Chwała Ci za to, lecz wiem z doświadczenia, że z Herbatnikiem wcale nie jest tak łatwo jakby się mogło wydawać.Chciałem pokazać sposób przełączania a nie konkretny schemat
gumisie napisał:ingerując w miejscu C113, niewiele uzyskamy a wręcz zrobimy sobie zbędny bałagan. P.cz "zeświruje?.
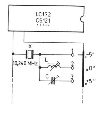
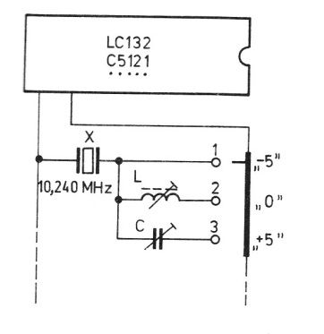
gumisie napisał:Dlatego w przypadku Herberta, dokładałem dodatkowy generator 10,240MHz (a było to ze trzydzieści lat temu ).
gumisie napisał:Dla siebie zrobiłem, "troszeczkę" bardziej rozbudowaną wersją.
ArturAVS napisał:Szkoda, że w AM odbiornik to taki kibel i nie do poprawienia.Od dawna mam w pełni rozblokowane Stabo XM7082 DTMF
SP5IT napisał:Szkoda, że w AM odbiornik to taki kibel i nie do poprawienia.
gumisie napisał:ArturAVS napisał:No nie.Dla siebie mam rozumieć?
Dla siebie zrobiłem, "troszeczkę" bardziej rozbudowaną wersją.![]()
Wracając do tematu, użycie przełączników CH9, CH19 do tego celu to moim zdaniem zły pomysł.
ArturAVS napisał:SP5IT napisał:Szkoda, że w AM odbiornik to taki kibel i nie do poprawienia.
Trochę masz racji i z tym byłoby dużo pracy. Szkoda właśnie że syntezer (procesor) zrobiony w zasadzie do obsługi pasma 10m został tak ubogo wyposażony stroną RF w tym radiu.
603mariusz napisał:I zrypałbym odbiornik jeszcze bardziej. "Świetny" pomysł.Do jakiejś tam poprawy w kilku innych CB wymieniałem filtr murata na IT 2.0kHz
SP5IT napisał:603mariusz napisał:I zrypałbym odbiornik jeszcze bardziej. "Świetny" pomysł.Do jakiejś tam poprawy w kilku innych CB wymieniałem filtr murata na IT 2.0kHz