logo elektroda
logo elektroda
X
logo elektroda
REKLAMA
REKLAMA
Adblock/uBlockOrigin/AdGuard mogą powodować znikanie niektórych postów z powodu nowej reguły.

Focus 2000 1.6 benzyna - Uniwersalny sterownik zamka. Jak podłączyć.

winmap 31 Maj 2022 20:23 1308 33
REKLAMA
  • #1 20042704
    winmap
    Poziom 38  
    Chciałbym zapytać czy dam radę sam podłączyć sterownik Modemix. Model na zdjęciu. Jeżeli tak to czy mógł by mnie ktoś nakierować a może jakiś filmik bo nie znalazłem. Co, gdzie rozebrać i jak podłączyć. Dziękuję z góry za podpowiedzi 👍👍
  • REKLAMA
  • #2 20043649
    CameR

    Moderator Zabezpieczeń Pojazdów
    Sterowanie impulsami masy.
    Otwieranie - biały
    Zamykanie - czarno/pomarańczowy
    Przewody znajdziesz na słupku przednim (podnóżek) po stronie kierowcy.

    Kierunkowskazy:
    Niebiesko/czerwony
    Niebieski
    Przewody znajdziesz w 12-pinowym złączu na słupku przednim po stronie kierowcy.
    Pomogłem? Kup mi kawę.
  • #3 20043731
    winmap
    Poziom 38  
    CameR napisał:
    Sterowanie impulsami masy.
    Otwieranie - biały
    Zamykanie - czarno/pomarańczowy
    Przewody znajdziesz na słupku przednim (podnóżek) po stronie kierowcy.

    Kierunkowskazy:
    Niebiesko/czerwony
    Niebieski
    Przewody znajdziesz w 12-pinowym złączu na słupku przednim po stronie kierowcy.


    Widziałem na jednym filmiku. Mam ściągnąć kawałek gumy i doczepić się do kabelków kolorami? I czy to trzeba jakoś programować?
    Przepraszam bo jestem kapletnie zielony w autach. Słupek tzn co rozbierać? Może jakieś zdjęcie poglądowe
  • #4 20043908
    g107r
    Poziom 41  
    Dlaczego chcesz podłączać, dodajesz centralkę na pilota?
    winmap napisał:
    Mam ściągnąć kawałek gumy i doczepić się do kabelków kolorami?

    Jakiej gumy?
    Gumy pomiędzy drzwiami i słupkiem raczej nie ruszaj,
    chyba że z ciekawości, co do stanu przewodów i ich izolacji...
    Wpiąć się trzeba przed słupkiem. Zdaje się, że zdejmujesz plastiki ze słupka i kawałek progu obok siedzenia kierowcy.
    https://www.elektroda.pl/rtvforum/topic3807723.html są zdjęcia, trzecie i czwarte, przewody, czyli przedni dolny róg odrzwi kierowcy.
    Piąte zdjęcie, bezpiecznik centralnego, z tyłu skrzynki bezpieczników w kabinie.
    Półkę i osłonę pod kierownicą?
    U siebie znalazłem chyba tak bardziej w wiązce progu, nie słupka, ale jeden działał, a drugi już nie...
    Mogłem tylko zamknąć?
    Finalnie, bez rycia za "dziurą" w instalacji, podłączyłem się wprost do modułu GEM, u mnie w opcji "bieda", ale chyba były tam i kierunki, oprócz wejść/wyjść centralnego, bo już nie pamiętam - był stary alarm, co nie działał, to go podmieniłem na własny, co działał :) ale teraz co i jak :?: to lekka amnezja :)

    Dodano po 4 [minuty]:

    GEM był albo za schowkiem pasażera, albo "obok jego prawej nogi" na słupku, coś jakoś tak, może ta lokalizacja będzie "łatwiejsza" w podłączaniu centralki, ale na razie robisz inaczej, więc to później...
  • REKLAMA
  • #5 20044114
    winmap
    Poziom 38  
    g107r napisał:
    Dlaczego chcesz podłączać, dodajesz centralkę na pilota?
    winmap napisał:
    Mam ściągnąć kawałek gumy i doczepić się do kabelków kolorami?

    Jakiej gumy?
    Gumy pomiędzy drzwiami i słupkiem raczej nie ruszaj,
    chyba że z ciekawości, co do stanu przewodów i ich izolacji...
    Wpiąć się trzeba przed słupkiem. Zdaje się, że zdejmujesz plastiki ze słupka i kawałek progu obok siedzenia kierowcy.
    https://www.elektroda.pl/rtvforum/topic3807723.html są zdjęcia, trzecie i czwarte, przewody, czyli przedni dolny róg odrzwi kierowcy.
    Piąte zdjęcie, bezpiecznik centralnego, z tyłu skrzynki bezpieczników w kabinie.
    Półkę i osłonę pod kierownicą?
    U siebie znalazłem chyba tak bardziej w wiązce progu, nie słupka, ale jeden działał, a drugi już nie...
    Mogłem tylko zamknąć?
    Finalnie, bez rycia za "dziurą" w instalacji, podłączyłem się wprost do modułu GEM, u mnie w opcji "bieda", ale chyba były tam i kierunki, oprócz wejść/wyjść centralnego, bo już nie pamiętam - był stary alarm, co nie działał, to go podmieniłem na własny, co działał :) ale teraz co i jak :?: to lekka amnezja :)

    Dodano po 4 [minuty]:

    GEM był albo za schowkiem pasażera, albo "obok jego prawej nogi" na słupku, coś jakoś tak, może ta lokalizacja będzie "łatwiejsza" w podłączaniu centralki, ale na razie robisz inaczej, więc to później...


    Nie rozumiem trochę ale jutro wgl postaram się znaleźć przewody. Chodzi mi czy mam ściągnąć tzn obrać kawałek kabelka i do tego się doizolowac. Widziałem na jednym filmie. Czy tam są jakieś złączki? Dlaczego chcę podłączyć ten sterownik? Bo ten ford ma centralny ale tylko na klucz. Pilota nie ma. A zamek od kierowcy jest coś uszkodzony. Zamknąć mogę ale już otworzyć nie. Muszę zawsze otworzyć od pasażera i potem już w środku. Takie rozwiązanie kobietka znalazła. Żeby to podłączyć.. nawet nie wiem czy to przejdzie ale jak ona już kupiła to trzeba spróbować.
  • #6 20044284
    CameR

    Moderator Zabezpieczeń Pojazdów
    winmap napisał:
    zamek od kierowcy jest coś uszkodzony. Zamknąć mogę ale już otworzyć nie

    Nie wiadomo, czy uszkodzony zamek będzie działać przy sterowaniu centralnego zamka.
    Być może trzeba będzie wymienić zamek w drzwiach lub naprawić instalację elektryczną drzwi.

    winmap napisał:
    czy mam ściągnąć tzn obrać kawałek kabelka i do tego się doizolowac

    Focus 2000 1.6 benzyna - Uniwersalny sterownik zamka. Jak podłączyć.

    winmap napisał:
    jestem kapletnie zielony w autach

    Ford nie jest łatwym autem do nauki ... . Zrobisz co uważasz.
    Pomogłem? Kup mi kawę.
  • #7 20044564
    winmap
    Poziom 38  
    CameR napisał:
    winmap napisał:
    zamek od kierowcy jest coś uszkodzony. Zamknąć mogę ale już otworzyć nie

    Nie wiadomo, czy uszkodzony zamek będzie działać przy sterowaniu centralnego zamka.
    Być może trzeba będzie wymienić zamek w drzwiach lub naprawić instalację elektryczną drzwi.

    winmap napisał:
    czy mam ściągnąć tzn obrać kawałek kabelka i do tego się doizolowac

    Focus 2000 1.6 benzyna - Uniwersalny sterownik zamka. Jak podłączyć.

    winmap napisał:
    jestem kapletnie zielony w autach

    Ford nie jest łatwym autem do nauki ... . Zrobisz co uważasz.

    Raczej nie elektronika popsuta tylko coś mechanicznego w tym zamku od kierowcy. Jak już kupiła to itak trzeba spróbować. Zawsze będzie można odsprzedać. Będę starał się coś działać i dam znać 👍
  • #8 20044573
    abart64
    Poziom 33  
    winmap napisał:
    . Zamknąć mogę ale już otworzyć nie.

    Wyrobione zapadki w bębenku zamka. Normalne ,jeszcze w czasach escorta był ten problem.
    Podłącz sterownik i będzie działał.

    Moderowany przez CameR:

    Reg. 3.1.11. Nie wysyłaj wiadomości, które wprowadzają w błąd, nie rozwiązują problemu użytkownika.

  • #9 20044669
    g107r
    Poziom 41  
    abart64 napisał:
    Wyrobione zapadki w bębenku zamka. Normalne ,jeszcze w czasach escorta był ten problem.
    A nie stycznik? Bębenek, wkładka mechanicznie jeszcze jest ok, działa, ale nie steruje elektrycznie centralnym zamkiem.
    Bo mogłem/mam mieć podobnie, tylko w moim jeszcze zamontowany alarm nie do końca był sprawny, oprócz tego, że podejrzewam właśnie jakiś stycznik w zamku, przewody w przelotce, tylko kto by to rozbierał, czy wymieniał...
    Podłączenie pod rzeczone przewody nie działało, znaczy jeden ok, otwierał lub zamykał, a drugi działał tylko zetknięty na stałe, czyli wstępnie, był nie ten potencjał na wejściu sterownika zamka, ale po podłączeniuu wprost do sterownika centralnego (w module GEM jest/ma być sterownik centralnego zamka), zamki prawidłowo otwierają i zamykają.
    Z pilota oczywiście.
    Z kluczyka nadal otw/zamyka tylko drzwi kierowcy, bo reakcji siłowników zamków nawet nie słychać...
    Tu rozumiem, że z kluczyka zamykają się wszystkie drzwi, tylko otwierają jedynie od kierowcy, i centralny "jakoś" w połowie działa?

    Bo bardzo głupio schowany jest bezpiecznik centralnego, i bez odkręcenia skrzynki bezpieczników, chyba nie ma możliwości go sprawdzić.
  • #10 20044946
    abart64
    Poziom 33  
    g107r napisał:
    Tu rozumiem, że z kluczyka zamykają się wszystkie drzwi, tylko otwierają jedynie od kierowcy, i centralny "jakoś" w połowie działa?

    Ja rozumiem że z kluczyka zamykają się wszystkie drzwi ale nie otwierają się się żadne z zamka kierowcy. Otwierają się wszystkie z zamka pasażera.Więc inaczej niż u ciebie.
  • #11 20045433
    winmap
    Poziom 38  
    Czy to będzie to? Rozkręcić śrubę? Focus 2000 1.6 benzyna - Uniwersalny sterownik zamka. Jak podłączyć.

    Dodano po 5 [minuty]:

    winmap napisał:
    Czy to będzie to? Rozkręcić śrubę? Focus 2000 1.6 benzyna - Uniwersalny sterownik zamka. Jak podłączyć.


    Jeżeli to jest to. To mam podłączać się w kabelki od dołu zanim dojdą do tej kostki czy już od góry gdzie idą w stronę bezpieczników?
  • #13 20045482
    winmap
    Poziom 38  
    Czyli wnioskujesz że tu? Focus 2000 1.6 benzyna - Uniwersalny sterownik zamka. Jak podłączyć.

    Chodzi mi o samo otwieranie i zamykanie. Jakie kabelki, gdzie
  • #15 20045968
    CameR

    Moderator Zabezpieczeń Pojazdów
    CameR napisał:
    Sterowanie impulsami masy.
    Otwieranie - biały
    Zamykanie - czarno/pomarańczowy

    Spotkałem się też z innymi kolorami:
    Otwieranie - czarno/pomarańczowy
    Zamykanie - czarno/zielony

    Tester z żarówką do ręki i szukaj. (oczywiście przy "zamkniętych drzwiach")
    Pomogłem? Kup mi kawę.
  • REKLAMA
  • #16 20046574
    g107r
    Poziom 41  
    CameR napisał:
    Spotkałem się też z innymi kolorami:
    Otwieranie - czarno/pomarańczowy
    Zamykanie - czarno/zielony

    Ja też.
    Focus 2000 1.6 benzyna - Uniwersalny sterownik zamka. Jak podłączyć.

    Znowu spróbowałem, jeden otwiera jak trzeba, drugi nie reaguje (z masą), za to łączenie ich razem... Z opisów, to nie tak miało być, żeby je łączyć i rozłączać.
    To cieniutkie przewody, w takich szukasz.
    -------
    Z boku schowka są takie ograniczniki, trzeba je trochę wcisnąć, i da się całkowicie otworzyć schowek.
    Widać obudowę wentylatora, i różowe coś.

    Focus 2000 1.6 benzyna - Uniwersalny sterownik zamka. Jak podłączyć.

    Jak też masz różowe (wersja bieda), to można podobnie.

    Focus 2000 1.6 benzyna - Uniwersalny sterownik zamka. Jak podłączyć.
  • #17 20046716
    winmap
    Poziom 38  
    Zrobiłem taką pseudo żarówkę 12 vat. Sprawdziłem tylko kilka przewodów iż niestety z zamkniętymi drzwiami jest bardzo ciężko. Mało miejsca w aucie. Focus 2000 1.6 benzyna - Uniwersalny sterownik zamka. Jak podłączyć. jak już napisałem sprawdziłem tylko część przewodów. Ciężko z moimi gabarytami w takim małym aucie. Na przewodzie pomarańczowo niebieski albo zielony. Nie wiem jaki to kolor. Slabo widać ale sobie zaznaczyłem. Zapala się probówka. I na samym pomarańczowym. To cienkie przewody. Nie te grubsze.

    Dodano po 53 [sekundy]:

    Reszty nie dałem rady sprawdzić niestety
  • REKLAMA
  • #18 20046744
    g107r
    Poziom 41  
    winmap napisał:
    Sprawdziłem tylko kilka przewodów iż niestety z zamkniętymi drzwiami jest bardzo ciężko. Mało miejsca w aucie.

    Śrubokręt, kluczyk, kawałek patyka, i zamknij zamek na otwartych drzwiach.

    Zajrzyj za schowek pasażera.
    W te pudełko wchodzą te same kabelki, których szukasz, na teraz to minuta, aby sprawdzić, czy masz ten sam GEM.
    Jak ten sam, to bym się nie męczył w progu.
  • #19 20046748
    winmap
    Poziom 38  
    g107r napisał:
    winmap napisał:
    Sprawdziłem tylko kilka przewodów iż niestety z zamkniętymi drzwiami jest bardzo ciężko. Mało miejsca w aucie.

    Śrubokręt, kluczyk, kawałek patyka, i zamknij zamek na otwartych drzwiach.

    Zajrzyj za schowek pasażera.
    W te pudełko wchodzą te same kabelki, których szukasz, na teraz to minuta, aby sprawdzić, czy masz ten sam GEM.
    Jak ten sam, to bym się nie męczył w progu.


    Auto właśnie pojechalo. Nie wiem czy dziś zdążę i pozatym ciężko będzie grzebać za schowkiem. Mało czasu ze względu na robotę. To te przewody są złe? Czy mogą być inne które też zapalą probówkę? To jak zamknąć wrazie jak by się udało zamek na otwartych drzwiach ? Nie czaje?
  • #21 20046835
    winmap
    Poziom 38  
    g107r napisał:
    https://focusmk1.wordpress.com/2014/11/04/naprawa-centralnego-zamka/
    :|

    Focus 2000 1.6 benzyna - Uniwersalny sterownik zamka. Jak podłączyć.


    Bezpiecznik jest sprawny. Jednak czasami łapie otwieranie.. ja nie chcę nic grzebać w zamku iż się na tym nie znam
    Chcę podłączyć ten sterownik i nic więcej. 👍

    Od pasażera otwiera tylko drzwi pasażera. A od kierowcy zamyka wszystko i jak czasem zalapie to otwiera wszystko.
  • #22 20046999
    g107r
    Poziom 41  
    Nie chodzi o bezpiecznik, mamy je dobre, a o te "czerwone gumki" od styczników sterujących centralką zamków.
    Pewnie twardnieją, u ciebie jakby jedna, bo czasem zamek reaguje, znaczy gumka jakoś odpuszcza ten włącznik pod gumką, i jak napisałeś
    winmap napisał:
    Jednak czasami łapie otwieranie
    .


    Masz podane kolory przewodów.
    Znajdź takie najcieńsze w tej wiązce, i je sprawdzaj, kontrolka do plusa zasilania i drugim końcem szukasz pojawiającej się masy na tych przewodach blokując/odblokowując drzwi.
    W żółtym kółku zaznaczyłem zamek drzwi, na słupku masz jego drugi element, który wchodzi w zamek w drzwiach...
    Albo od razu zaglądasz za schowek, w GEM wchodzą te same poszukiwane przewody, lub jak widać u mnie, wejścia sterujące są zdublowane, tyle że bez wychodzących przewodów z wtyczki, więc wetknąłem tam swoje.
    Zgaduję, że to miejsce na przewody sterujące centralnym zamkiem przez fabryczny anti theft, czyli alarm, ale że rok temu się trochę dokształcałem... :wink: Bo był też inny GEM.
  • #23 20048244
    CameR

    Moderator Zabezpieczeń Pojazdów
    g107r napisał:
    kontrolka do plusa zasilania

    Nie do plusa, tylko do masy i szukasz na którym kablu centralny zamek będzie się zamykać i otwierać.
    Pomogłem? Kup mi kawę.
  • #24 20048653
    winmap
    Poziom 38  
    Chyba się poddaje. Byłem w aucie teraz. Ale koniec zabawy bo się gorąco zrobiło. Przeszukałem większość przewodów. Podłączyłem się do masy i nakluwalem kabelki.. na cienkim czarno pomarańczowym zamykał zamek, potem zacząłem szukać otwierającego. Nie znalazłem.. a teraz patrzę. Już nie reaguje na ten czarno pomarańczowy.
  • #25 20048702
    CameR

    Moderator Zabezpieczeń Pojazdów
    CameR napisał:
    Ford nie jest łatwym autem do nauki ...

    Centralny zamek z kluczyka jeszcze działa ?
    Pomogłem? Kup mi kawę.
  • #26 20048738
    winmap
    Poziom 38  
    Działa wszystko jak działało. Bez zmian.
  • #27 20048775
    g107r
    Poziom 41  
    Nie było cienkiego czarno-zielonego, ani białego?
    Innych nie było by sensu nakłuwać.
    To zrób jak ja, na próbę przez kontrolkę daj masę w te dziury, w których widać przewody zielony i niebieski na moim zdjęciu.
    Jak wypniesz wtyczkę, to się nawet podłączysz bez odkręcania modułu, do tych przewodów których szukasz, bo tam być powinny.
  • #28 20048886
    CameR

    Moderator Zabezpieczeń Pojazdów
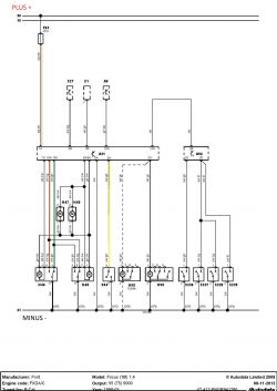
    Jeżeli sterowanie na zielonej wtyczce fabrycznego sterownika (Pin.13 i pin.16) nie działa,
    to możesz zrobić jeszcze inaczej.
    Zielona wtyczka sterownika centralnego zamka.
    Wysteruj bezpośrednio silnik siłownika w drzwiach.
    Pin.7 i Pin.8 - w spoczynku na obu pinach jest masa.
    Musisz "rozciąć" przewód dochodzący do Pin.7 i od strony zamka podać +12V i to samo na Pin.8.
    Focus 2000 1.6 benzyna - Uniwersalny sterownik zamka. Jak podłączyć.
    Focus 2000 1.6 benzyna - Uniwersalny sterownik zamka. Jak podłączyć. Focus 2000 1.6 benzyna - Uniwersalny sterownik zamka. Jak podłączyć.
    Pomogłem? Kup mi kawę.
  • #29 20048893
    winmap
    Poziom 38  
    g107r napisał:
    Nie było cienkiego czarno-zielonego, ani białego?
    Innych nie było by sensu nakłuwać.
    To zrób jak ja, na próbę przez kontrolkę daj masę w te dziury, w których widać przewody zielony i niebieski na moim zdjęciu.
    Jak wypniesz wtyczkę, to się nawet podłączysz bez odkręcania modułu, do tych przewodów których szukasz, bo tam być powinny.


    Białego cienkiego nie. Na gruby biały bo taki był, nie reagowało. Czarno zielony był. Brak rekacji. Dobrze napisaliście że ford do łatwych nie należy.. Nie będę rozbierać przy schowku itd żeby czegoś nie rozpieprzyc gorzje. A itak dzisiaj już nie podzialam nic. Bo garażu nie ma a w aucie sauna będzie do wieczora.

    Dodano po 1 [minuty]:

    CameR napisał:
    Możesz zrobić jeszcze inaczej.
    Zielona wtyczka sterownika centralnego zamka.

    Focus 2000 1.6 benzyna - Uniwersalny sterownik zamka. Jak podłączyć.


    Gdzie tej wtyczki szukać? Już zgłupiałem..
  • #30 20048901
    g107r
    Poziom 41  
    Za schowkiem, GEM spełnia funkcję centralnego zamka.

Podsumowanie tematu

Użytkownik pyta o możliwość samodzielnego podłączenia uniwersalnego sterownika Modemix do centralnego zamka w Fordzie Focusie 2000 1.6 benzyna. W odpowiedziach podano szczegóły dotyczące kolorów przewodów do otwierania i zamykania zamka, lokalizacji przewodów w słupku przednim oraz wskazówki dotyczące podłączenia do modułu GEM. Użytkownik zmaga się z uszkodzonym zamkiem w drzwiach kierowcy, który nie otwiera się z pilota, a jedynie z kluczyka. Wskazano również na możliwość uszkodzenia mechanicznego zamka oraz na konieczność sprawdzenia przewodów w wiązce. Użytkownik planuje dalsze próby podłączenia sterownika, mimo trudności z dostępem do przewodów.
Podsumowanie wygenerowane przez model językowy.
REKLAMA