Witam. Przedstawię tu tanią 'żarówkę' LED z polskiego serwisu aukcyjnego, model WOJ14413, kupioną za około 24 zł. Krótko przetestuję aplikację producenta a potem pokażę moduł WiFi ze środka oraz omówię wgrywanie Tasmoty. Lampka ta oferuje nam kontrolę nad temperaturą barwy światła - czyli możemy wybrać w jakim stopniu będzie zimne a w jakim ciepłe. Nie ma tu RGB. CCT oznacza Correlated color temperature.
Zakup WOJ14413
LEDówkę WOJ14413 kupiłem za 24 zł w polskim sklepie ze sprzedażą online. Zakupu dokonałem dlatego, że ktoś polecił mi sprawdzić WOJ14415 (niby w niej jest układ Beken - BK7231T) a brakowało mi wartości koszyka do darmowej dostawy od 40 zł.
Po dwóch dniach odebrałem obie lampki z paczkomatu:
Instrukcja jest nadrukowana na opakowaniu, w języku polskim i angielskim.
Aplikacja mobilna
Kilkukrotnie próbowałem sparować ten produkt z aplikacją Tuya. Niestety bez rezultatów.
Udało się dopiero z aplikacją producenta (do niej prowadzi kod QR na opakowaniu).
To już jest minus - przecież większość urządzeń działa z Tuya.
Z aplikacją producenta nie było problemów. Ma trochę prostszy interfejs niż ta od Tuya. Jest mniej urządzeń i są pogrupowane.
Wnętrze WOJ14413
Z kopułką siłowałem się dłużej niż zwykle ale i tak udało mi się ją zdjąć gołymi rękami.
Ten biały przewód to antenka WiFi.
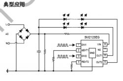
W środku też widać dwa rodzaje LEDów (zimne i ciepłe) oraz ich sterownik - SM2123. Wbrew pozorom nie jest to kontroler I2C.
SM2123EG to Dual channel dimmable LED linear constant current controller.. Stałoprądowy kontroler LED, dwukanałowy (ciepła i zimna biel).
Steruje się nim poprzez PWM. Zwróćcie uwagę na ciekawe podłączenie masy:
Schemat wewnętrzny:
Pod płytką z LEDami:
Aby wyjąć drugą płytkę trzeba zdjąć gwint. Końcówka gwintu jest wciskana, można ją podważyć.
Co jest na płytce ze środka? Widać rezystor bezpiecznikowy, mostek prostowniczy i tajemniczy, zaklejony czymś moduł...
Jest i BP2513D. Kolejna sprytna przetworniczka beztransformatorowa.
Jak jest ona podłączona? To nam powie aplikacja:
Jednakżę nas interesuje bardziej moduł WiFi. Trzeba odsłonić jego piny. Dodatkowo w celu ułatwienia jego identyfikacji (to nie było potrzebne, ale pozwoliło mi zrobić lepsze zdjęcie) wylutowałem zasłaniający go kondensator elektrolityczny.
Legendarny ESP8285! Czyli ESP8266 ale z pamięcią wbudowaną, więc nie trzeba obok osobnej kostki. Nie byłoby na to miejsca.
Wyprowadzenia do programowania są z drugiej strony:
Wyjaśnia się też co to jest za moduł - to TYLC5.
Dodam, ze nie ma tu LDO 3.3V i z tego co widzę to SM2123EG bezpośrednio z sieci zasila LEDy a BP2513D daje od razu 3.3V dla ESP.
A co jeśli byłby tam inny mikrokontroler niż ESP?
Oferuję rozwiązania wspierające wiele różnych modułów WiFi z urządzeń IoT, szczegóły tutaj:
[BK7231T] Mój serwer HTTP, konfigurator, wsparcie MQTT z Home Assistant
Zamiennik Tasmoty dla BL602, programowanie, parowanie z Home Assistant.
UWAGA - Tutorial Tasmoty
Nie będę tu ponownie opisywać podstaw Tasmoty. Odsyłam do wcześniejszego tematu z serii:
ESP8266 i Tasmota - sterowanie przekaźnikiem WiFi krok po kroku
Obowiązkowo też polecam lekturę o Home Assistant:
Tutorial Home Assistant - konfiguracja, WiFi, MQTT, Zigbee, Tasmota
Wgrywanie i konfiguracja Tasmoty
Z sygnałów wystarczy wyprowadzić GND, VCC (3.3V), IO0 (do masy na czas programowania) i RX oraz TX. Do tego TC1264 i konwerter USB-UART:
Do programowania użyłem esptool.py.
Po wgraniu ustawiłem role pinów:
Po restarcie Tasmoty automatycznie otrzymałem dwa suwaki, ale nie są to suwaki osobno dla każdego PWM - to jest inteligentny kontroler, jeden suwak to temperatura światła drugi to jasność. Tasmota dopiero zamienia to na dwa PWM dla kanałów C i W (Cool white oraz Warm white).
UWAGA: na moim zrzucie ekranu zamienione jest PWM1 z PWM2 miejscami, przez co zimna biel jest zamieniona z ciepłą. Powtarzając moje kroki zamieńcie je miejscami.
No i efekty:
PWM (paski na zdjęciach) są widoczne tylko przez aparat, moje oko na żywo nie dostrzega migania.
Parowanie z Home Assistant
Skonfigurowałem najpierw namiary na MQTT mojego HA, a potem włączyłem Autodiscovery (SetOption19 1).
HA sam wykrył nowe urządzenie i od tej pory mogę sterować jego jasnością i barwą światła przez MQTT:
Podsumowanie
Liczyłem na urządzenie z Beken, choć tak naprawdę do testów przede wszystkim kupiłem WOJ14415, którego jeszcze nie otwierałem, a to omawiane w tym temacie było tylko jako dodatek.
Korzystając z okazji przetestowałem omawiane tutaj WOJ14413 i na początku muszę stwierdzić, że z jakiegoś powodu nie chciało mi się ono parować z aplikacją Tuya. To duży minus. Nie spodziewałem się tego.
Aplikacja producenta nie jest zła, ale jak już mamy w Tuya ekosystem to będziemy skazani na używanie dwóch aplikacji na raz.
Z kolei plusem tego urządzenia jest TYLC5 - czyli ESP8285. Coraz mniej urządzeń z ESP można kupić i coraz więcej jest tych z Beken, więc myślę, że informacja o tym, że w WOJ14415 kupionym za 25 zł siedzi ESP na pewno się komuś przyda. Ludzie lubią wgrywać Tasmotę i odcinać się od chmury, a tu jest to względnie proste.
Ciekawe, czy tuya-convert wspiera tę lampkę? Tego już nie sprawdzałem.
To na razie tyle - wkrótce zrobię drugi teardown, tym razem wspominany już WOJ14413. Co będzie w środku? Zobaczymy.
Fajne? Ranking DIY Pomogłem? Kup mi kawę.
