Część wszystkim.
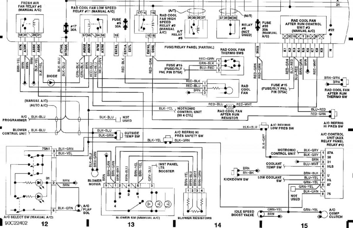
Niedawna zabrałem się za montaż klimatyzacji w mojej Audi (2.0 silnik ABK Benzyna 115 KM), niestety mam pewien problem. Mianowicie potrzebuje schematu do sterownika DIGIFANT1 037 906 022 EE. Ewentualnie jeśli ktoś się orientuje który pin odpowiada za zwiększenie obrotów po włączeniu klimatyzacji.
Z góry dziękuję za pomoc.


Niedawna zabrałem się za montaż klimatyzacji w mojej Audi (2.0 silnik ABK Benzyna 115 KM), niestety mam pewien problem. Mianowicie potrzebuje schematu do sterownika DIGIFANT1 037 906 022 EE. Ewentualnie jeśli ktoś się orientuje który pin odpowiada za zwiększenie obrotów po włączeniu klimatyzacji.
Z góry dziękuję za pomoc.