logo elektroda
logo elektroda
X
logo elektroda
REKLAMA
REKLAMA
Adblock/uBlockOrigin/AdGuard mogą powodować znikanie niektórych postów z powodu nowej reguły.

Opel Astra H 1.9cdti - niebiesko-czerwony kabel przy rozruszniku - gdzie podłączyć?

djlotnik 13 Cze 2022 13:37 2463 14
REKLAMA
  • #1 20059341
    djlotnik
    Poziom 10  
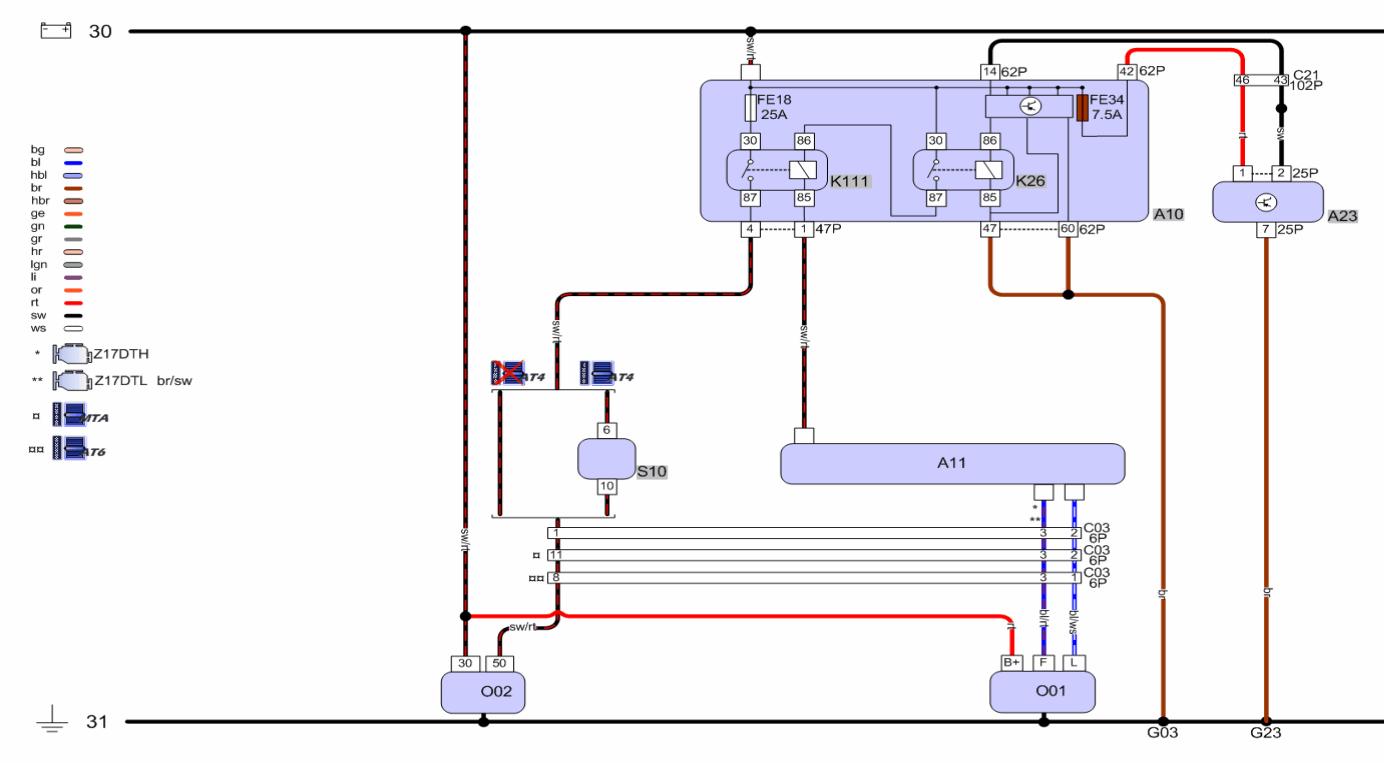
    Witam. Składam po kimś sprzęgło jak w tytule. Przy rozruszniku mam 3 kable jeden plusowy od akumulatora, czarno czerwony na wzbudzenie i niebiesko czerwony nie wiem od czego. Ktoś może podpowiedzieć od czego może być ten niebiesko czerwony cienki przewód? Znajduje się przy rozruszniku i ma też oczko tak jak na wzbudzenie rozrusznika. Z tego co znalazłem to czarno czerwony na wzbudzenie ale tego niebiesko czerwonego nie wiem gdzie przykleić. Ratujcie Panowie odpowiedzią lub schematem.
  • REKLAMA
  • #2 20063846
    DriverMSG
    Admin grupy komputery
    Podaj dokładnie model auta, rocznik, oznaczenie silnika. Z tego co patrzę na schematy, to jedyny (trzeci) przewód jest podłączony razem z tym od akumulatora i leci do alternatora, ale ma inne kolory.
  • #3 20064064
    Konto nie istnieje
    Poziom 1  
  • #4 20064075
    andrzej20001
    Poziom 43  
    Przecież widać jakie oczko 6 czy 8.
  • REKLAMA
  • #5 20064091
    Konto nie istnieje
    Poziom 1  
  • #6 20064110
    andrzej20001
    Poziom 43  
    Tak czy siak alternator jest 30cm od rozrusznika i widać wszystko. Plusi masa to kable "po byku" także pomijam to
  • #7 20064118
    Aleksander_01
    Poziom 42  
    I co nikt nie wie do czego służy trzeci kabelek (energetyczy, start i ten trzeci też cienki) ? Może ja jestem na forum karachan ?
  • #8 20064578
    djlotnik
    Poziom 10  
    Przepraszam za moją nie fachowość Panowie. Opel Astra H 1.9cdti 2008 rok 74kw. Jeśli trzeba podam VIN? Do alternatora leci biało niebieski z tego co widzę i alternator nie był ruszany. Oczko fi 6 jak w rozruszniku. Ten kabelek leci w tej wiązce co ten od alternatora. Niżej zdjęcie kabelka widmo Opel Astra H 1.9cdti - niebiesko-czerwony kabel przy rozruszniku - gdzie podłączyć? Opel Astra H 1.9cdti - niebiesko-czerwony kabel przy rozruszniku - gdzie podłączyć? Opel Astra H 1.9cdti - niebiesko-czerwony kabel przy rozruszniku - gdzie podłączyć?
    Plus gruby na rozruszniku jest i masa na skrzyni też.
  • REKLAMA
  • #9 20064597
    Konto nie istnieje
    Poziom 1  
  • #10 20064657
    djlotnik
    Poziom 10  
    Czyli nie ma jednoznacznej odpowiedzi, wg schematu alternator?
  • #11 20064666
    Konto nie istnieje
    Poziom 1  
  • #12 20064697
    djlotnik
    Poziom 10  
    koleś kit napisał:
    Jest. Jak działa wszystko to zaizolować i tyle.

    Taka była ostateczna opcja, chciałem to ogarnąć książkowo 🤣
  • REKLAMA
  • #13 20064818
    Konto nie istnieje
    Poziom 1  
  • #15 20112860
    djlotnik
    Poziom 10  
    Problemów ciąg dalszy. Tym razem ze sprzęgłem. Dwumas docisk i wysprzeglik LUK, pompka sprzęgła FTE. Po przejechaniu około 1000km padla pompka, założona nowa Sachsa i po około 100km czuć na pedale ze przepuszcza(czuć skoki na pedale ale wysprzegla elegancko). Chyba skończy się Sachs niedługo, pytanie polega na tym co jest przyczyną padania pompek skoro całe sprzęgło jest nowe? Biorę pod uwagę też uszkodzenie docisku. Raz czuć to na pedale a raz nie. Jeśli wysprzegla się delikatnie to jest w porządku, jeśli pedału używa się trochę agresywnie i szybciej go puści to czuć te przepuszczanie. Panowie podpowiecie coś?

Podsumowanie tematu

Użytkownik zadał pytanie dotyczące podłączenia niebiesko-czerwonego kabla przy rozruszniku w Oplu Astra H 1.9cdti z 2008 roku. W odpowiedziach zasugerowano, że kabel ten może być związany z alternatorem, a niektóre schematy wskazują na jego rolę w sterowaniu lub informowaniu ECM. Użytkownik potwierdził, że kabel leci w wiązce z kablem alternatora, a jego oczko ma średnicę 6 mm. W dyskusji poruszono również problemy z nowym sprzęgłem, w tym awarie pompki sprzęgła, co może być związane z uszkodzeniem docisku.
Podsumowanie wygenerowane przez model językowy.
REKLAMA