logo elektroda
logo elektroda
X
logo elektroda
REKLAMA
REKLAMA
Adblock/uBlockOrigin/AdGuard mogą powodować znikanie niektórych postów z powodu nowej reguły.

Peugeot 307 - identyfikacja kabla brązowego *811* na zdjęciu

filipiwan82 06 Lip 2022 06:37 177 3
REKLAMA
  • #1 20089913
    filipiwan82
    Poziom 2  
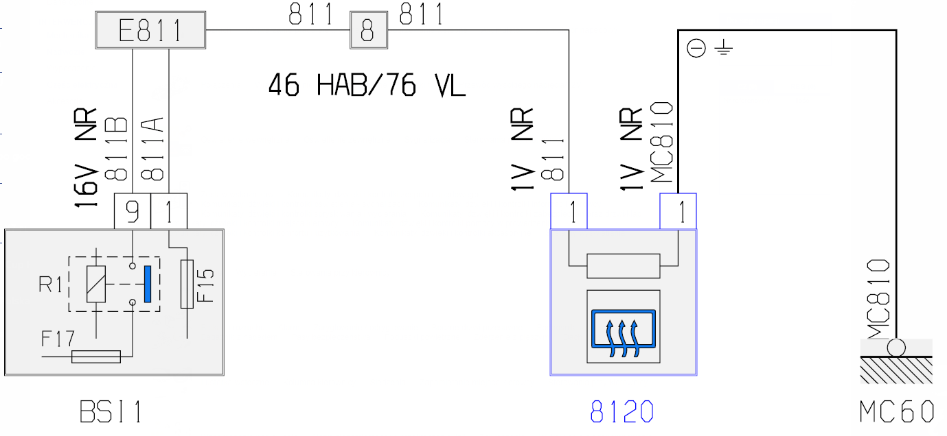
    Witam, czy ktoś wie od czego ten kabel jest, zdjęcie niewyraźne ale chodzi o ten brązowy opisany *811*, z góry dziękuję za informację
    Peugeot 307 - identyfikacja kabla brązowego *811* na zdjęciu
  • REKLAMA
  • #2 20090562
    artur.heise
    Poziom 27  
    Zakładając, że to full CAN.

    811 : sterowanie tylnej szyby ogrzewanej

    Powinny być dwa - jeden na pinie "1", drugi na pinie "9"

    Peugeot 307 - identyfikacja kabla brązowego *811* na zdjęciu
  • REKLAMA
  • #3 20090807
    filipiwan82
    Poziom 2  
    Dzięki za informacje bo to jest jedyną rzecz która właśnie mi nie działa,w weekend sprawdzę.pozdrawiam
  • #4 20090859
    artur.heise
    Poziom 27  
    filipiwan82 napisał:
    Dzięki za informacje bo to jest jedyną rzecz która właśnie mi nie działa,w weekend sprawdzę.pozdrawiam


    Proszę bardzo.
REKLAMA