logo elektroda
logo elektroda
X
logo elektroda
REKLAMA
REKLAMA
Adblock/uBlockOrigin/AdGuard mogą powodować znikanie niektórych postów z powodu nowej reguły.

Chce podłączyć moduł CIM i licznik z Vectry C na stole

Spin600V 15 Lip 2022 12:23 723 4
REKLAMA
  • #1 20102541
    Spin600V
    Poziom 11  
    Witam.
    Mam licznik, moduł CIM ze złączami i gniazdo OBD, chce mieć możliwość podpięcia modułów na stole i móc je zdiagnozować.
    Licznik ma 12-PIN, CIM 25-PIN i OBD standardowo 16-Pinów
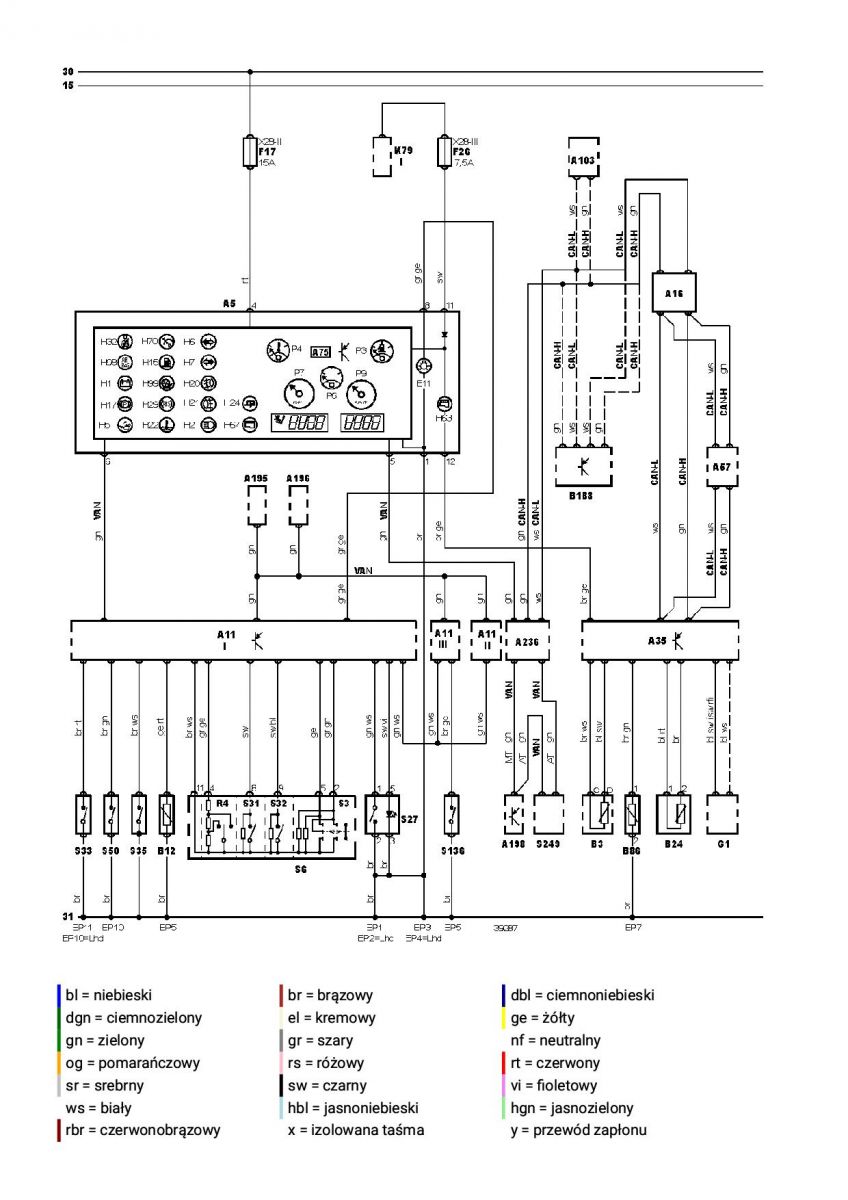
    Znalazłem wtyk z licznika ale nie wiem co oznaczają piny 8 i 12?
    Chce podłączyć moduł CIM i licznik z Vectry C na stole
    I OBD
    Chce podłączyć moduł CIM i licznik z Vectry C na stole
    Nie znalazłem informacji i jak połączyć z modułem CIM i schematu?
    Chce podłączyć moduł CIM i licznik z Vectry C na stole
    Ktoś pomoże?
  • REKLAMA
  • #2 20102590
    ladamaniac
    Poziom 40  
    8 to ściemnianie-rozjaśnianie licznika
    12 to sygnał zaświecenia kontrolki check, prosto ze sterownika silnika, z pominięciem innych modułów i komunikacji CAN/VAN/LIN
    Chce podłączyć moduł CIM i licznik z Vectry C na stole Chce podłączyć moduł CIM i licznik z Vectry C na stole Chce podłączyć moduł CIM i licznik z Vectry C na stole
  • REKLAMA
  • #3 20104447
    Spin600V
    Poziom 11  
    Nie widzę tu gniazda z modułu CIM...
  • REKLAMA
  • #5 20133195
    Spin600V
    Poziom 11  
    Żeby włączyć podświetlenie licznika potrzebuje moduł BCM ?
REKLAMA