Program FreeCAD pozwala na modelowanie części w dość dużym zakresie, ale tworzenie rysunków jest strasznie prymitywne. Próbowałem kilka razy zaprzyjaźnić się z tym pakietem, ale chyba trzeba jeszcze wiele lat zanim pojawią się choćby tak podstawowe rzeczy jak sensowne osie dla otworów, rozbudowane opisy wymiarów (krotności, pasowania, inspekcje), ramki GD&T czy oznaczenia chropowatości.
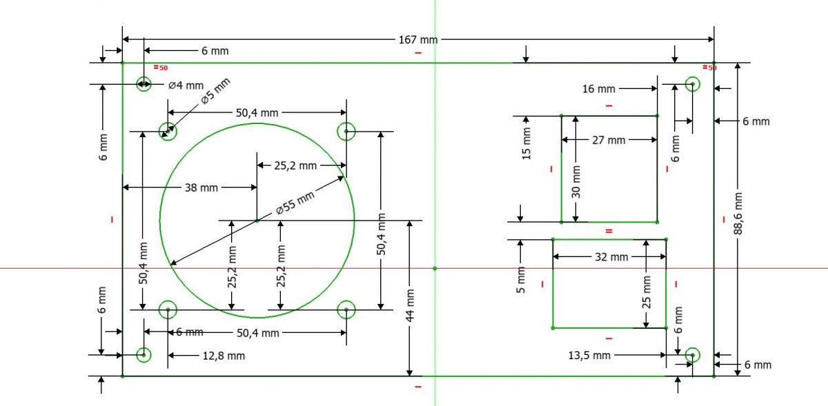
W przypadku płaskiego panelu czołowego, najbardziej sensownie jest ustalić punkt odniesienia układu współrzędnych i podać współrzędne otworów jako wymiary bazowe oraz średnice z tolerancją. Punktem początkowym (0,0) może być jeden z narożników - łatwo wtedy ustawić panel na maszynie. Jeżeli są elementy podobne, to podajemy wymiar dla pierwszego elementu i dopisujemy krotność, np. Ø7,8±0,1 (4x). Jeżeli otwory są na jednej wysokości, to wymiar do osi podajemy raz i dopisujemy krotność, zamiast podawać ten sam wymiar kilka razy.
Pomiary wykonane suwmiarką to błąd na poziomie rzędu 0,1mm. Wykonanie panelu z taką dokładnością nie jest dzisiaj problemem. Bardziej istotne jest jaki materiał powinien być użyty. Może być jeden z najtańszych: 6061, 6063, 6082. Takie panele można łatwo zarysować paznokciem.

Jeżeli chcesz mieć panel o większej wytrzymałości mechanicznej, to warto rozważyć płyty 5083-Hxxx (Po H jest kod przeprowadzonej obróbki cieplnej, co w pewnym sensie może być interpretowane jako klasa wytrzymałości mechanicznej) lub 7075-T6 (najbardziej wytrzymałe, trudniejsze do anodowania). 2 mm to raczej cienka blacha, szczególnie dla serii 606x lub 608x. 3 mm brzmi lepiej.
Tabelka we FreeCAD nie pozwala na umieszczenie sensownych informacji dotyczących postobróbki (treatment), więc trzeba improwizować. Jeżeli chcesz panel anodowany, to warto dopisać "Black anodized 18um±2um". 18 um, to typowe, miękkie anodowanie w dowolnym kolorze. Powierzchnia po anodowaniu jest trochę szorstka, ponieważ jest mikroporowata.