logo elektroda
logo elektroda
X
logo elektroda
REKLAMA
REKLAMA
Adblock/uBlockOrigin/AdGuard mogą powodować znikanie niektórych postów z powodu nowej reguły.

Asus ML249H - Przyciemniony obraz: Uszkodzony tranzystor APM1110N i przegrzewanie się MOS 5N50C

telfix 11 Sie 2022 11:36 423 7
REKLAMA
  • #1 20138715
    telfix
    Poziom 12  
    Witam serdecznie.
    Krótki temat. Martwy monitor. Zwarty Q876 na płytce podświetlanie LED zasilania zwierając zasilacz. Płytka ów to 4H.17633.A10. Uszkodzony tranzystor APM1110N. Wstawiłem innym MOS z diodą 5N50C i grzeje się niemiłosiernie podczas pracy. Płytka jak monitor poległ już miał przegrzany druk w okolicy tego tranzystora z czego wynika iż smażył się już wcześniej. Fotka płytki:

    Asus ML249H - Przyciemniony obraz: Uszkodzony tranzystor APM1110N i przegrzewanie się MOS 5N50C

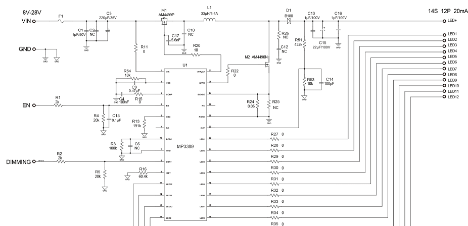
    Przetwornica zbudowana na układzie MP3389:

    Asus ML249H - Przyciemniony obraz: Uszkodzony tranzystor APM1110N i przegrzewanie się MOS 5N50C

    (Jak widać na pierwszym zdjęciu przetwornica wykonana w tym monitorze tylko na jednym tranzystorze pomijając M1 wg dokumentacji typowej dla tego układu)

    Bez LED'ów przetwornica wadliwego monitora pracuje i nie grzeje się wcale. Daje ok 50V ale powoli opada. Pod obciążeniem smaży się niemal natychmiast. Napięcie w czasie pracy 44V. Zwarć brak na obciążeniu. Każda z czterech sekcji zasilana zasilaczem serwisowym 30V plus akumulator 12V w szeregu i ustawieniu ogranicznika prądu 30mA powoduje zapalenie podświetlenia i pobór ok 20mA bez przeciążenia (dioda ogranicznika zasilacza nie zapala się). Wszystkie elektrolity zbadane ESR mają bliskie zero. Gdzie popełniłem błąd? Co pominąłem?

    link do układu
  • REKLAMA
  • #2 20138764
    Dydelmax
    Poziom 39  
    Witam.
    telfix napisał:
    Uszkodzony tranzystor APM1110N. Wstawiłem innym MOS z diodą 5N50C i grzeje się niemiłosiernie podczas pracy. [...] Gdzie popełniłem błąd? Co pominąłem?

    5N50C ma niższy ciągły prąd drenu od APM1110N oraz kilka razy wyższe RDS(ON). Spróbowałbym na początek wymiany na bardziej odpowiedni tranzystor.
    Pozdrawiam
  • REKLAMA
  • #3 20138796
    telfix
    Poziom 12  
    Znalazłem IRF744N. Jego parametry (RDS(on) = 0.032Ω czyli lepiej niż oryginał ale boje się o VDS który katalogowo mu wynosi tylko 55V)
  • REKLAMA
  • #4 20139564
    lisek
    Serwisant RTV
    Zmierz oporniki od pin.24 (case TSSOP24) "ISENSE"
    - sa niskoohmowe (chyba 0.12 ohm ) max 0.82 ohm
    Wstaw o wart. > niż o.51 ohm

    Powino być napięcie 45-50V na led"y

    p.s
    poczytaj datasheet układu , rola pin.24
    Mozna wstawić AOD4126/AOI4126 100V N-Channel MOSFET

    datasheet APM1110NU Link
  • #6 20150772
    lisek
    Serwisant RTV
    Za 6 funów masz 5pc"s AOD4126 Link
  • REKLAMA
  • #7 20152306
    telfix
    Poziom 12  
    Dzięki. Coś muszę wybrać i zamawiam. Rozumiem że kierować się zdjęciami aby nie kupić tańszego "chińczyka"?
  • #8 20242720
    telfix
    Poziom 12  
    W końcu dotarło z ChRL. Niestety efekt jeszcze gorszy, całkowity brak obrazu. Sygnały oba sterujące na płytce 3.3V są. Napięcia 18V przetwornica nie podnosi czyli nie pracuje stąd zapewne brak podświetlenia. No nic, jak znajdę trochę czasu postaram się rozeznać co nie tak. Możliwe że sam tranzystor jest jaki jest
REKLAMA