logo elektroda
logo elektroda
X
logo elektroda
REKLAMA
REKLAMA
Adblock/uBlockOrigin/AdGuard mogą powodować znikanie niektórych postów z powodu nowej reguły.

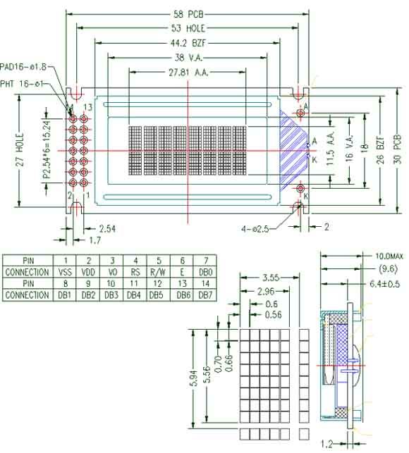
Wybór odpowiedniego wyświetlacza do sterownika akwarystycznego - Zdjęcie

teskot 31 Sie 2022 14:18 267 11
REKLAMA

Podsumowanie tematu

Dyskusja dotyczy wyboru odpowiedniego wyświetlacza do sterownika akwarystycznego, który został uszkodzony w wyniku zalania. Użytkownicy sugerują, że oryginalny wyświetlacz to standardowy model 16x2, prawdopodobnie oparty na kontrolerze HD44780. Wskazano na różnice w numeracji pinów, co może utrudniać bezpośrednią wymianę. Uczestnicy podają szczegóły dotyczące pinów oraz zasilania, a także wskazówki dotyczące podłączenia nowego wyświetlacza. Wspomniano o mikrokontrolerze Atmega 325V, który jest używany w projekcie.
Podsumowanie wygenerowane przez model językowy.
REKLAMA