Witam szacowne grono forumowiczów
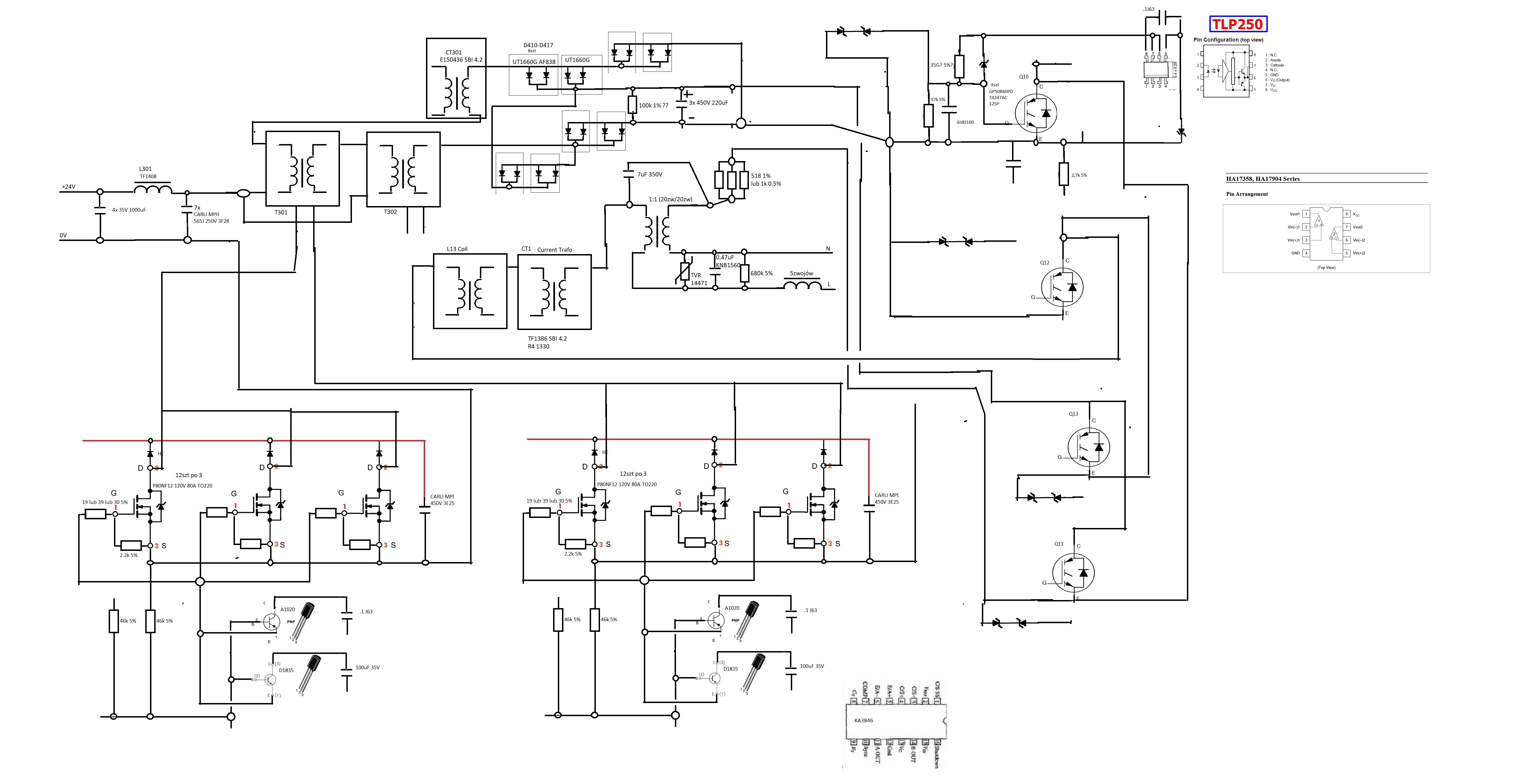
Posiadam falownik TS-1500 24V 1500W Meanwell'a, który odmówił pracy. Bezpieczniki strzeliły, nic nie zauważyłem podczas ich wymiany, ale po podłączeniu coś uległo spaleniu.
Upalone R320 i R323 i dosyć mocno spalona PCB.
Poszukuję kogoś kto posiada taki sam i ma może zdjęcia tych komponentów.
Podejrzewam, że podobne znajdują się w kolejnej grupie za tranzystorami, ale wolałbym być 100% pewien.
Z resztą szansa na odtworzenie tego jest raczej mizerna, gdyż płytka jest dosyć głęboko zwęglona, ale spróbować można.
Jeśli ktoś chciałby więcej zdjęć tego modelu to mogę podesłać.
#update:
Wygląda na to, że rezystory spaliły się w obwodzie bramki tranzystora i to nie tylko tego pierwszego. Model STP80NF12 jest tutaj zastosowany.
Posiadam falownik TS-1500 24V 1500W Meanwell'a, który odmówił pracy. Bezpieczniki strzeliły, nic nie zauważyłem podczas ich wymiany, ale po podłączeniu coś uległo spaleniu.
Upalone R320 i R323 i dosyć mocno spalona PCB.
Poszukuję kogoś kto posiada taki sam i ma może zdjęcia tych komponentów.
Podejrzewam, że podobne znajdują się w kolejnej grupie za tranzystorami, ale wolałbym być 100% pewien.
Z resztą szansa na odtworzenie tego jest raczej mizerna, gdyż płytka jest dosyć głęboko zwęglona, ale spróbować można.
Jeśli ktoś chciałby więcej zdjęć tego modelu to mogę podesłać.
#update:
Wygląda na to, że rezystory spaliły się w obwodzie bramki tranzystora i to nie tylko tego pierwszego. Model STP80NF12 jest tutaj zastosowany.
