logo elektroda
logo elektroda
X
logo elektroda
REKLAMA
REKLAMA
Adblock/uBlockOrigin/AdGuard mogą powodować znikanie niektórych postów z powodu nowej reguły.

[Rozwiązano] Peugeot 3008 - Zabezpieczenie - dodatkowy immobiliser

kp. 04 Wrz 2022 20:59 1842 27
REKLAMA
  • #1 20175238
    kp.
    Poziom 11  
    Witam, chciałbym dołożyć sobie jakieś dodatkowe zabezpieczenie, generalnie pomyślałem o zabezpieczeniu wszystkich trzech opcji typu: 1 zapłon, 2 rozrusznik, 3 pompa paliwa w baku.

    Tylko teraz pytanie czy będzie mi to wywalać jakieś błędy?
    W aucie jest zdaje się CAN, czy jeśli przetnę te obwody to będą problemy?

    Zapłon i rozrusznik to wydaje mi się że nie bo to i tak rozłącza stacyjka, zasada działania jak zabezpieczenie odcinające obwód, nie wiem jak z tą pompą paliwa, chyba podobnie po wyłączeniu stacyjki odcinane jest zasilanie.
    No ale wolę jednak dopytać.

    Zastanawia mnie też dlaczego aktualnie na rynku większość zabezpieczeń jest tylko na jeden obwód, jak się trochę poszuka to góra na dwa?

    Co do zabezpieczenia to rozważałem zrobić to na 4 przekaźnikach, 3-y do obwodów, 4-ty to sterowania tymi trzema (wiem można zrobić na trzech, ale jednak przekonują mnie bardziej 4) plus ukryty włącznik.

    Tu też dodatkowe pytanie bo są dwie opcje rozłączania, albo obwód dajemy na styki 30 i 87 i wtedy po rozbrojeniu przekaźniki pracują i łączą obówd (w spoczynku jest rozłączony), albo tak jak dużo teraz zabezpieczeń ma robione na styki 30 i 87a czyli w spoczynku obwód jest złączony, a rozwiera się przy próbie nieautoryzowanego uruchomienia i to chyba mnie bardziej przekonuje.

    Peugeot 3008 - Zabezpieczenie - dodatkowy immobiliser

    Druga opcja zabezpieczenia to użycie immobilisera Dog-Block E który mam w domu, wymontowany z jakiegoś auta, w sumie działa i w przeszłości działał bez zarzutów (poza jednym razem kiedy wyjechałem autem przed bramę i przypomniałem sobie że nie zabrałem karty :) nie wiem co się stało wtedy), zabezpiecza zdaje się 3 obwody więc to dla mnie plus.

    Trzecia opcja to KD-2006 ale tu mam problem na który jak zadaję pytanie to wszyscy kręcą, wiją się, łącznie z producentem i nie chcą mi wprost odpowiedzieć, chodzi mi o ten drugi obwód który według instrukcji można obciążyć tylko 100mA, a przekaźniki - chyba większość, jak nie wszystkie te 30/40A mają obciążenie około, lub dokładnie 150mA, no więc jak to wykorzystać na tym drugim kanale aby było zgodne z instrukcją? Pomijam już że tam pasowałyby mi dwa równolegle wpięte przekaźniki i bym miał 3 obwody załatwione.

    Peugeot 3008 - Zabezpieczenie - dodatkowy immobiliser

    No jeszcze brałem pod uwagę Proximę 1cm albo sensorową, no ale tu musiałbym i tak jeszcze dopiąć na przekaźnikach dodatkowe dwa obwody. Więc chyba odpada, choć chyba immobiliser jest ok.
  • REKLAMA
  • Pomocny post
    #3 20175538
    CameR

    Moderator Zabezpieczeń Pojazdów
    kp. napisał:
    jak z tą pompą paliwa

    Jeżeli równocześnie z pompą paliwa odetniesz zapłon , to żadnych błędów nie będzie.
    Drugi obwód KD2006 bez najmniejszego problemu wytrzymuje obciążenie cewką przekaźnika.

    kp. napisał:
    dwie opcje rozłączania

    Dla swojego bezpieczeństwa, użyj blokady typu NC czyli w spoczynku zwarte 30 i 87a
    Jeżeli blokada ulegnie uszkodzeniu na autostradzie, to nie stracisz "mocy" podczas jazdy.
    Pomogłem? Kup mi kawę.
  • #4 20175790
    kp.
    Poziom 11  
    melas napisał:
    O jakim 3008 mowa


    Benzyna 1.6THP o to pytasz ?

    Dodano po 27 [minuty]:

    CameR napisał:
    Dla swojego bezpieczeństwa, użyj blokady typu NC czyli w spoczynku zwarte 30 i 87a
    Jeżeli blokada ulegnie uszkodzeniu na autostradzie, to nie stracisz "mocy" podczas jazdy.


    No właśnie po analizie wszystkiego ta opcja bardziej mnie przekonuje (a nawet nie chodzi o autostradę, zatłoczone skrzyżowanie i brak odjazdu choćby po czerwonym kiedy jest zielone, czy wiele innych sytuacji), choć jeślibym wybrał opcję na samych przekaźnikach to i tak jeden sterujący musi być załączony aby odcinać plus po stacyjce używany do zasilenia pozostałych przy próbie uruchomienia auta na nierozbrojonej blokadzie, aby tamte w tym czasie dostały zasilanie i rozwierały obwody które normalnie w spoczynku są połączone.

    Ale jednak chyba zrobię to na współpracy z dodatkową blokadą, w sumie mógłbym tego Doga swojego wykorzystać, ale on już ma ze 12 lat przepracowane, może wypadałoby go otworzyć (w tej chwili jest w stanie poowijanym taśmą, tak jak został wyjęty jakiś czas temu, nie zaglądałem tam) i może są tam jakieś kondensatory to zerknąć na ich stan, może wymienić przekaźniki żeby były nowe? Czy nic nie ruszać jak działa ?
    W sumie praca jego jest bezpieczna, w chwili gdy traci kontakt z kartą zaczyna piszczeć ale samochodu w ruchu nie gasi, dopiero nie odpali po zgaszeniu jeśli nie będzie miał dalej sygnału z karty. No i ma blokadę na trzy obwody z marszu bez kombinacji.


    CameR napisał:
    Drugi obwód KD2006 bez najmniejszego problemu wytrzymuje obciążenie cewką przekaźnika.


    Co do KD to zastanawia mnie czemu producent tam napisał te 100mA skoro jednak można więcej, ale ok skoro tak twierdzisz że wytrzyma to wierzę. Dopytam tylko ciut jeszcze, ale dwóch wpiętych równolegle przekaźników to już nie wytrzyma, przynajmniej będzie to ryzyko ? Bo w takim układzie miałbym dwa obwody i trzeci na tym głównym odcięciu z KD i sprawa załatwiona. Jeślibym się jednak na tą blokadę zdecydował (bo tu jeszcze rozważam opcje).


    CameR napisał:
    Jeżeli równocześnie z pompą paliwa odetniesz zapłon , to żadnych błędów nie będzie.


    Tu jeszcze dopytam, a w chwili nieautoryzowanej próby uruchomienia, przy tych nazwijmy to tych pasywnych blokadach gdzie w spoczynku na uzbrojonej blokadzie obwody są nadal połączone dopiero rozłączenie następuje w chwili próby uruchomienia na nierozbrojonej blokadzie, też błędy się nie pojawiają?
    Bo zwykle wygląda to tak że po przekręceniu stacyjki na króciutką chwilę błysną kontrolki i następuje odcięcie, czy ten moment nie wyzwala błędów?

    Fakt że takich sytuacji jest mniej bo albo w próbie kradzieży, a wtedy to jak zabezpieczenie spełni role to pal sześć błędy.
    Ale ciut częściej taka sytuacja może się zdarzyć jak np, zapomnimy karty i chcemy uruchomić, albo nie zwrócimy uwagi a bateria jest padnięta a my uruchamiamy, no jakieś takie sytuacje.
  • REKLAMA
  • #5 20180661
    kp.
    Poziom 11  
    Mam jeszcze jedno pytanie, bezpieczniki na obwodach które u mnie są to 40A + po zapłonie (zasilanie BSI) , 30A obwód z pompą paliwa i 20A na sterowaniu rozrusznikiem.

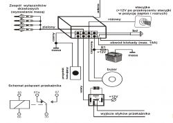
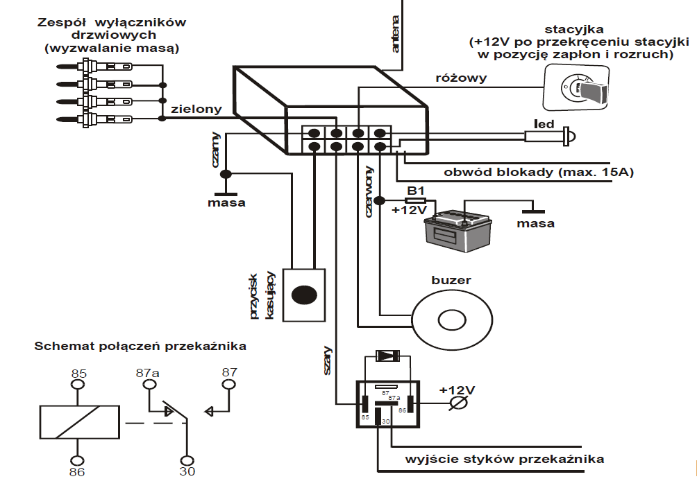
    Peugeot 3008 - Zabezpieczenie - dodatkowy immobiliser

    Peugeot 3008 - Zabezpieczenie - dodatkowy immobiliser

    Pytanie czy obwody na takich bezpiecznikach można puszczać przez przekaźnik 20A, takie są w blokadzie Dog-Block E,
    natomiast w obecnie sprzedawanych blokadach to już w ogóle 15-10A mają, jeszcze mniejsze.

    KD-2006 ma 15A

    Peugeot 3008 - Zabezpieczenie - dodatkowy immobiliser


    Nawet same przekaźniki typu Blow 0392 mają 30/40A, przy czym te 40A to jest na styku NO, czyli na niepreferowanym.
  • #6 20180765
    CameR

    Moderator Zabezpieczeń Pojazdów
    kp. napisał:
    czy obwody na takich bezpiecznikach można puszczać przez przekaźnik 20A

    Nie można.
    Należy "odciąć" inny obwód - niskoprądowy lub zastosować dobrej klasy przekaźnik pośredniczący o dużym prądzie roboczym.
    Pomogłem? Kup mi kawę.
  • #7 20180809
    kp.
    Poziom 11  
    No i było tak prosto, zacząłem chyba analizować za głęboko i sobie sam skomplikowałem :)

    Odcinają zwykle plus po stacyjce, pompkę w baku i rozrusznik, no przecież nie ma przewodów do wyboru, są jakie są, wiadomo że grubego plusa przed stacyjką się nie tnie,
    to jaki tam jest amperaż że robią blokady jakie robią na 10-15A i to tak wiele osób podłącza, w dodatkowe przekaźniki się nie bawią.

    Może te bezpieczniki które podałem to są jakieś grupowe i to nie ma nic wspólnego z pojedynczym obciążeniem na tych obwodach, no bo przykładowo np taka pompeczka w baku by obciążała przewody na 30A ?

    Druga sprawa, chyba większość zakłada takie odcięcia na przewodach 1,5mm2, tak ? To przecież takie przewody mają obciążenie z max 15A ?
  • REKLAMA
  • #9 20181196
    kp.
    Poziom 11  
    2011 przed liftem
  • #11 20181255
    kp.
    Poziom 11  
    Ooo dzięki :)

    Dopytam, co to za obwód jest, za co odpowiada ? Tak żebym miał świadomość co robię :)
    Podejrzewam zapłon, ale podejrzenie opieram na schemacie cytrynki (nie mam do swojego takiego szczegółowego),
    więc to podejrzenie może być bardzo zgubne :)

    Aha 1,5mm2 przewód do tego wystarczy ?

    Dodano po 6 [minuty]:

    Chociaż bezpieczniki u mnie są ciut inaczej usytuowane, czy to może oznaczać że to powyższe to jakaś inna wersja ?

    Peugeot 3008 - Zabezpieczenie - dodatkowy immobiliser

    Dodano po 21 [minuty]:

    Jeśli chodzi o kostki to się zgadza, za czarną jest biała.
  • Pomocny post
    #12 20181609
    CameR

    Moderator Zabezpieczeń Pojazdów
    kp. napisał:
    co to za obwód jest, za co odpowiada ?

    Pin.4 - [15] plus po stacyjce
    Pomogłem? Kup mi kawę.
  • #13 20181827
    kp.
    Poziom 11  
    Aaa, czyli jednak :)

    A powiesz mi jeszcze jedną rzecz, tam spokojnie przewód 1,5mm2 wystarczy ?

    No bo generalnie to przewody na których będzie obwód robiony nie powinny być cieńsze od przecinanych, a ponieważ obwody będę ciął dopiero jak zakupię przewody do wykonania zabezpieczenia to wtedy będę mógł realnie ocenić grubość żyły.
    Bo tak po grubości z izolacją to średnio, no bo są cieknkościenne a później się okazuje że w środku linka grubsza i zakupiony przewód na oko do kosza :(

    Dlatego tak się radzę/dopytuję...

    Czy ewentualnie ratując się na jakimś bardziej obciążonym obwodzie gdzie przykładowo będzie przewód o grubości 2,0mm2 lub 2,5mm2 można to puścić na dwóch równolegle wpiętych przewodach z których każdy ma 1,5mm2 ?
  • REKLAMA
  • #14 20182147
    Marian B
    Poziom 38  
    Każde dodatkowe zabezpieczenie wymaga aby go włączyć na czas czuwania, i wyłączyc gdy chcemy "jechać". Obojętnie, czy to będzie ukryty wyłacznik, czy ukryty przycisk, trzeba zawsze wykonywać te dodatkowe czynności włączania/wyłączania. Warto pomyśleć o zabezpieczniu z bezprzewodową "identyfikacją" kierowcy.
    https://www.elektroda.pl/rtvforum/topic1389941.html#6874840
    To zabezpieczenie "jeżdzi" już sporo lat, i jestem bardzo z niego zadowolony, o niczym nie trzeba "myśleć", wsiada sie i jedzie, trzeba tylko mieć identyfikator przy sobie.

    Nie wiem tylko czy obecnie jest dostępny oddzielny moduł "Identyfikacja", ale napewno dostępny moduł KD2006 z "identyfikacją".
  • #15 20182161
    kp.
    Poziom 11  
    Marian B napisał:
    Nie wiem tylko czy obecnie jest dostępny oddzielny moduł "Identyfikacja", ale napewno dostępny moduł KD2006 z "identyfikacją".

    Przeglądałem to już dużo wcześniej, w jakimś innym wątku (nie jednym) trafiłem na Twój post,
    modułu identyfikacja raczej nie ma, ja nie znalazłem, to chyba wycofany już produkt,

    Dodano po 2 [minuty]:

    Marian B napisał:
    To zabezpieczenie "jeżdzi" już sporo lat, i jestem bardzo z niego zadowolony, o niczym nie trzeba "myśleć", wsiada sie i jedzie, trzeba tylko mieć identyfikator przy sobie.


    Dog którego chce użyć, o którym wspomniałem na początku też ma identyfikator/kartę, auta nie gasi podczas jazdy w przypadku utraty łączności (np zima gruba kurtka w kieszeni karta ze słabą już baterią, czy jakaś inna losowa sytuacja),
    dodatkowo ma opcję odcięcia 3 obwodów, ogólnie to to samo, a nawet lepiej bo KD-2006 ma jeden obwód plus drugi do którego trzeba sobie jeszcze dokupić osobno przekaźnik, pomijam już fakt że wszystko jest na granicy bo druga linia dla przekaźnika w KD ma dopuszczalne obciążenie 100mA, a przekaźniki typu 30/40A obciążają (info z opisu) 150mA.
    Podsumowując z wyborem zabezpieczenia nie mam już problemu, wyboru dokonałem, użyję tego co mam.

    Jedyne dylematy które mi pozostały są opisane nad Twoim postem.
  • #16 20182178
    Marian B
    Poziom 38  
    kp. napisał:
    Zastanawia mnie też dlaczego aktualnie na rynku większość zabezpieczeń jest tylko na jeden obwód, jak się trochę poszuka to góra na dwa?

    Moim zdaniem, to nie problem, bo ten jeden przekażnik wewnątrz "zabezpieczenia" może uruchamiać wiecej ("nie skończoną ilość") przekażników dodatkowo zamontowanych. Można wtedy odcinać wiele obwodów. Będzie tylko trochę więcej przewodów.
  • #17 20182186
    kp.
    Poziom 11  
    Marian B napisał:
    Moim zdaniem, to nie problem, bo ten jeden przekażnik wewnątrz "zabezpieczenia" może uruchamiać wiecej ("nie skończoną ilość") przekażników dodatkowo zamontowanych


    Nie no to się zgadza, masz rację, można (chyba że ktoś się zadowala odciętym jednym obwodem), jak zastanawiałem się co będę montował to tak właśnie kombinowałem że trzeba będzie tego typu zabezpieczenie wykorzystać jako sterowanie do dodatkowych przekaźników, no ale to jednak wymaga dalszej rozbudowy. Kupuję zabezpieczenie i dalej muszę kupować przekaźniki.

    Tylko w sumie co wtedy uzyskujemy?
    Jeśli to będzie blokada z bezprzewodową identyfikacją to ok mamy komfort identyfikacji za min ponad dwie stówy KD z dwoma pilotami. Jednak większość blokad jest na przyciskach, kontaktronach itp wtedy rozbrajanie jest podobne jak na samych przekaźnikach, zyskujemy tylko ewentualnie zwłokę po wyłączeniu/zgaśnięciu silnika że można w ciągu np 30sek ponownie go odpalić bez rozbrajania, antynapadów które gaszą auto podczas jazdy chcąc być zgodnie z przepisami UE stosować nie można.

    Robiąc na samych przekaźnikach, które i tak w takim przypadku trzeba dołożyć, oszczędzamy jeden przekaźnik sterujący (kilkanaście zł, koszt z podstawką), nie ma wtedy tej zwłoki 30sek, choć jak ktoś chce to i to może zmajstrować, reszta czyli rozbrajanie, przycisk, kontaktron itp tak samo.
  • #18 20182206
    Marian B
    Poziom 38  
    kp. napisał:
    zyskujemy tylko ewentualnie zwłokę po wyłączeniu/zgaśnięciu silnika że można w ciągu np 30sek ponownie go odpalić bez rozbrajania,
    Moim zdaniem jest to najważniejsza funkcja, która koniecznie powinna być w każdym zabezpieczeniu ze wzgledu na bezpieczeńswo ruchu drogowego.
    Można sobie wyobrazić nieoczekiwane zatrzymanie silnika na przykład na torach kolejowych, tramwajowych, czy na banalnym skrzyżowaniu. Gdy takiej funkcji niema trzeba przed uruchomieniem naciskać przycisk, czasami przebiegle ukryty, trudno dostępny, a tu stres, panika i "brak czasu".
    Brak możliwości szybkiego/natychmiastowego uruchomienia silnika po jego nie oczekiwanym zatrzymaniu, bez naciskania przycisku zabezpieczenia, to proszenie sie o wypadek.
  • #19 20182218
    kp.
    Poziom 11  
    Marian B napisał:
    Gdy takiej funkcji niema trzeba przed uruchomieniem naciskać przycisk, czasami przebiegle ukryty, trudno dostępny, a tu stres, panika i "brak czasu".


    Nie no jak ktoś to chowa pod tylnym siedzeniem, albo w bagażniku to zgadzam się z Tobą :)
    Generalnie to powinno być w zasięgu ręki i przemyślane.

    Miałem coś takiego wiele lat temu, odcięcie na samych przekaźnikach i na mikro przycisku typu switch, gdzie wystawał i jeśli się wiedziało gdzie to widoczny był tylko czubeczek
    Nawet jak sprzedawałem auto następnemu kupującemu (młody chłopak) paluch położyłem na tym przycisku to twierdził że go nie czuje i musiałem mu wyłączyć to zabezpieczenie ukrytym już bardziej wyłącznikiem serwisowym. Żeby mógł odpalić, odjechać i na spokojnie w domu to odnaleźć, wiedząc gdzie jest :)

    Ogólnie szybkość odpalania była taka sama jak z samym kluczykiem, odruchowo palec w określone miejsce i kluczyk.
    Także wszystko zależy od tego jak to jest zrobione.
  • #20 20182239
    Marian B
    Poziom 38  
    kp. napisał:
    Ogólnie szybkość odpalania była taka sama jak z samym kluczykiem, odruchowo palec w określone miejsce i kluczyk.

    Czyli zajęte obie ręce i trzeba puścić kierownicę do uruchomienia silnika. Jest to (z trudem) do przyjęcia na postoju, po zatrzymaniu pojazdu. Ale też może byc przypadkowe zatrzymanie silnika w ruchu, np. po gwałtownym hamowaniu, albo zablokowanie kół po lekkim przyhamowaniu na ślizkiej drodze. Puszczenie kierownicy czasie uruchamiania silnika nie do przyjęcia. Machanie ręką od przycisku do kluczyka, po nieoczekiwanym zatrzymaniu silnika, też nie do przyjęcia, pomimo, że po czasie można nabrać wprawy.

    Trzeba mieć na uwadze, że w więkzości samochodów aby włączyć rozrusznik po nieoczekiwanym zatrzymaniu silnika trzeba wyłączyc zaplon i ponownie włączyć zapłon i rozrusznik.
  • #21 20182288
    kp.
    Poziom 11  
    Oj wymyślasz kolego :), jeździłem tamtym autem 12 lat i nie miałem takiej sytuacji żeby mi w czasie jazdy zgasło.
    Natomiast normalnie jak zgaśnie stojąc na skrzyżowaniu czy nawet wolno tocząc się to można się zatrzymać, a nawet bez zatrzymania wcisnąć sobie taki przycisk.
    Samochody normalnie też się czasami psują i nagle jest jakiś zawalidroga, tylko że zwykle wtedy on nie odjedzie po kilku, kilkunastu sekundach, po wciśnięciu przycisku.

    Natomiast cały czas dyskutujemy o rzeczy która aktualnie mnie nie dotyczy, wybór zabezpieczenia, czy przycisk jest dobry, czy zły.

    Mam zabezpieczenie na kartę, nie gasi ono silnika, odcina 3 obwody fabrycznie (aktualnie producent je robi też już tylko na dwa obwody) i to jest mój wybór, jedyny dylemat to czy

    kp. napisał:
    przewód 1,5mm2 wystarczy

    do takiego zabezpieczenia ?

    oraz
    kp. napisał:
    Czy ewentualnie ratując się na jakimś bardziej obciążonym obwodzie gdzie przykładowo będzie przewód o grubości 2,0mm2 lub 2,5mm2 można to puścić na dwóch równolegle wpiętych przewodach z których każdy ma 1,5mm2 ?


    Znasz odpowiedź na to pytanie?
    Bo zanim rozetnę przewody chciałbym sobie zamówić przewód którym podłączę odcięcia żeby jak zacznę to skończyć w jeden dzień :)

    Na Dogu miałem użyte przewody, oryginalne które były z zabezpieczeniem, ale niektóre są za krótkie bo wiadomo były dostosowane do innego auta i obcięli je, zabezpieczenie było montowane u producenta w siedzibie więc zakładam że było ok, z tego co widziałem wymontowując odcięty był + po stacyjce i rozrusznik (za bardzo się nie postarali)
    Tak czy inaczej muszę kupić jakiś przewód, wymienić/uzupełnić to, abym mógł w nowym działać.

    Przewody które są w tym Dogu trudno mi zdiagnozować ich grubość, linka miedziana, skręcona żyła mierzona suwmiarką ma jakieś 1,6-1,7mm średnicy , patrząc po tabelach 1,6mm ale to na pełnym drucie odpowiada 2,0mm2, ale na lince to podobno mniej, grubość z izolacją tych przewodów to 2,3mm, są ewidentnie cienkościenne.

    No i to mój jedyny dylemat, jakie przewody kupić ?
    Żebym jak zacznę to nie musiał odkładać całej roboty i ganiać za przewodem po mieście :)
  • Pomocny post
    #22 20182337
    Marian B
    Poziom 38  
    Jest takie pojęcie jak "gęstość prądu", to pojecie można wpisać w Google i jest wiele na ten temat.
    Bezpiecznie dla miedzianych przewodów można przyjąć że jest to 8A na 1 mm² przekroju (nie średnicy). Będzie to z pewnym zapasem, bo są też zalożenia że może być 10A na 1 mm².
    Przewody można łączyć równolegle, jak najbardziej, bo liczy sie sumaryczny przekrój, tylko że wtedy zajmują więcej miejsca w wiązce.
  • #23 20182354
    kp.
    Poziom 11  
    Marian B napisał:
    Przewody można łączyć równolegle, jak najbardziej, bo liczy sie sumaryczny przekrój, tylko że wtedy zjmują więcej miejsca w wiązce.


    O widzisz to jest dla mnie cenne info, bo nie chodzi o to że ja planuje robić to na dwóch przewodach, tylko jak rozbiorę i okaże się że jakiś obwód ma przewód grubszy od np kupionego 1,5mm2 to mogę wtedy się poratować takim podwójnym na jakimś odcinku.

    Choć najlepiej by było chyba kupić jakiś 2,0mm2 w jakiejś cienkościennej izolacji, bo w normalnej to już takie grubasy powyżej 3mm średnicy, nie widziałem żeby coś takiego ktoś kładł.

    Generalnie to wiem że nie powinno się używać cieńszych przewodów niż są użyte, no ale to ostatecznie jakie są będę mógł stwierdzić jak wszystko wybebeszę.
  • #24 20196557
    kp.
    Poziom 11  
    Mam jeszcze pytanie bo wczoraj wygrzebałem tego swojego Doga, oczyściłem, dobrze że kiedyś oznaczyłem wszystkie przewody przy demontażu bo bym miał raczej problem.
    Aczkolwiek i tak, nawet edukacyjnie nie jestem w stanie wszystkich przewodów zidentyfikować (akurat te nie są mi potrzebne, ale fajnie by było wiedzieć), mam schemat do DOG-BLOCK K3-UNm, a mój to DOG-BLOCK E K3 IN SPiiD i ten ma kilka przewodów więcej.
    Jest tu np przewód oznaczony literką Z i ciekawi mnie do czego on jest.

    Ogólnie też zastanawia mnie czy ta dioda separująca wpinana w linii oświetlenia po otwarciu drzwi kierowcy jest potrzebna, u mnie nie była zamontowana, a ten immobiliser montowany był w siedzibie producenta Dest w Łodzi, więc chyba wiedzieli co robią, być może w schemacie od DOG-BLOCK E K3 IN SPiiD nie ma tej diody, ja patrzyłem na schemat który mam, od DOG-BLOCK K3-UNm

    Peugeot 3008 - Zabezpieczenie - dodatkowy immobiliser

    Tak przy okazji, jakby ktoś miał schemat do tego DOG-BLOCK E K3 IN SPiiD to chętnie bym się z nim zapoznał, może być nawet na priv, jeśliby ktoś nie chciał tu wrzucać.
  • Pomocny post
    #25 20196682
    Marian B
    Poziom 38  
    Jak sama nazwa wskazuje, dioda separująca jest stosowana po to aby oświetlenie nie miało wpływu na inne uklady, np. wejścia autoalarmu, itp.
    Nie zawsze dioda separująca jest potrzebna, zalezy to od rodzaju/typu ukladów współpracujących ze sobą.
    Z reguły jest tak, że oświetlenie, gdy nie świeci, ma małą rezystancję, i bez diody separującej wejście autoalarmu widzi to jako zwarty wyłącznik drzwiowy, pomimo że jest on rozwarty. Jak wyżej wspomnialem, nie zawsze taka separacja jest potrzebna.
    Tu inny przyklad zastosowania diod separujących (Ds) przy wyłącznikach drzwiowych:
    https://www.elektroda.pl/rtvforum/topic591433.html#3056671
  • #26 20197130
    kp.
    Poziom 11  
    Rozumiem, a zapytam jeszcze, tam w tym artykule jako diody separujące użyłeś 1N5401, rozumiem że pewnie są lepsze bo 3Amperowe, ale czy taka 1Amperowa 1N4007 też się nadaje w to miejsce czy jednak nie bardzo?
  • Pomocny post
    #27 20197256
    Marian B
    Poziom 38  
    Też się nada 1N4007. Celowo użyłem "mocniejsze" diody, bo mają większe wymiary i mocniejszą konstrukcję mechaniczną. Sa zamontowane bezpośrednio w przecięciu przewodu bez żadnych wsporników, i po prostu nie mogą byc słabe mechanicznie.
  • #28 21198526
    kp.
    Poziom 11  
    Ok, zamykam, zabezpieczenie założone z powodzeniem, od 2 lat sprawuje się bez zarzutu.

Podsumowanie tematu

W dyskusji poruszono temat instalacji dodatkowego immobilizera w Peugeot 3008, koncentrując się na odcięciu trzech obwodów: zapłonu, rozrusznika i pompy paliwa. Użytkownik zastanawiał się nad potencjalnymi błędami związanymi z cięciem obwodów w systemie CAN. Odpowiedzi sugerowały, że odcięcie zapłonu i pompy paliwa nie powinno generować błędów, pod warunkiem, że obwody będą odpowiednio zarządzane. Użytkownicy wymieniali różne rozwiązania, w tym zastosowanie przekaźników oraz ukrytych włączników. Wskazano również na znaczenie gęstości prądu w doborze przewodów oraz na konieczność stosowania diod separujących w niektórych układach. Na koniec użytkownik potwierdził, że zabezpieczenie zostało pomyślnie zainstalowane i działa bez zarzutu od dwóch lat.
Podsumowanie wygenerowane przez model językowy.
REKLAMA