logo elektroda
logo elektroda
X
logo elektroda
REKLAMA
REKLAMA
Adblock/uBlockOrigin/AdGuard mogą powodować znikanie niektórych postów z powodu nowej reguły.

Podłączenie luster elektrycznych Peugeot 106 - brak wiązki, jak to zrobić?

Marcin032513 07 Wrz 2022 08:32 363 5
REKLAMA
  • #1 20178610
    Marcin032513
    Poziom 3  
    Cześć, chce podłączyć lusterka elektryczne do peugeot 106,nie mam oryginalnej wiązki i może by ktoś pomógł jak to podłączyć.
    Podłączenie luster elektrycznych Peugeot 106 - brak wiązki, jak to zrobić? Podłączenie luster elektrycznych Peugeot 106 - brak wiązki, jak to zrobić? Podłączenie luster elektrycznych Peugeot 106 - brak wiązki, jak to zrobić?
  • REKLAMA
  • #2 20178930
    artur.heise
    Poziom 27  
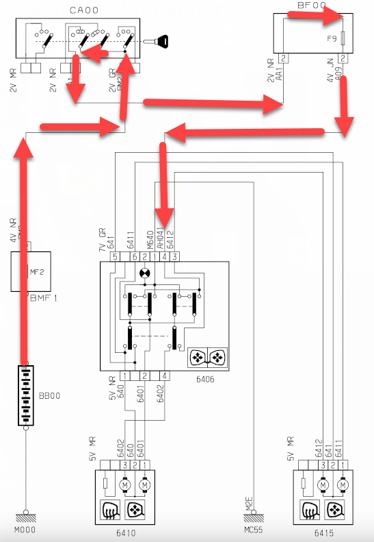
    Podłączenie luster elektrycznych Peugeot 106 - brak wiązki, jak to zrobić?

    Podłączenie luster elektrycznych Peugeot 106 - brak wiązki, jak to zrobić?

    Oznaczenia:
    5V/7V - gniazdo/wtyk pięcio/siedmiopinowy itd.
    czarny NR
    czerwony RG
    żółty JN
    biały BA
    brązowy MR
    zielony VE
    niebieski BE
    pomarańczowy OR
    szary GR
  • REKLAMA
  • #3 20178979
    Marcin032513
    Poziom 3  
    Do regulatora dostarczam 12v ?
  • REKLAMA
  • #4 20179109
    artur.heise
    Poziom 27  
    Marcin032513 napisał:
    Do regulatora dostarczam 12v ?


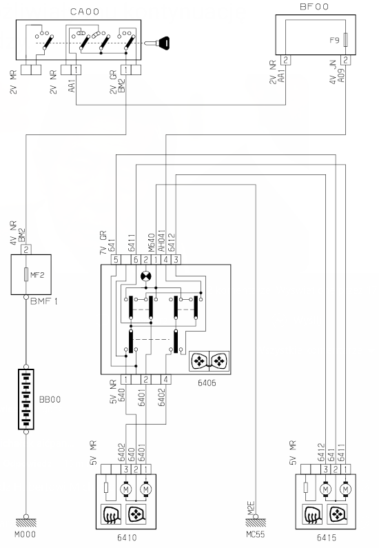
    Tak. Dokładnie jak na schemacie.

    Podłączenie luster elektrycznych Peugeot 106 - brak wiązki, jak to zrobić?
  • REKLAMA
  • #5 20179189
    Marcin032513
    Poziom 3  
    Ok, dzięki a jeszcze pytanie, skąd takie wtyczki mogę wziąć, czy lepiej konektory zastosować?
REKLAMA